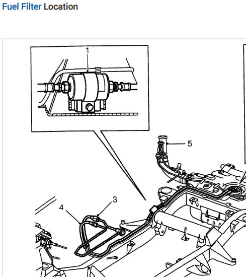
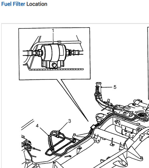
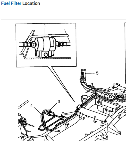
Car runs and drives fine, no problems apart from the P1179 message. The 4 areas of diagnosis I think are MAF, Vacuum, O2, Fuel Pressure. MAF was cleaned as is good. Vacuum hoses are all good. I tested Fuel pressure and its 32 at KOEO and drops to 28 when at idle. Manual says pressure should be 34-37 although I heard it should be 27-31?? I changed out the Fuel Filter and tested the FPR (both were replaced in 2021) no fuel in the vacuum hose, removing the hose caused the pressure to increase to 32, blanking off the return line forced the pressure to 50+ and then held there. Never seen any leak down. I had a New old stock FPR so I changed it out regardless but nothing seemed to change per se. Now Im looking at the sensors and attached is one of the scanner screen shots. I think B2S2 looks like an issue but I cant be sure. Any help is appreciated
Jan 8, 2026 at 11:58 AM




