I made a mistake.. I had a turning signal problem, so i was looking the relay to check it. I pulled out several relays (there is 6, all the same), and I forgot how they were plugged in. You can plug in 2 ways. So I made a mistake, then when I was driving i got check engine lights on, and can't drive more than 20 mph. Stopped at AutoZone, and the readings are: Codes: P0882, U0100, U0101.
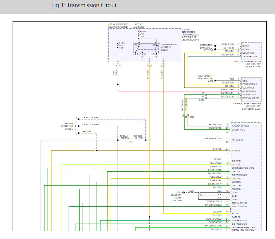
I finally did a research, my friend has a same van, so i pulled out the relays, and put it back in order as his. The top left is the K5 shows PCM on the cover, but online shows TCM. so I replaced just in case, and also the fuse of J18. My question is, because it is still in limp mode, should the computer realize i fixed the problem (I hope I did) or need to reset it? I disconnected the battery , but only for like 4 minutes, what cleared the check engine lights, but limp mode still there and a light came back after i drove around the corner. Should i leave disconnected for hours, or i didn't fix the problem?
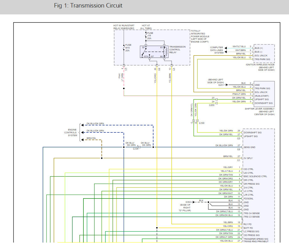
I bought a reader, and cleared the code, car still in limp mode, and code comes back after a test drive. Also I checked K10 relay ( ASD), still don't know if they are in a right position. I got 12 V in the socket on the left 2 pin hole. So that mean where I am getting 12V ( Car off) than I put the relay in to match 85 and 30 legs?
I finally did a research, my friend has a same van, so i pulled out the relays, and put it back in order as his. The top left is the K5 shows PCM on the cover, but online shows TCM. so I replaced just in case, and also the fuse of J18. My question is, because it is still in limp mode, should the computer realize i fixed the problem (I hope I did) or need to reset it? I disconnected the battery , but only for like 4 minutes, what cleared the check engine lights, but limp mode still there and a light came back after i drove around the corner. Should i leave disconnected for hours, or i didn't fix the problem?
I bought a reader, and cleared the code, car still in limp mode, and code comes back after a test drive. Also I checked K10 relay ( ASD), still don't know if they are in a right position. I got 12 V in the socket on the left 2 pin hole. So that mean where I am getting 12V ( Car off) than I put the relay in to match 85 and 30 legs?
Aug 24, 2019 at 6:38 PM









