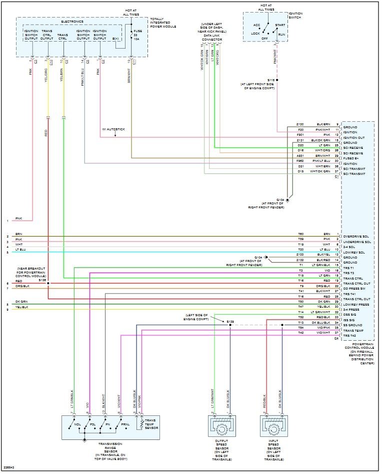
When key on engine off the car is doing as shown in the video plus there is no communication. After when I turn the key to start position the car starts and goes to limp mode with p0882 but the code reader communicate with the car. Parts replaced: PCM and TIPM.
Nov 12, 2018 at 9:11 AM



