Code P0776, pressure control solenoid B performance or stuck closed?

2014 NISSAN ALTIMA
129,567 MILES • 2.4L • 4 CYL • 2WD • AUTOMATIC
Avatar
DSANDOVAL80
  • MEMBER
  • 1 POST
How do i replace and where is it located?
Sep 16, 2022 at 9:22 AM
Advertisement
Avatar
STRAILER
  • CERTIFIED EXPERT
  • 53,854 POSTS
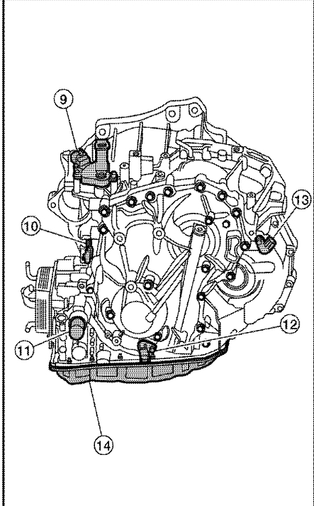
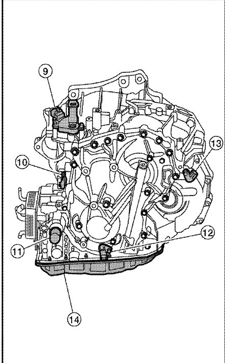
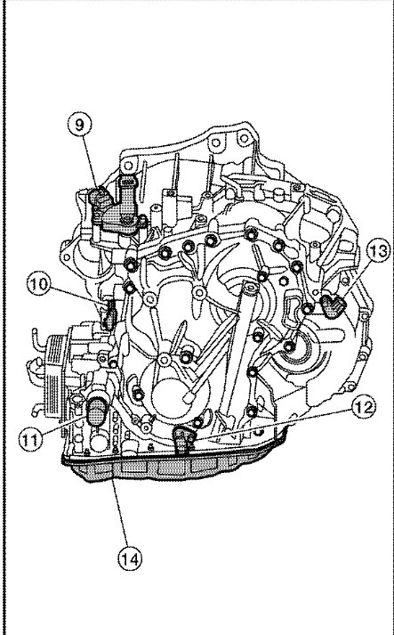
The pressure regulating control solenoid is inside the fluid pan and it has an orange wire going to it. You will need to drop the pan to change it out. Here is what they show in the images below on how to change it out. Check out the images (below). Please let us know if you need anything else to get the problem fixed.
Sep 16, 2022 at 1:07 PM