Hi,
This must be an early model. That transmission isn't listed under 2010. I went back a year and found it. If you look at pic 1, it shows where the issue is coming from. It is related to an inoperative solenoid.
Here are the diagnostics. The attached pics correlate with the directions.
__________________________
2009 Ford Truck Explorer 4WD V6-4.0L
Pinpoint Test D: Pressure Control Solenoids (PCA, PCB, PCC)
Vehicle Transmission and Drivetrain Automatic Transmission/Transaxle Testing and Inspection Pinpoint Tests 5R55S Pinpoint Test D: Pressure Control Solenoids (PCA, PCB, PCC)
PINPOINT TEST D: PRESSURE CONTROL SOLENOIDS (PCA, PCB, PCC)
Pinpoint Tests - OSC Equipped Vehicle
Pinpoint Tests
PINPOINT TEST D: PRESSURE CONTROL SOLENOIDS (PCA, PCB, PCC)
NOTE: Refer to Transmission Vehicle Harness illustration in Transmission Connector Layouts See: Automatic Transmission/Transaxle > Symptom Related Diagnostic Procedures > Transmission Connector Layouts - Connector Reference.
NOTE: Refer to the Transmission Internal Harness illustration in Transmission Connector Layouts See: Automatic Transmission/Transaxle > Symptom Related Diagnostic Procedures > Transmission Connector Layouts - Connector Reference.
NOTE: Read and record all DTCs. All DTCs must be repaired before entering output state control.
-------------------------------------------------
D1 ELECTRONIC DIAGNOSTICS
- Ignition OFF.
- Select PARK.
- Check to make sure the transmission harness C168 is fully seated, terminals are fully engaged in the connector and in good condition before proceeding.
- Install the Transmission Fluid Pressure Gauges into the Line and Pressure Control Solenoid C (PCC) tap.
- Connect the scan tool.
- Ignition ON.
- Access the transmission PIDs.
- Is the scan tool able to access the transmission PIDs?
Yes
GO to D2.
No
REPEAT procedure to access the transmission PIDs. If the scan tool did not access the transmission PIDs, REFER to Computers and Control Systems Information for diagnosis of PCM or scan tool.
-------------------------------------------------
D2 SOLENOID FUNCTIONAL TEST
- Monitor the Transmission Fluid Pressure Gauges.
- NOTE: Make sure that the solenoids not being tested are off or at zero.
- With the engine running, command the Pressure Control Solenoid A (PCA), Pressure Control Solenoid B (PCB) and PCC solenoids to change the pressure.
- For PCA and PCB: Does the pressure reading for PCA or PCB follow the commanded pressure (actual PCA and PCB pressures will be higher than the commanded pressure)? For PCC: Does the pressure reading match the commanded pressure?
Yes
REFER to Diagnosis By Symptom See: Automatic Transmission/Transaxle > Symptom Related Diagnostic Procedures > Diagnosis By Symptom for diagnosis of pressure concerns. TEST the system for normal operation.
No
GO to D3.
-------------------------------------------------
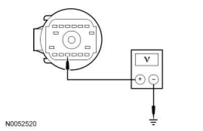
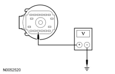
D3 CHECK FOR BATTERY VOLTAGE
- Ignition OFF.
- Disconnect: Transmission Vehicle Harness C168.
- Visually inspect the transmission harness C168 is fully seated, terminals are fully engaged in the connector and are in good condition before proceeding.
- Ignition ON.
- Measure the voltage between C168-3, circuit CBB38 (GY/BU), harness side and ground.
pic 2
- Is the voltage greater than 10 volts?
Yes
GO to D4.
No
REPAIR circuit CBB38 (GY/BU). CLEAR the DTCs. TEST the system for normal operation.
-------------------------------------------------
D4 CHECK CONTROL CIRCUITS FOR AN OPEN
- Ignition OFF.
- Disconnect: PCM C175T.
- Measure the resistance between PCM C175T and transmission vehicle harness C168, harness side using the following chart.
pic 3
pic 4
- Is resistance less than 5 ohms?
Yes
GO to D5.
No
CHECK the transmission vehicle harness circuit which has high resistance for an open. CLEAR the DTCs. TEST the system for normal operation.
-------------------------------------------------
D5 CHECK CONTROL CIRCUITS FOR A SHORT TO GROUND
- Measure the resistance between the transmission vehicle harness C168 and ground using the following chart.
pic 5
pic 6
- Is the resistance greater than 10,000 ohms?
Yes
GO to D6.
No
REPAIR the vehicle transmission harness circuit shorted to ground. CLEAR the DTCs. TEST the system for normal operation.
-------------------------------------------------
D6 CHECK SOLENOID RESISTANCE
- Measure the resistance between the transmission internal harness C168, component side power and C169, component side control using the following chart.
pic 7
- Is the resistance within 3.3 ohms and 7.5 ohms?
Yes
GO to D7.
No
REPLACE the transmission internal harness if an open. If no open is found, REPLACE the appropriate solenoid. CLEAR the DTCs. TEST the system for normal operation.
-------------------------------------------------
D7 CHECK TRANSMISSION INTERNAL HARNESS/SOLENOID FOR SHORT TO GROUND
- Measure the resistance between the transmission vehicle harness C168, component side and ground using the following chart.
pic 8
pic 9
- Is the resistance greater than 10,000 ohms?
Yes
REPLACE the PCM. TEST the system for normal operation.
No
REPLACE the transmission internal harness for a short to ground. If no short to ground is found, REPLACE the appropriate solenoid. CLEAR the DTCs. TEST the system for normal operation.
-------------------------------------------------
Let me know if this helps.
Take care,
Joe
Images (Click to enlarge)
Dec 16, 2020 at 2:17 PM