Code p0742, what next?

2010 GMC TERRAIN
130,000 MILES • 2.4L • 4 CYL • 4WD • AUTOMATIC
Avatar
KINGJD123
  • MEMBER
  • 104 POSTS
I got this p0742 code what next?
Sep 12, 2023 at 7:27 PM
Advertisement
Avatar
STRAILER
  • CERTIFIED EXPERT
  • 53,854 POSTS
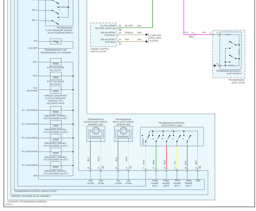
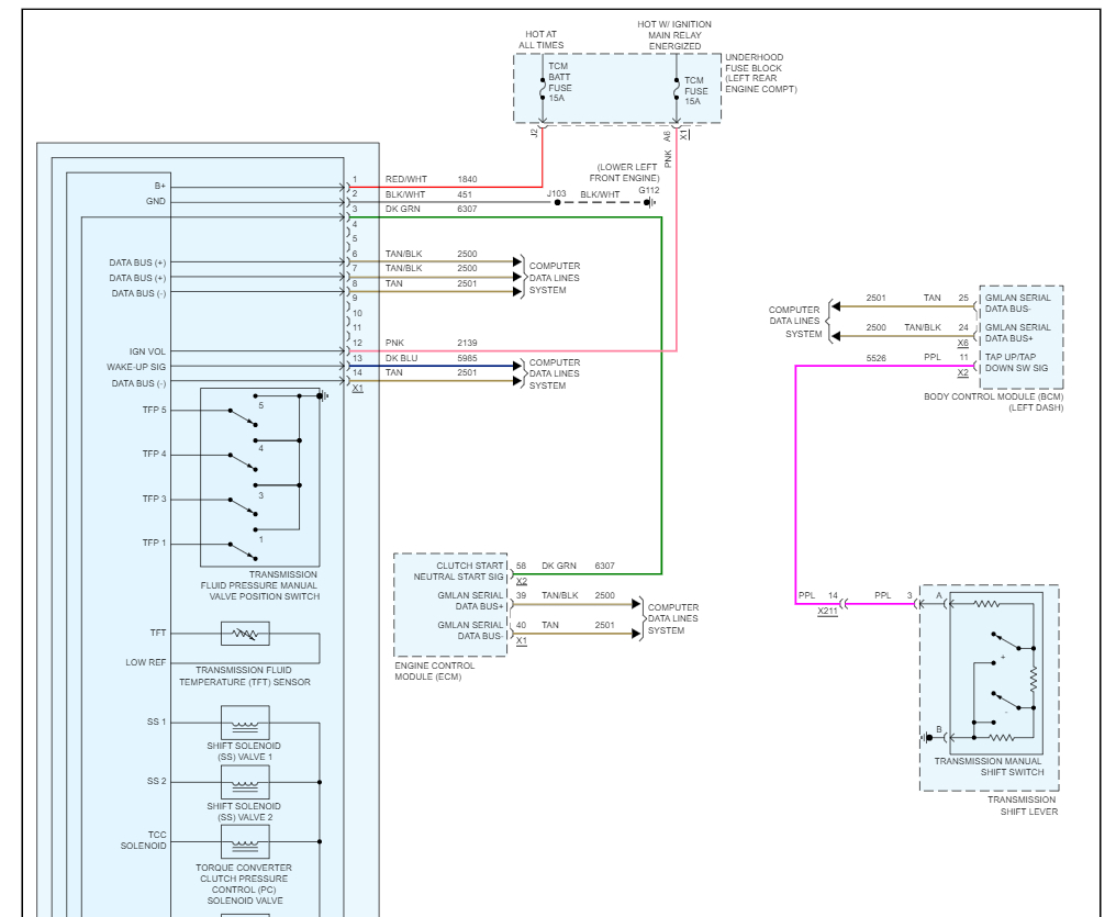
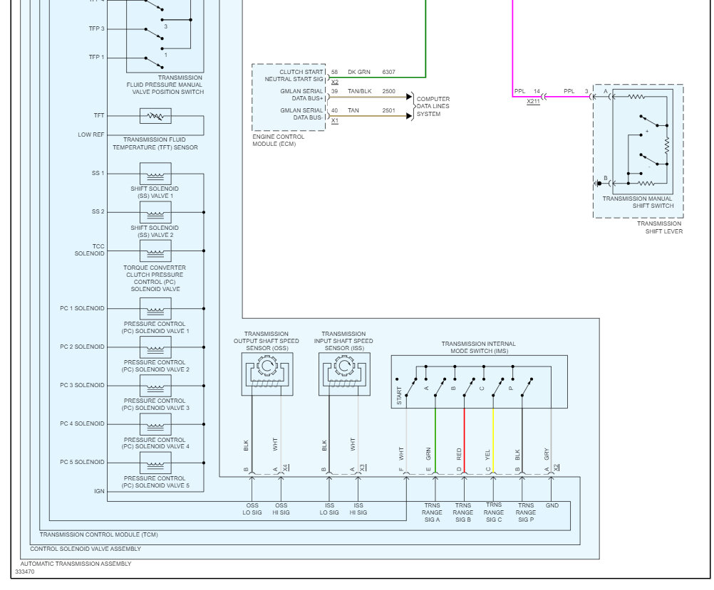
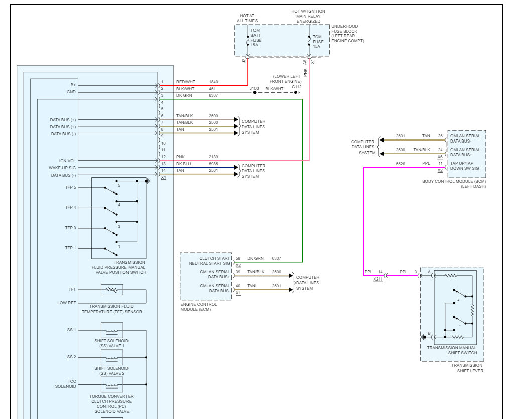
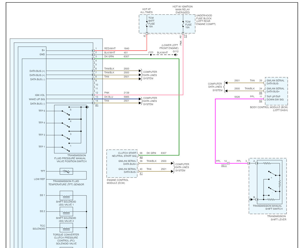
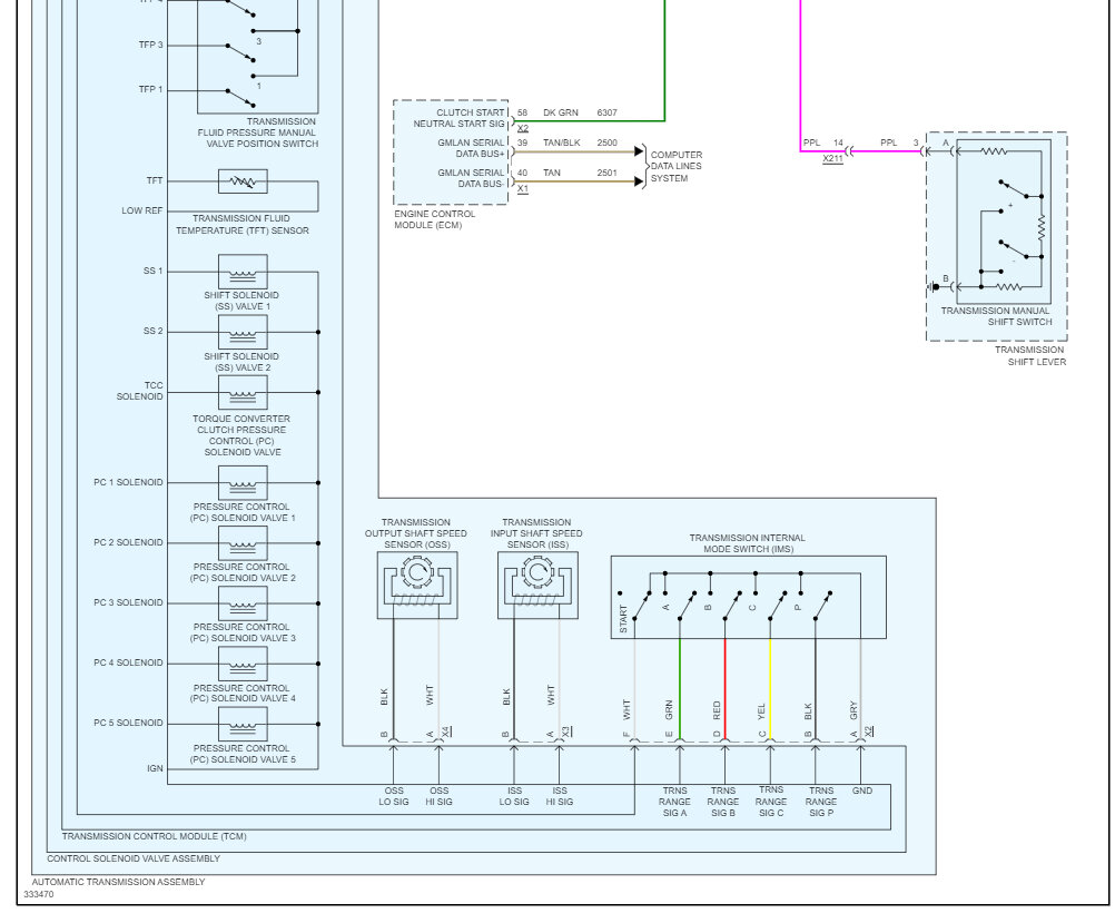
The P0742 trouble code is related the Torque Converter Clutch (TCC) Solenoid Circuit. Here is how to change it out to fix the problem, please clear the codes when completed. You will need to remove the transmission side fluid pan. Check out the images (below). Please let us know what happens.
Sep 13, 2023 at 11:22 AM