Engine will not crank and code p0725

2002 DODGE DAKOTA
167,000 MILES • 4.7L • V8 • 4WD
Avatar
KINGREMY82
  • MEMBER
  • 1 POST
I just purchased the vehicle listed above. i drove the truck for 2 weeks it kept cutting off on me now it doesn't want to crank. I changed the cam shift sensor and the crank shift sensor, but still won't crank.
Sep 18, 2020 at 3:33 AM
Advertisement
Avatar
ASEMASTER6371
  • CERTIFIED EXPERT
  • 52,796 POSTS
Good morning,

This code is for the transmission not seeing a crank signal from the crank sensor.

https://www.2carpros.com/articles/how-a-crank-shaft-angle-sensor-works

I attached possibilities and a flow chart for you to follow.

You will need to verify voltages at the crank sensor to see if the proper signals are at the connector. Do you have a volt meter to do some testing?

https://www.2carpros.com/articles/how-to-check-wiring

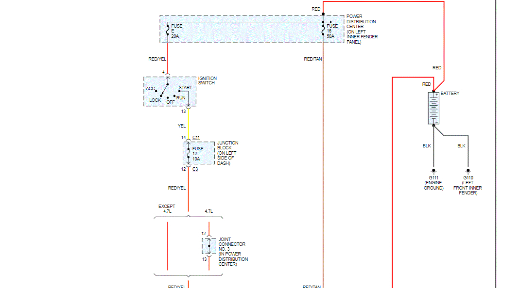
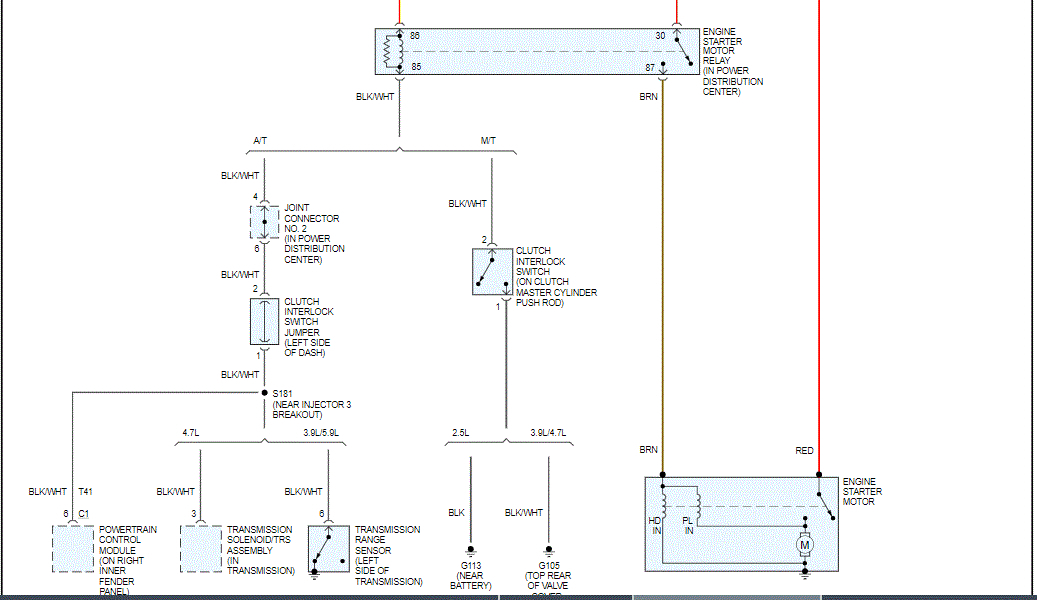
I also attached a wiring diagram for the starting system. I was not sure if you meant it would not crank or it cranked and would not start.

https://www.2carpros.com/articles/how-to-check-an-electrical-relay-and-wiring-control-circuit

Roy

SYMPTOM
P0725 - ENGINE SPEED SENSOR CIRCUIT

WHEN MONITORED
Continuously with engine running.

SET CONDITION
This code is set when the engine speed sensed by the Transmission Control Module (TCM) is less than 400 rpm and the engine is running (As reported by the PCM over the communication bus) for 2 seconds. This DTC can take up to five minutes of problem identification before illuminating the MIL.

POSSIBLE CAUSES
Related PCM DTC's present
Intermittent wiring and connectors
CKP signal circuit open to TCM
Sensor ground circuit open to TCM
TCM - Engine speed sensor circuit
Sep 18, 2020 at 4:15 AM