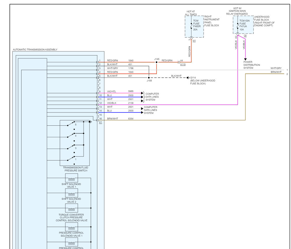
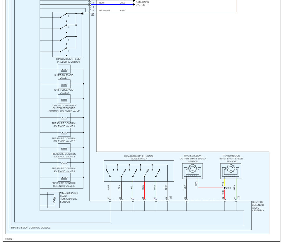
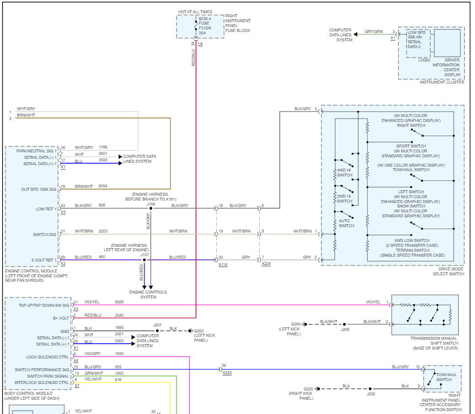
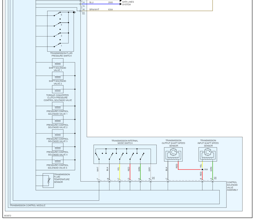
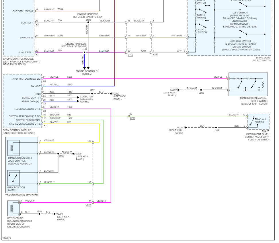
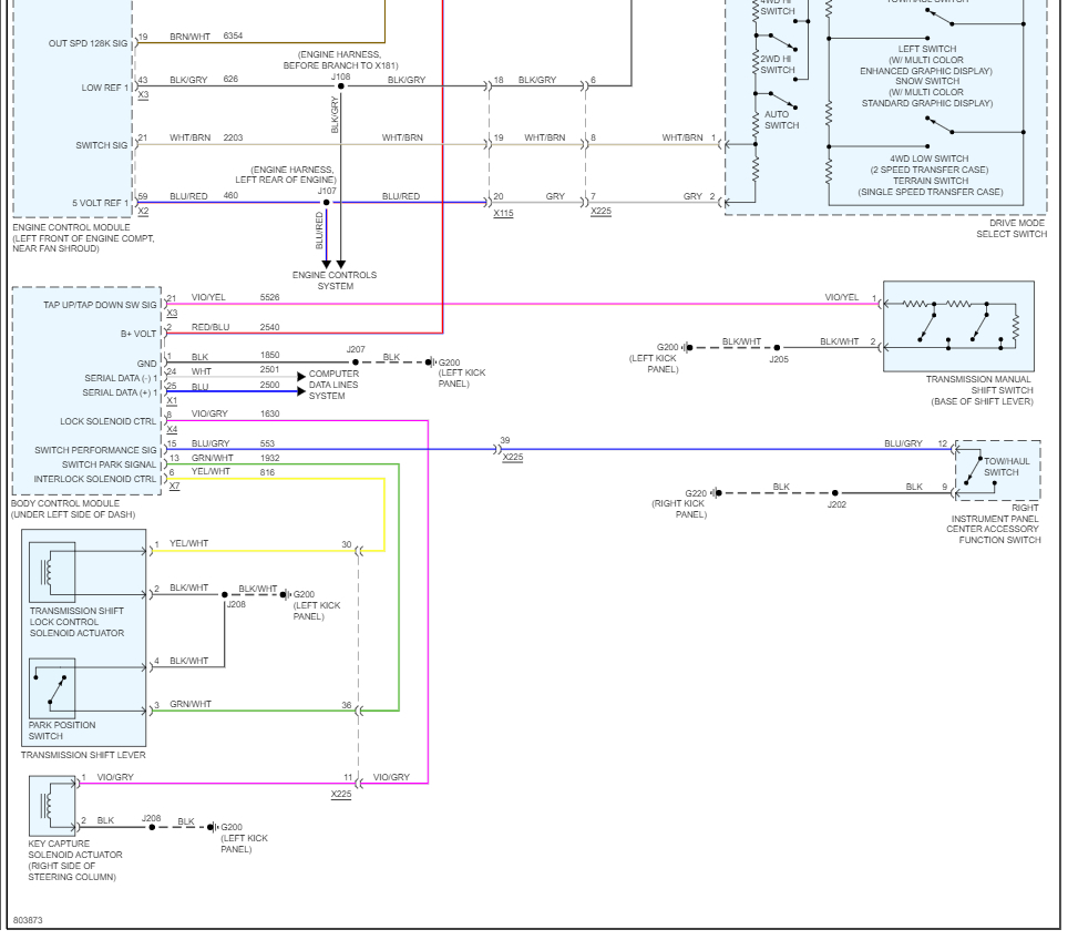
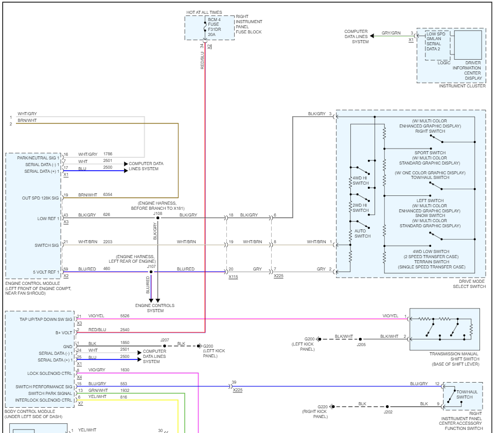
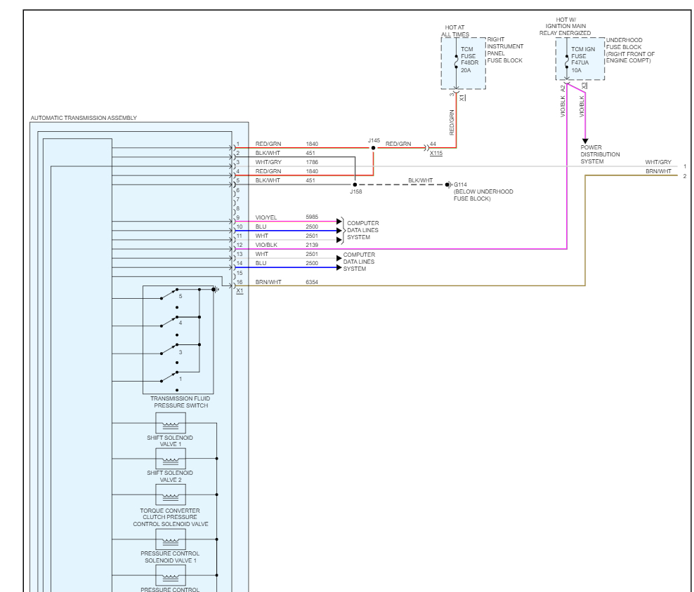
The truck listed above is a 6500 HD, brand new. randomly threw this code and won't shift out of first gear. I was looking for a TCM wiring diagram and some helpful advice to get it up and going quick.
Jun 2, 2023 at 12:01 PM















