Codes P0700 and P0752

2010 CHEVROLET MALIBU
97,000 MILES • 4 CYL • 2WD • AUTOMATIC
Avatar
ANTHONY COOK
  • MEMBER
  • 17 POSTS
I have those two codes. I’ve changed out the TCM and pressure and cooling lines still will have the vehicle driving normal but at random times mainly in low gear it will get stuck in limp mode. everyone tells me to change transmission, mine doesn’t have 100 on it and I don’t want to put a new one in so could I just change out the valve body and that solve the problem?
May 6, 2021 at 2:30 PM
Advertisement
Avatar
ASEMASTER6371
  • CERTIFIED EXPERT
  • 52,796 POSTS
Good afternoon,

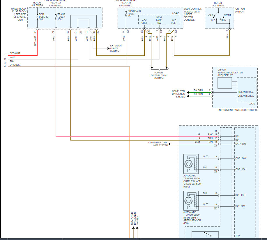
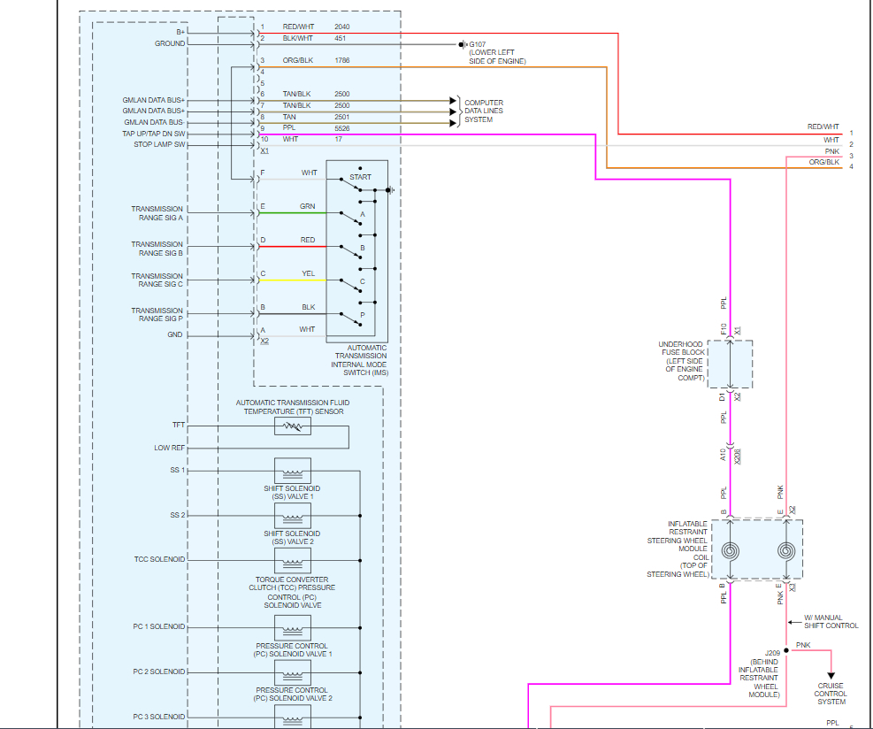
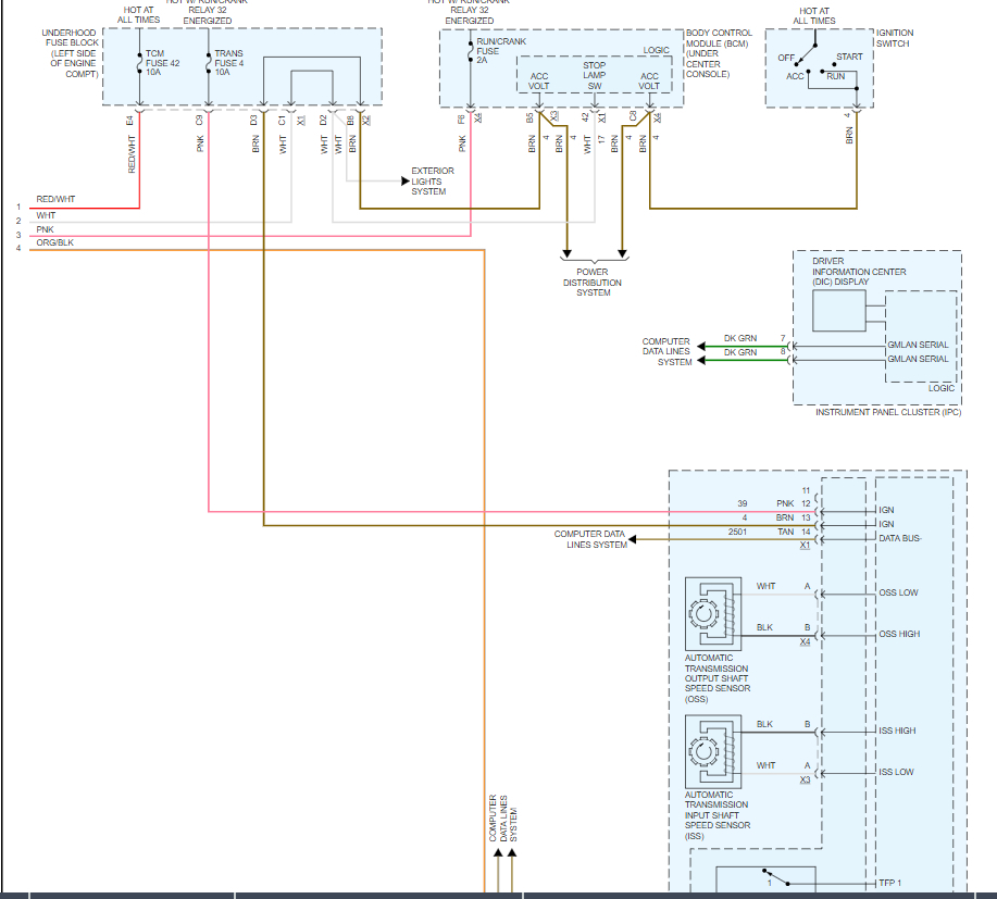
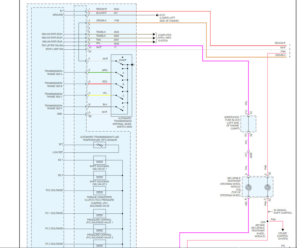
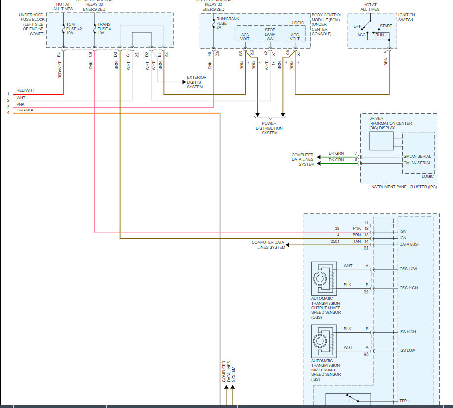
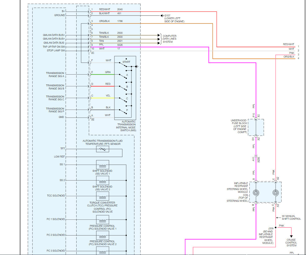
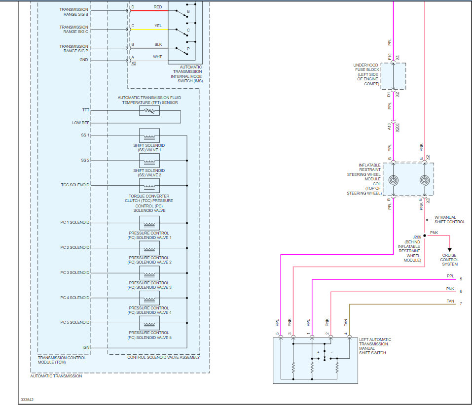
I attached the possibilities for you for review. It could be the valve body but needs to be confirmed. There are many other possibilities for this as well.

https://www.2carpros.com/articles/automatic-transmission-problems

https://www.2carpros.com/articles/how-to-service-an-automatic-transmission

I would start by changing the fluid and filter. It should be done every 50,000 miles.

I also attached the flow chart for determining the failure for you as well.

Roy
May 6, 2021 at 3:30 PM
Avatar
ANTHONY COOK
  • MEMBER
  • 17 POSTS
Fluids been changed when the TCM and the lines were replaced, I’m honestly not sure whether I should drop the used transmission into the car or just take the valve body and try that trying to pinch pennies and time.
May 6, 2021 at 3:44 PM
Advertisement
Avatar
ANTHONY COOK
  • MEMBER
  • 17 POSTS
Here’s the work that was just done:
May 6, 2021 at 3:44 PM
Avatar
ANTHONY COOK
  • MEMBER
  • 17 POSTS
The shop won’t honor their warranty going through a dispute so I’m trying to take care of it myself.
May 6, 2021 at 3:44 PM
Avatar
ANTHONY COOK
  • MEMBER
  • 17 POSTS
Here’s a driving video during failure:
May 6, 2021 at 3:46 PM
Avatar
ASEMASTER6371
  • CERTIFIED EXPERT
  • 52,796 POSTS
I could not read the invoices at all. Can you take pictures much closer for me to see?

Roy
May 6, 2021 at 3:49 PM
Avatar
ANTHONY COOK
  • MEMBER
  • 17 POSTS
The other invoice was for water pump and radiator fans because they claimed that was why it was acting up still.
May 6, 2021 at 3:51 PM
Avatar
ASEMASTER6371
  • CERTIFIED EXPERT
  • 52,796 POSTS
Okay, thanks. I did notice there was no charge for a diagnostic.

Did you request this work or did they tell you it was what was wrong with your car?

Roy
May 6, 2021 at 4:02 PM
Avatar
ANTHONY COOK
  • MEMBER
  • 17 POSTS
I requested a diagnostic on my transmission since it went into limp mode during snow fun, they said it needed a TCM most likely so that’s how it all started.
May 6, 2021 at 4:03 PM
Avatar
ANTHONY COOK
  • MEMBER
  • 17 POSTS
Kept calling me back saying it needed a fluid change along with because they’d lose the fluid and filter while they had the transmission dropped changing the lines out because those had leakage at the seals he showed that to me. so I believed that the fans I knew my driver side was bad so replaced that. then they called with the water pump saying it was bad. never seen or had any problems overheating until all of this, but it hasn’t overheated again just the limp mode.
May 6, 2021 at 4:04 PM
Avatar
ASEMASTER6371
  • CERTIFIED EXPERT
  • 52,796 POSTS
Okay, since they diagnosed it, they should stand behind the repair. If the recommended repair did not work, you should not be responsible for the TCM-related work.

Roy
May 6, 2021 at 4:14 PM
Avatar
ANTHONY COOK
  • MEMBER
  • 17 POSTS
Yeah, I already know, I’m filing a dispute. I don’t know what else to do? Any suggestions they ended up having the cops contact me and claim that if I was to show up on their property that I will be charged trespassing the cop told me I could call though. so I called then a few days later they had cops contact and said if I called back harassment charges. And the tried to recommend a used transmission with 175,000 on it for $2,300.00 not including install.
May 6, 2021 at 4:18 PM
Avatar
ANTHONY COOK
  • MEMBER
  • 17 POSTS
I declined that, considering mine has 97,000.
May 6, 2021 at 4:18 PM
Avatar
ASEMASTER6371
  • CERTIFIED EXPERT
  • 52,796 POSTS
How did you pay? Check or credit card?

Roy
May 6, 2021 at 4:23 PM
Avatar
ANTHONY COOK
  • MEMBER
  • 17 POSTS
Credit card.
May 6, 2021 at 4:23 PM
Avatar
ASEMASTER6371
  • CERTIFIED EXPERT
  • 52,796 POSTS
Call the credit card company and stop the payment. Then they will have to come after you for the money.

Roy
May 6, 2021 at 4:28 PM
Avatar
ANTHONY COOK
  • MEMBER
  • 17 POSTS
They payment went through already it took about 2 weeks until my car messed up the first time and they dragged it on for a few weeks after that including another visit where the mechanic cleared my codes and told me to return with it Monday. then that’s when I got the call from the cops about 15 minutes after I had left there saying I was to not step foot. explained my side he said there was nothing he could do but he could make sure I went to jail for trespassing if I went back up there. ironic put in a fiza request and talked to a lawyer they actually work for the city so they are tied in with the police and the city hall they work on their vehicles unofficially. And locally owned and operated. Only took my car there because I had a seized caliper bolt I was having issues with at my girlfriends house up there in Ky I’m from Mo and he got it for me and didn’t charge a cent so when I was up there and had my transmission problem i thought he’d be very reliable... that’s what I get for thinking.
May 6, 2021 at 4:44 PM
Avatar
ASEMASTER6371
  • CERTIFIED EXPERT
  • 52,796 POSTS
Okay, then the only thing left is you taking him to court for a refund. File it at your home so he has to show up there.

Roy
May 6, 2021 at 4:46 PM
Avatar
ANTHONY COOK
  • MEMBER
  • 17 POSTS
Perfect, I’ll try that thank you. But as far as diagnosis and changing the valve as opposed to the whole transmission what is your opinion there? And do I need to drop the subframe for that?
May 6, 2021 at 5:08 PM
Avatar
ANTHONY COOK
  • MEMBER
  • 17 POSTS
Or is it something I could do with my car on jack stands?
May 6, 2021 at 5:09 PM
Avatar
ASEMASTER6371
  • CERTIFIED EXPERT
  • 52,796 POSTS
I attached the procedure for you for the removal of the transmission. The book pays 10 hours which means it will take you at least 2 times that.

No, it does not say to drop the subframe at all.

Roy

May 6, 2021 at 5:31 PM
Avatar
ANTHONY COOK
  • MEMBER
  • 17 POSTS
So change the whole transmission and not just the valve body?
May 6, 2021 at 7:21 PM
Avatar
ASEMASTER6371
  • CERTIFIED EXPERT
  • 52,796 POSTS
Yes, I would. I do not believe it is the valve body at all.

Roy
May 6, 2021 at 7:29 PM
Avatar
ANTHONY COOK
  • MEMBER
  • 17 POSTS
But why is it so intermittent? only really happens when it’s hot outside.
May 6, 2021 at 7:35 PM
Avatar
ASEMASTER6371
  • CERTIFIED EXPERT
  • 52,796 POSTS
Seals for the clutches are affected by heat both from inside the transmission and the outside temperature.

Roy
May 6, 2021 at 7:39 PM
Avatar
ANTHONY COOK
  • MEMBER
  • 17 POSTS
Understood. thank you for the assistance. I will give update!
May 6, 2021 at 8:19 PM
Avatar
ASEMASTER6371
  • CERTIFIED EXPERT
  • 52,796 POSTS
You are welcome.

Always glad to help.

Roy
May 6, 2021 at 8:31 PM