Codes P0581/P0593

2009 DODGE JOURNEY
132,350 MILES • 2.4L • 4 CYL • 2WD • AUTOMATIC
Avatar
MITCHRUBIN09
  • MEMBER
  • 16 POSTS
I have the vehicle listed above SE. even though the car doesn't have cruise control (wasn't an option with this SE from the factory) I'm getting two codes p0581 and p0593 (speed control switch 1 and 2 circuit high). Those 2 codes have to do with the cruise control which my car doesn't even have! Now a secondary thing that's going on which may be a hint as to why I'm getting those codes, is that my airbag light comes off and on intermittently and shows I need to fix the clock spring. I heard a faulty clock spring could potentially set those 2 codes off. Now here's the 3rd and final part of all this all the most important one, when in driving then downshifting and coming to brake the rpm's will jump up a few hundred rpm at around 1,350 then again at 1,000 up to maybe 1,300. If i don't let go of the brake it'll only do the rpm jump a tab, if i don't brake hard it can even get stuck at 1000 for a couple seconds the jerk me forward and go back down to 1,000 rpm's. Can all these electrical codes be causing my rpm's so jump up while braking/downshifting? The cruise control does affect rpm, so if my car thinks there is a cruise control problem that's could cause it, but why only when downshifting? I went to a transmission guy and there are no codes and he thinks it's nothing to do with the transmission. Anyways, has anyone has any experience with this insanity? Thank you so much guys. thanks again.
Oct 25, 2019 at 6:54 PM
Advertisement
Avatar
ASEMASTER6371
  • CERTIFIED EXPERT
  • 52,796 POSTS
Good morning,

Please give me all the code numbers in your system. I need the airbag code. Codes never tell you to replace anything.

The clock spring could be producing these codes. The 2 codes you sent me do indicate the clock spring as a possibility.

As far as the airbag, I still need the code to help with that.

No, these issues will not cause the irregular idle issue.

Roy

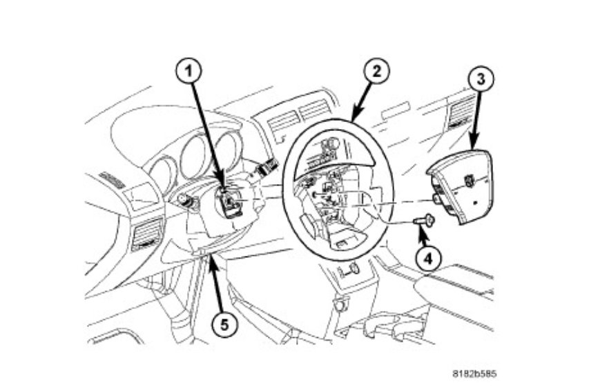
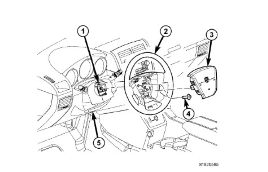
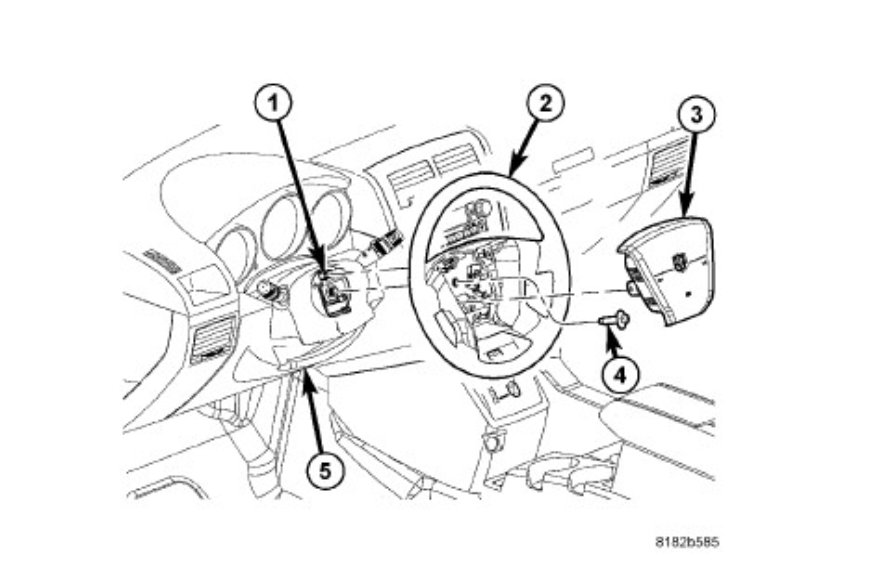
Caution: When installing the steering wheel, the clock-spring must be centered in its travel to avoid overextending the clock-spring inner parts, causing the clock-spring to become inoperative. If removed and handled properly using the correct procedures, it should be in the "centered" position. If there is any question as to whether the clock-spring is in the "centered" position of travel, perform the clock-spring centering procedure before proceeding. See: Clockspring Assembly / Spiral Cable, Air Bag > Procedures > Clockspring Centering .
Oct 26, 2019 at 6:12 AM
Avatar
MITCHRUBIN09
  • MEMBER
  • 16 POSTS
I've been getting p0581 p0593 which is Speed control switch 1 and 2 circuit high. My car does not have cruise control so it's odd those codes would comes up. Secondary to that my airbag light would flash off and on intermittently so I took it to my mechanic to see what code it's reading and unfortunately I didn't get a chance to see the code, he said it's the clock spring. Then upon doing further research I saw all 3 could be connected. Like by fixing the clock spring it could "erase" those codes? Or maybe I would have to do a factory reset? I dunno. Is there a specific reason you need the exact code that the airbag popped up? By the way, thanks for the reply and I really appreciate your help.
P.S. I wish the downshifting rpm jump at around 1,300 rpm and again at 1,000 rpm's (both times it jumps up when it hits those spots unless I'm braking hard it'll only skip a tiny bit) was related 2 all this, but I'm not that lucky.
Oct 26, 2019 at 2:17 PM
Advertisement
Avatar
MITCHRUBIN09
  • MEMBER
  • 16 POSTS
As a side note if I'm not getting any transmission codes or engine codes (other than p0581 p0593) what on earth would be causing my jerking downshifting. I thought it could be the throttle (which I cleaned) but if the throttle was bad it would have thrown a sensor. I thought maybe these "cruise control" codes would be causing it because cruise control can affect rpm's especially if the car thinks there's a problem with the cruise control and my car doesn't even come with cruise control (obviously the wiring is there but it's blocked) so I thought if the car thinks there's an issue with the cruise control it could fuck up my downshifting but I'm pulling at straws here maybe. Or maybe it has something to do with my new brakes and new lines put in a couple months ago but I can't compare because I wasn't driving it before then, I am so confused!
Oct 26, 2019 at 2:36 PM
Avatar
ASEMASTER6371
  • CERTIFIED EXPERT
  • 52,796 POSTS
I would try to get me the code. I need that for the airbag.

As far as the 2 codes, you may have to have the PCM updated so it does not see that information anymore.

Roy
Oct 26, 2019 at 6:46 PM
Avatar
MITCHRUBIN09
  • MEMBER
  • 16 POSTS
Thanks for the reply Roy, I'll get you the airbag code Monday morning and message you on here. I really appreciate your replies.
Oct 26, 2019 at 10:44 PM
Avatar
MITCHRUBIN09
  • MEMBER
  • 16 POSTS
is it possible my vehicle has a transmission factory update that's never been done which could be causing this? I'll go by the dealership Monday morning (they don't charge me for stupid shit like this, hooking up the odbII reader and seeing if there are updates), but if there was a factory transmission reset that was never done that could cause some issues but first things first, I'll get you the code.
Oct 26, 2019 at 10:48 PM
Avatar
ASEMASTER6371
  • CERTIFIED EXPERT
  • 52,796 POSTS
You are welcome.

They can check the software version for you and tell if there has been an update. It is not a reset, it is a reprogram of the software.

Roy
Oct 27, 2019 at 5:19 AM
Avatar
MITCHRUBIN09
  • MEMBER
  • 16 POSTS
Oh okay, I'll let you know if there's an update/reprogram of the software and I'll get you the airbag code. Thanks again Roy.
Oct 27, 2019 at 11:35 AM
Avatar
ASEMASTER6371
  • CERTIFIED EXPERT
  • 52,796 POSTS
You are welcome.

Roy
Oct 27, 2019 at 12:06 PM
Avatar
MITCHRUBIN09
  • MEMBER
  • 16 POSTS
These are the 3 codes. The airbag one is B1B06 and as you can see from all 3 codes all 3 circuits are high. Whatever that means lol. I'm thinking the B1B06 aka clock spring (right?). Is causing the other 2 codes to go off and my car doesn't even have cruise control. As for the software thing the dealership can't just check that, that's part of a diagnostic which is $162.00, so I doubt I'll so it unless I really have to and no one can ever figure out why the rpm's go up while downshifting. Once again thanks for your help and time Roy.
Oct 28, 2019 at 3:01 PM
Avatar
ASEMASTER6371
  • CERTIFIED EXPERT
  • 52,796 POSTS
The 2 B codes you showed are for unidentified keys.

Did you use an incorrect key to start?

The other ones should be part of the update on the software since you do not have cruise.

I would not get a clock spring. What makes you think you need a clock spring?

Roy
Oct 28, 2019 at 3:14 PM
Avatar
MITCHRUBIN09
  • MEMBER
  • 16 POSTS
Hey Roy, I know this might sound crazy, but I'm having a hard time understanding everything via typing, is there anyway if you had a few minutes you could explain it to me over the phone? I'll give you my phone number and you can call me via what's app so it's free. if that's something your willing to do, if not I understand buddy.
Oct 28, 2019 at 5:47 PM
Avatar
MITCHRUBIN09
  • MEMBER
  • 16 POSTS
By the way, the reason I think/thought i need a clock spring is because the airbag light keeps coming off and on.
Oct 28, 2019 at 5:49 PM
Avatar
ASEMASTER6371
  • CERTIFIED EXPERT
  • 52,796 POSTS
What do you not understand?

Roy
Oct 28, 2019 at 5:50 PM
Avatar
MITCHRUBIN09
  • MEMBER
  • 16 POSTS
The first code is also a B code, you said my 2 B codes and I have 3. You are saying the first B code which has to do with the airbag has nothing to do with the speed circuit high codes and the reason I'm getting these codes is most like because of the bottom 2 codes which are also B codes? And I need a factory update done?
Oct 28, 2019 at 6:06 PM
Avatar
ASEMASTER6371
  • CERTIFIED EXPERT
  • 52,796 POSTS
What was the third B code. I could not read it in the picture.

Roy
Oct 28, 2019 at 6:35 PM
Avatar
MITCHRUBIN09
  • MEMBER
  • 16 POSTS
B1b06, b1a35, b1a25 a. those 3 say stored under status, the p0593 and p0581 says active under status.
Oct 28, 2019 at 7:08 PM
Avatar
ASEMASTER6371
  • CERTIFIED EXPERT
  • 52,796 POSTS
Can you verify the B1b06 code? I see nothing at all for this code for your car.

Roy
Oct 29, 2019 at 12:51 PM
Avatar
MITCHRUBIN09
  • MEMBER
  • 16 POSTS
The first code is b1b06 (status/stored)-driver airbag squib 2 circuit high. The next code is p0581(status/active)-speed control switch 1 circuit high and the 3rd code is p0593 (status/active)-speed control switch 2 circuit high. I attached a picture, not sure why you couldn't see the b1b06 code? But it's there with the other 2.
Oct 29, 2019 at 6:42 PM
Avatar
ASEMASTER6371
  • CERTIFIED EXPERT
  • 52,796 POSTS
I am not saying I cannot see it on your picture, I do not see it in my information system.

Anyway, the explanation indicates a short somewhere in the harness with the high voltage code. Yes, it could be the clock spring but also could be a short somewhere else.

https://www.2carpros.com/articles/how-to-check-wiring

I would start by getting the reprogramming done for the other codes so they do not mislead you to thinking the other codes may not be real.

Roy
Oct 30, 2019 at 2:42 AM
Avatar
MITCHRUBIN09
  • MEMBER
  • 16 POSTS
How do I do the reprogramming done for the other codes? Do I have to take it to Chrysler and have them do it for $162,00? or can an electrician mechanic do it? I assume the safest and most reliable bet it Chrysler eh? You are saying Chrysler can hook it up to their computer and see where the short it that's causing it and fix it? You think a mechanic electrician would also be able to do that? Thanks again Roy! You're a big help.
Oct 30, 2019 at 4:50 AM
Avatar
ASEMASTER6371
  • CERTIFIED EXPERT
  • 52,796 POSTS
You need a mechanic with the scan tool to access the factory web site to download the software and upload it to your PCM.

Roy
Oct 30, 2019 at 9:32 AM
Avatar
MITCHRUBIN09
  • MEMBER
  • 16 POSTS
Okay, thanks Roy. I'll call around different mechanics I know and see if they have that or should I call an electrician mechanic instead? What do you think? Thanks bud.
Oct 30, 2019 at 10:50 AM
Avatar
ASEMASTER6371
  • CERTIFIED EXPERT
  • 52,796 POSTS
Call around for a mechanic. You need someone who is familiar with this procedure.

Roy
Oct 30, 2019 at 12:38 PM
Avatar
MITCHRUBIN09
  • MEMBER
  • 16 POSTS
Will do. I know an electrician mechanic who specializes in software updates/programs (re-programming) so hopefully he'll be able to help me out. If not I guess Chrysler it is and their insane dealership prices. Lol.
P.S. if I have take it to Chrysler, who knows, maybe I can persuade a specialist there to hook my car up to the software program/computer for free while enticing/bribing him with a bottle of whiskey, hahaha.
Oct 30, 2019 at 12:48 PM
Avatar
ASEMASTER6371
  • CERTIFIED EXPERT
  • 52,796 POSTS
The worse they can say is no.

Roy
Oct 30, 2019 at 12:51 PM
Avatar
MITCHRUBIN09
  • MEMBER
  • 16 POSTS
Haha yup. Anyways, I really appreciate all your advice and help. I'll let you know what happens.
Oct 30, 2019 at 1:33 PM
Avatar
ASEMASTER6371
  • CERTIFIED EXPERT
  • 52,796 POSTS
Did you respond? I got an email and nothing came up.

Roy
Oct 30, 2019 at 2:18 PM