Code P0500, the symptoms are speedometer not working?

2004 NISSAN ARMADA
195,000 MILES • 6.5L • V8 • 4WD • AUTOMATIC
Avatar
KBFRANKLIN20
  • MEMBER
  • 7 POSTS
Good afternoon. The truck is giving P0500 trouble code, and the symptoms are speedometer not working and some hesitation and jerking at times while driving. On the dash it shows VDC Off, SLIP and ABS. Based on the code I believe it is the vehicle speed sensor but cannot find the sensor on the transmission. My question is where is the speed sensor located and based of the symptoms and the code, do you believe the speed sensor is the issue?
Sep 20, 2024 at 10:55 AM
Advertisement
Avatar
JACOBANDNICKOLAS
  • CERTIFIED EXPERT
  • 110,175 POSTS
Hi,

The vehicle speed signal is sent to the speedometer from the "ABS actuator and electric unit (control unit)" by a CAN communication line. The speedometer then sends a signal to the ECM by CAN communication line. Basically, the VSS is a wheel speed sensor which communicates through the ABS module. See pic below for basic diagnostics

Is this the only code that is present in the CAN-bus? I ask because what you described could be the result of a few things. For example, a wheel speed sensor, CAN communication connection, the ABS control unit, and so on.

Is the scan tool used to retrieve the code able to scan the entire can-bus system? I'm asking because there could be communication codes not showing up if the scanner can read them. Also, if it can read live data, check to see if the wheel speed sensors are indicating the same speeds. You may simply have a faulty wheel speed sensor.

Let me know.

Joe

See pic below.
Sep 20, 2024 at 8:26 PM
Avatar
KBFRANKLIN20
  • MEMBER
  • 7 POSTS
Good afternoon,

Are you saying that there is no VSS but only the two wheel speed sensors? I see the wheel speed sensors on the two front wheels but thought there was a separate VSS on the transmission. I believe the scan tool do scan the entire can-bus system but not a 100% on that. I have added a picture of the scan tool, the codes and a picture of the dash board.
Sep 21, 2024 at 11:09 AM
Advertisement
Avatar
JACOBANDNICKOLAS
  • CERTIFIED EXPERT
  • 110,175 POSTS
Hi,

You are correct. The vehicle speed is recorded by the wheel speed. The vehicle speed signal is sent to the speedometer from the "ABS actuator and electric unit (control unit)" by CAN communication line.

There are 4 speed sensors on the vehicle. (See pic below) If your scanner has live data, watch to see if the wheel speed sensors are all the same or if one is off.

Let me know.

Joe

See pic below.
Sep 22, 2024 at 7:42 PM
Avatar
KBFRANKLIN20
  • MEMBER
  • 7 POSTS
Okay, got it. So, there are the four wheel speed sensors and need to check to see if one is off. The last question. Is there not another speed sensor for this particular vehicle that is on the transmission? I cannot find one but had seen information other places that it may be.
Sep 23, 2024 at 7:14 AM
Avatar
KBFRANKLIN20
  • MEMBER
  • 7 POSTS
Hi,

So, I checked all four wheel speed sensors with a multimeter and they are good but the connector that the wheel speed sensor in the back connects to is not reading any ohms. I followed the harness but do not see any damaged wiring.
Sep 24, 2024 at 3:21 PM
Avatar
JACOBANDNICKOLAS
  • CERTIFIED EXPERT
  • 110,175 POSTS
Hi,

It sounds like you are on the right track. We need to get our hands on a scan tool that can check for the signal at the wheel you noticed a problem with. Otherwise, we are going to replace expensive parts that may not be bad.

Are you able to get your hands on one?

Joe
Sep 24, 2024 at 7:22 PM
Avatar
KBFRANKLIN20
  • MEMBER
  • 7 POSTS
The wheel sensors on all four wheels are showing the correct ohms so they are good and working. The senors and connectors for the front on both sides are working. What is not registering anything ohms and showing OL is the connector the wheel sensors for the two rear wheels connect to. This is only in the back on both sides for the connector but not the wheel sensor. I should be able to get a scan tool but since both sensors are good do we still need one?
Sep 24, 2024 at 7:48 PM
Avatar
JACOBANDNICKOLAS
  • CERTIFIED EXPERT
  • 110,175 POSTS
x
Sep 24, 2024 at 8:14 PM
Avatar
STRAILER
  • CERTIFIED EXPERT
  • 53,854 POSTS
Hmm not sure what X is but, I have seen the ABS control module go out causing this issue, there is no VSS sensor on the transmission, they use the data from the ABS module. Here is how to replace it. Make sure to clear the codes when done. Check out the images (below). Please let us know what happens.



Oct 1, 2024 at 5:02 PM
Avatar
KBFRANKLIN20
  • MEMBER
  • 7 POSTS
Thanks Joe! That was the one piece of clarification I needed in reference to there not being a VSS on the transmission. Is there a way to to test the ABS module before changing it or based on the things we have ruled out there is a good chance it is the issue?
Oct 2, 2024 at 4:52 PM
Avatar
STRAILER
  • CERTIFIED EXPERT
  • 53,854 POSTS
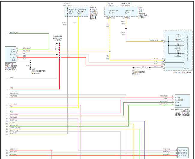
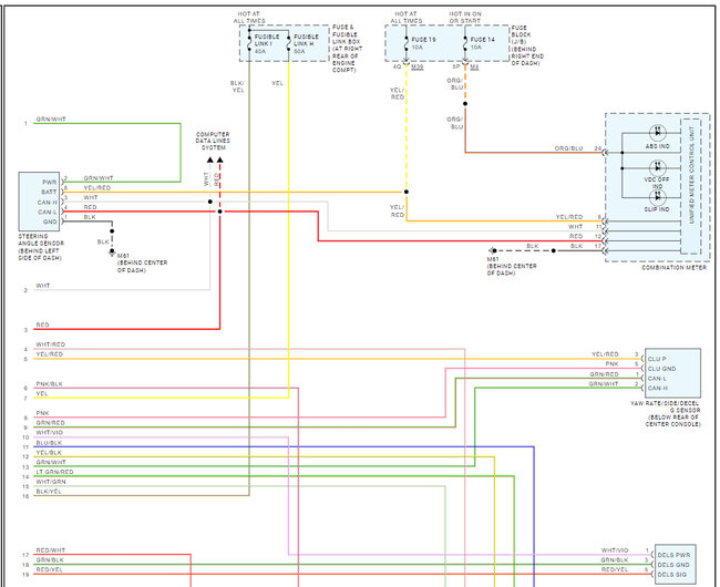
Not really, I know from experience the ABS module is bad. The sensor is integral and the fact that all of the lights are on. Did you check the fuses, correct? Here is a guide to help you and the ABS system wiring diagrams so you can see how the system works and which fuses to check.

https://www.2carpros.com/articles/how-to-check-a-car-fuse

Check out the images (below). Please let us know what happens.


Oct 3, 2024 at 9:47 AM
Avatar
KBFRANKLIN20
  • MEMBER
  • 7 POSTS
Thanks for the info Ken. I will check it out and let you know.
Oct 3, 2024 at 9:53 AM
Avatar
STRAILER
  • CERTIFIED EXPERT
  • 53,854 POSTS
Sounds good.
Oct 3, 2024 at 10:00 AM