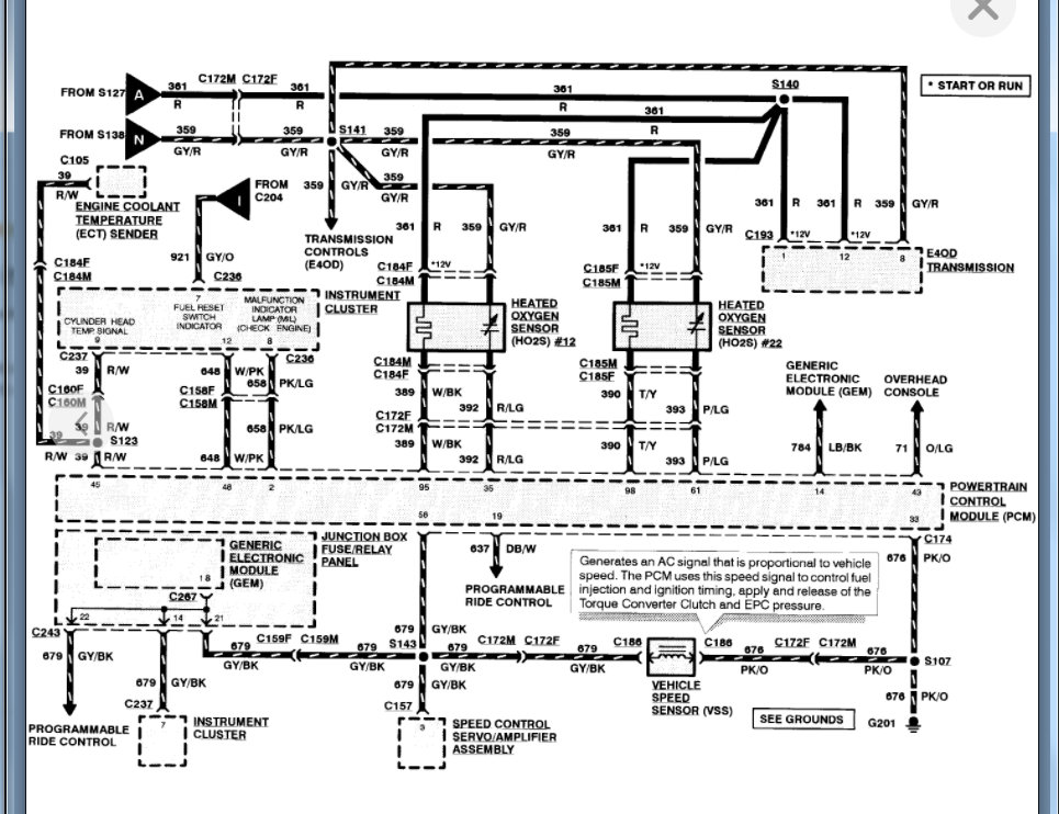
So at first it threw the p0500 code. So I checked the connector for voltage and the voltage was there. There were no signs of corrosion or breaks in the wires. So then I replaced the sensor problem still exists. Then it threw the P1500 code so I checked the sensor in the transmission for resistance and the connector for the 5 voltage reference and that checked out good. The problem only exists when the transmission is cold, once it warms up the truck rides like normal. Can anyone help?
Nov 2, 2020 at 4:03 PM




