P0449 Vent control circuit intermittent

2003 BUICK RENDEZVOUS
94,000 MILES • 3.4L • 6 CYL • FWD • AUTOMATIC
Avatar
DSWITZ
  • MEMBER
  • 1 POST
Trying to pass emissions test failed once code P0449 changed charcoal canister, vapor canister vent solenoid, gas cap, cleaned corrosion out of evaporator electrical connection cleared code and light came back on after 25 KM, cleared and comes up yellow not passing emissions states P0449 vent control circuit intermittent. My car has 94,000 miles and an automatic transmission. Not sure what to change next.
Oct 3, 2016 at 6:21 PM
Advertisement
Avatar
JIS001
  • CERTIFIED EXPERT
  • 3,412 POSTS
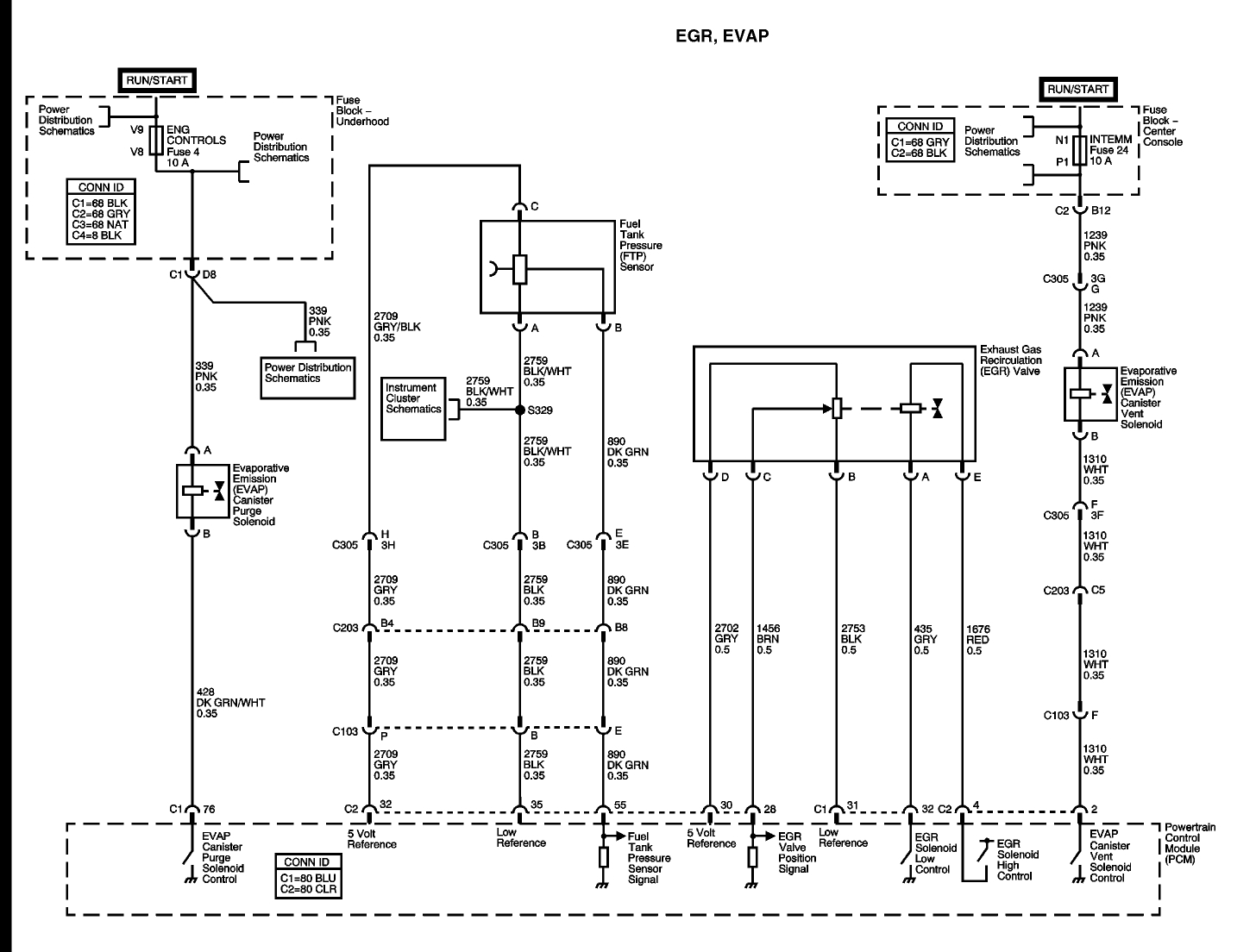
P0449
CIRCUIT DESCRIPTION
An ignition voltage is supplied to the evaporative emission (EVAP) canister vent valve. The control module grounds the EVAP canister vent valve control circuit to close the valve by means of an internal switch called a driver. The scan tool displays the commanded state of the EVAP canister vent valve as ON or OFF. The control module monitors the status of the driver. If the control module detects an incorrect voltage for the commanded state of the driver, this DTC sets.

So what you are going to want to test here is if the pcm is supplying the ground to the vent solenoid or not and if there is power. And when the pcm grounds the solenoid is it closing?

Attaching wiring diagram....

First thing you need to check is fuse #24 10amps. If fuse is blown then that is your problem. If ok disconnect the vent valve connector and grab a test light. Back probe the pink wire with test light clipped to a good ground. If it lights up power circuit is good. If no power then trace wire for an open circuit. You do not want to probe at the female terminal or you could damage it by spready it open to where it wont make contact with the pin on vent valve.

To check the ground you will need to get a scan tool that will let you do such test. Unclip test light from ground and get a pin and back probe the ground circuit which is the white wire. So now you will have a loop. Using scan tool command the solenoid on and off. Test light should come on and off. If it does the vent valve is defective. If test light does not come on ohm out white wire from vent valve connector to pcm. If wire ohms out less then 1 ohm then the pcm is faulty. If test light stays on all the time then check for a short to power. If ok PCM is faulty.

Also inspect the female pins on the vent valve connector for any damage or corrosion. If pins are corroded buy some electric contact cleaner from your local parts store to clean. And make sure pins do not look spread open. If they do try to pinch them back closer using a small pic. Hopefully it turns out you only have a bad fuse.

Oct 3, 2016 at 11:32 PM
Avatar
JIS001
  • CERTIFIED EXPERT
  • 3,412 POSTS
I am having problems uploading diagram from my phone. Will do it tomorrow from my shop computer if it does not.upload?
Oct 3, 2016 at 11:36 PM
Advertisement
Avatar
JIS001
  • CERTIFIED EXPERT
  • 3,412 POSTS
Here is the diagram.
Oct 4, 2016 at 10:04 AM
Avatar
GLENN
  • MEMBER
  • 1 POST
i have an 2003 buick rendezvous and it has an code of PO449 and the parts place gave me an purge canister to put on it but it still want crank an i found out the igntion control mod. was bad what eles could it be and how to fix it
Nov 7, 2018 at 5:23 PM (Merged)
Avatar
GMTECH
  • CERTIFIED EXPERT
  • 537 POSTS
The most likely problem is there is a connector under the carpet by the left rear door. These vehicles have had issues with water getting into the connectors, causing all sorts of issues
Nov 7, 2018 at 5:23 PM (Merged)
Avatar
DLKNIGHT1
  • MEMBER
  • 2 POSTS
have a code po449,
Nov 7, 2018 at 5:23 PM (Merged)
Avatar
ASEMASTER6371
  • CERTIFIED EXPERT
  • 52,796 POSTS
evap issue. you need a shop with a smoke machine and a scan tool to determine the failure

Roy
Nov 7, 2018 at 5:23 PM (Merged)
Avatar
DLKNIGHT1
  • MEMBER
  • 2 POSTS
did the smoke test replaced the canister valve light came back on,whats next
thanks donna
Nov 7, 2018 at 5:23 PM (Merged)