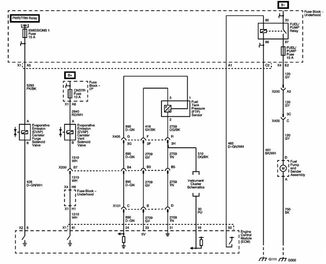
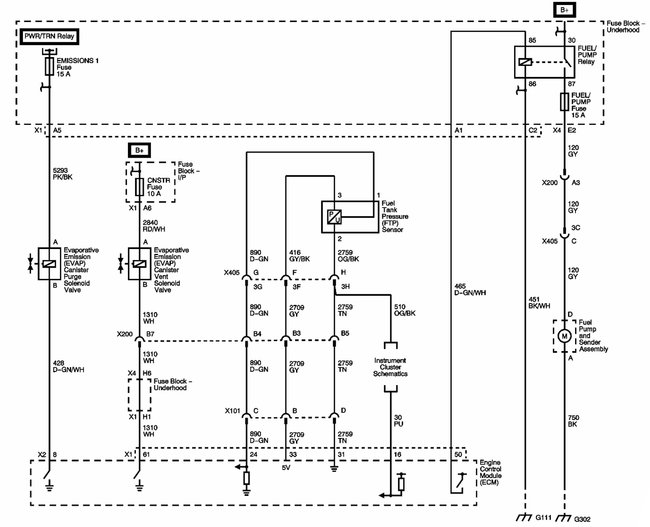
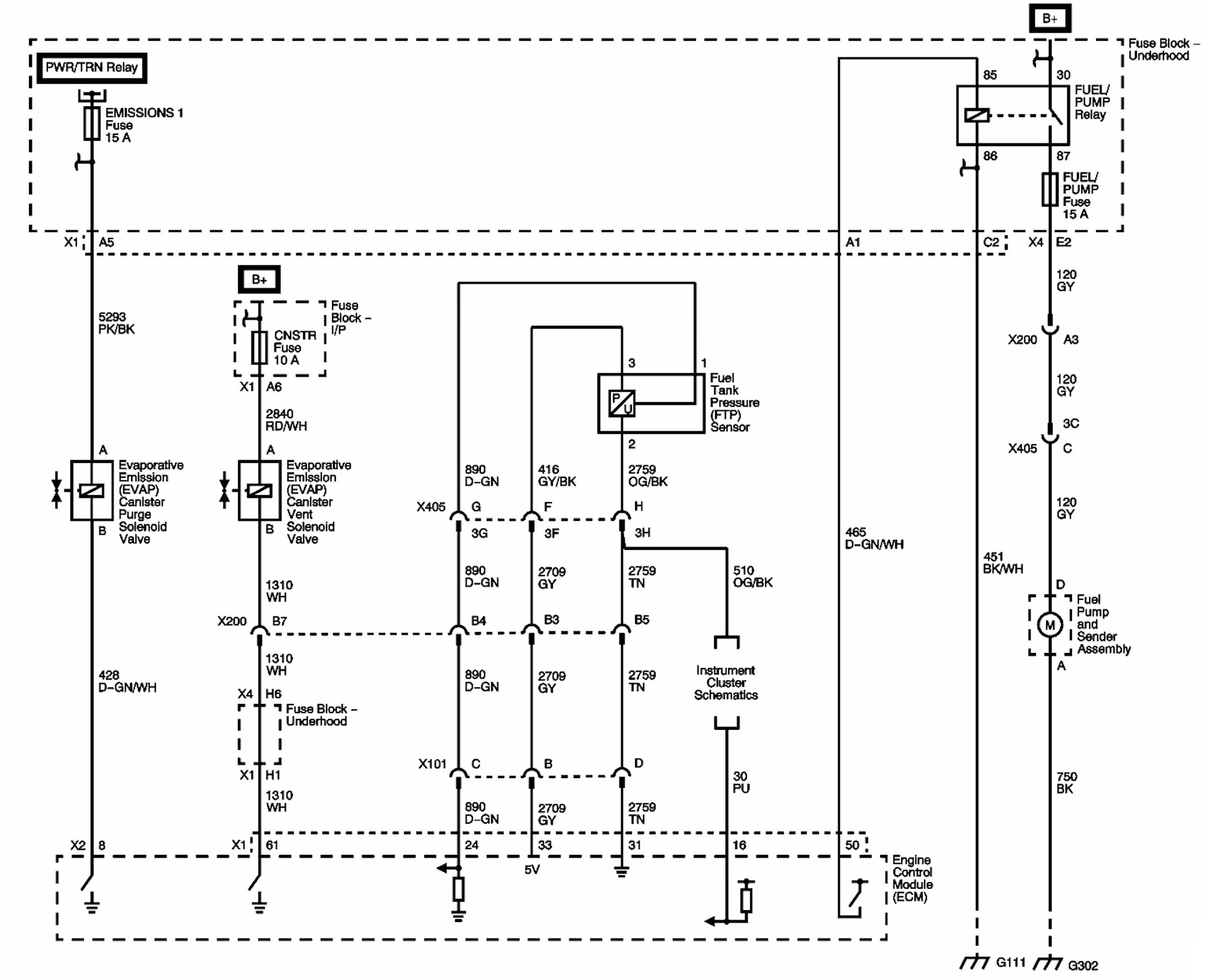
Code P0449 came on. I was told to replace the solenoid vent canister. i did, reset the code and it popped right back up. Tried resetting it a few times and it kept returning. Tested the fuse in passenger compartment there is continuity. what can it be? A break in the wire?
Oct 9, 2017 at 10:18 PM



