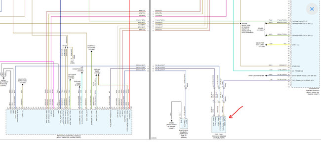
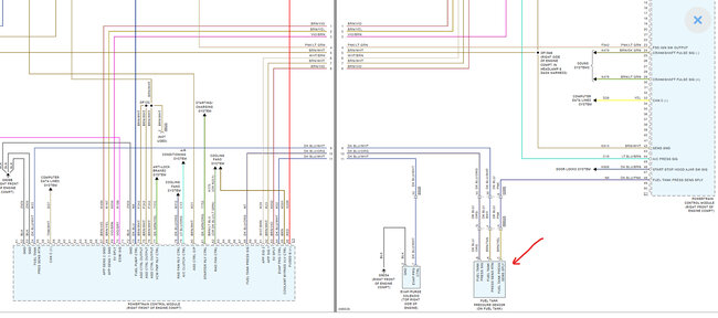
p0441 purge incorrect flow. I checked the purge valve it seems to open and closes. when the purge valve is purging the fuel tank pressure sensor did not go down to vacuum it stayed at 3.46 KPA but ESIM switch went to closed. after I open the gas cap , fuel tank pressure sensor stayed the same at 3.46 KPA. ( the scan tool i have does not use InH2O or Hg ) .it that seems like a bad fuel tank pressure sensor or could be something else? also what the gas tank fuel pressure should be in KPA when the gas cap is open?
Dec 10, 2025 at 3:49 PM

