Code P0420?

2015 HYUNDAI GENESIS COUPE
86,000 MILES • 3.8L • 6 CYL • 2WD • AUTOMATIC
Avatar
SWILSON3828
  • MEMBER
  • 112 POSTS
Good evening and thank you in advance.

Recently my check engine light came on. I checked it with a reader and it showed a P0420 code. I checked the sensors and found the two sensors on both sides of the engine where the exhaust manifolds are but there are no sensors downstream from the dual converters. I know this sounds like a dumb question but how is an oxygen sensor showing an issue with the catalytic converter if both sensors are before the catalytic converters? To me it would seem if the converters were having issues a sensor after the converters would have to pick it up. Any chance you would clarify my method of thinking, and is there any way to tell which sensor might be malfunctioning?
Aug 8, 2023 at 2:52 PM
Advertisement
Avatar
AL514
  • CERTIFIED EXPERT
  • 5,465 POSTS
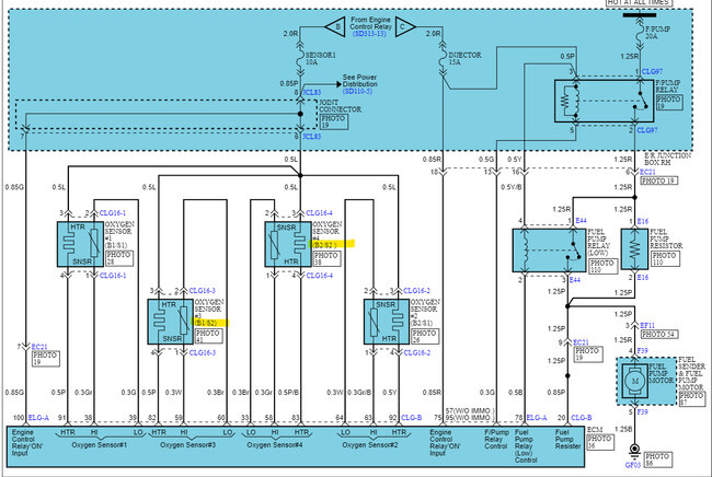
Hello, there are 4 sensors on this vehicle, 2 upstream and 2 downstream, the downstream sensors are in a difficult location, they look to be on the top the exhaust pipe, Ill post a diagram showing where they are.
The P0420 is a Bank 1 Catalytic Converter code. If your scan tool can read live engine data, take a look at the B1S2 Oxygen sensor voltage reading, under normal conditions it should stay at a pretty steady voltage, when the converter starts to fail the rear sensor (B1S2) while start to fluctuate its voltage reading. Catalytic converters fail due to either cylinder misfires, contamination like oil or coolant. It's mostly caused by cylinder misfires and unburned fuel exiting into the exhaust and causes the converter to overheat.

https://www.2carpros.com/articles/bad-catalytic-converter-symptoms

https://www.2carpros.com/articles/how-to-test-a-catalytic-converter
Aug 9, 2023 at 9:16 PM
Avatar
SWILSON3828
  • MEMBER
  • 112 POSTS
Thank you for the reply. Strangely I have not been able to locate two of the oxygen sensors you mention as there are nothing but brackets holding the pipes all the way from the converters to the muffler. I've attached a screenshot of the exhaust system on a 2015 HGC 3.8 and the only O2 sensors it shows are the two on either side just off of the exhaust manifold connections (39210J). Strange your information shows something different or am I missing something somewhere? Thanks again for the help and advice.
Aug 10, 2023 at 1:00 PM
Advertisement
Avatar
AL514
  • CERTIFIED EXPERT
  • 5,465 POSTS
There has to be rear oxygen sensors, it's part of the OBD2 system, they monitor the Catalytic Converter performance. They look to be facing up on the top of the exhaust pipes, and for whatever reason manufacturers like to make things as difficult as possible sometimes, Engineers don't have to repair these vehicles, so they don't worry about it as much unfortunately.
Aug 10, 2023 at 4:20 PM
Avatar
SWILSON3828
  • MEMBER
  • 112 POSTS
Good afternoon. I did find the other two sensors, but oddly both sensors on each side are before the converters. I was simply checking from the converters to the muffler and didn't find any sensors as mentioned before. I'm not sure the logic behind this design but that's how it is. You've got the two sensors on either side right there at the exhaust manifold connections, and down about 6-8 inches on the exhaust pipes are the other two sensors. In the picture of the exhaust system, I sent in an earlier reply the two O2 sensors I mentioned in that email are the two rear, or downstream sensors. Makes no sense to me but that's the design.
Aug 11, 2023 at 2:45 PM
Avatar
SWILSON3828
  • MEMBER
  • 112 POSTS
Sorry. Just to bring you up to date evidentially there are two catalytic converters on each side of the engine, totaling four catalytic converters in all. The top converters are built into the manifold itself, and the rear two are removable. Under that design there is a sensor before and after the manifold with converter on both sides. Not sure I've ever seen a vehicle with four converters on it.
Aug 11, 2023 at 2:57 PM
Avatar
AL514
  • CERTIFIED EXPERT
  • 5,465 POSTS
Yeah, emissions standards are getting stricter each year. More computer systems monitoring more conditions. Since electric vehicles are the next step, the big companies still want to make money from gasoline. So, keeping emissions lower and lower keeps that part going. Most people don't know, but electric vehicles have been around since the 70s. The front sensors are not Oxygen sensors, they are Air/Fuel Ratio sensors and operate much differently. The rear ones are conventional Oxygen sensors which monitor voltage.
Did you get a chance to take a look at the rear Oxygen sensor voltages yet? Also see if you find any Long Term and Short Term Fuel Trims numbers for Bank 1. The rear converters for this vehicle are very expensive.
Aug 11, 2023 at 3:33 PM
Avatar
SWILSON3828
  • MEMBER
  • 112 POSTS
No, I haven't taken any readings yet. They don't appear too hard to get to so I might try and put one of those spacers on the sensor. The car runs fine, it's just the car is up for inspection and the sensor is triggering the CEL. I'm guessing when you mentioned the car had four sensors on it you were talking about the air/fuel mixture sensors and the rear O2 sensors. I initially thought you meant four O2 sensors. Those rear sensors are the final two on either exhaust pipe. Thanks again for the advice.
Aug 11, 2023 at 3:40 PM
Avatar
AL514
  • CERTIFIED EXPERT
  • 5,465 POSTS
If the rear Oxygen sensor on Bank 1 has a fluctuating voltage from 0.2v to around 0.8v and it's not a steady reading, that's a sign of converter failure.
Aug 11, 2023 at 4:01 PM
Avatar
SWILSON3828
  • MEMBER
  • 112 POSTS
Good evening. Just wanted to provide a quick update. I've installed an adapter on the particular O2 sensor in question and so far, no check engine light. Still have not takin any readings on the sensor. Take care
Aug 24, 2023 at 4:55 PM
Avatar
AL514
  • CERTIFIED EXPERT
  • 5,465 POSTS
What kind of adapter? The ones that bring the sensor out of the exhaust path somewhat?
Aug 25, 2023 at 12:52 PM
Avatar
SWILSON3828
  • MEMBER
  • 112 POSTS
Hi,

Yes, the adapter that brings the sensor out about a half inch or so. Passed inspection today and still no check engine light so I'm satisfied for the time being. Thanks again for the help.
Aug 25, 2023 at 1:05 PM
Avatar
AL514
  • CERTIFIED EXPERT
  • 5,465 POSTS
Okay, that works. I've never tried one of those, but you're through inspection, so okay.
Aug 25, 2023 at 1:12 PM
Avatar
SWILSON3828
  • MEMBER
  • 112 POSTS
I've read mixed reviews on them, but it worked for me....at least enough to get it through inspection. The CEL might come back on again tonight, lol.
Aug 25, 2023 at 1:21 PM