Code P0401, EGR insufficient flow?

2004 MERCURY MOUNTAINEER
185,000 MILES • 4.0L • V6 • 4WD • AUTOMATIC
Avatar
FED4267
  • MEMBER
  • 1 POST
I've replaced the EGR valve and no changes. what would you recommend?
Nov 28, 2024 at 2:55 PM
Advertisement
Avatar
STRAILER
  • CERTIFIED EXPERT
  • 53,854 POSTS
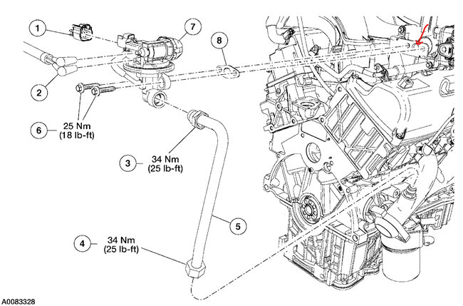
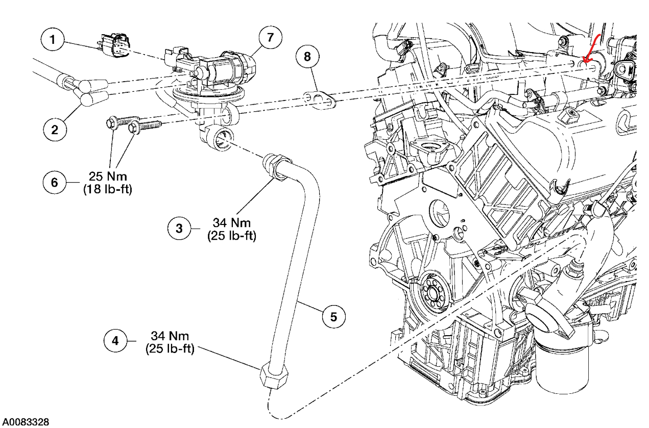
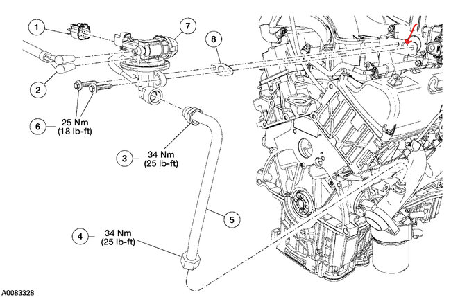
So the EGR pressure or inlet passages can get clogged up. Also, check the vacuum lines going to the EGR valve, if the valve does not open it will give this code, or if it opens but not enough exhaust gases are introduced into the engine this code will pop up as well. Here is a diagram which shows the vacuum lines and the passage you need to check. Check out the images (below). Please let us know what happens.



Nov 29, 2024 at 11:46 AM