Codes P0348 and P0393?

2010 CHEVROLET CAMARO
10,000 MILES • 3.6L • 6 CYL • 2WD • AUTOMATIC
Avatar
BRACKD1
  • MEMBER
  • 3 POSTS
Im getting these 2 high voltage codes the bank 2 side of the motor. Inspected and replaced camshaft sensors they are good as well as the crankshaft sensor. So, its leading me to believe that it's in the wiring but I am getting the accurate 5-volts that it's supposed to get so I'm not sure why its reading "high voltage"
Feb 18, 2025 at 11:52 AM
Advertisement
Avatar
STRAILER
  • CERTIFIED EXPERT
  • 53,855 POSTS
This can be because the camshaft timing is off, can I ask how many miles are on the engine?

P0348 - Camshaft Position Sensor "A" Circuit High (Bank 2)

P0393 - Camshaft Position Sensor "B" Circuit High (Bank 2)

Also, how does the engine sound while running, can you upload a short video of the engine running so I can hear it? This would help me see what's going on.
Feb 18, 2025 at 6:10 PM
Avatar
STEVE W.
  • CERTIFIED EXPERT
  • 15,113 POSTS
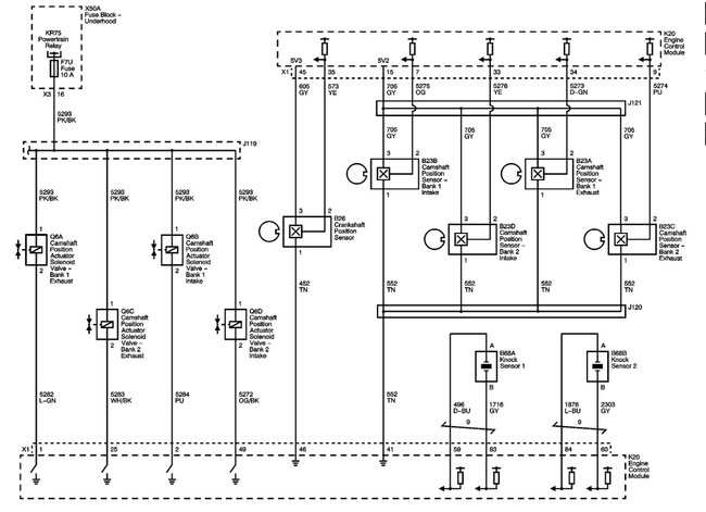
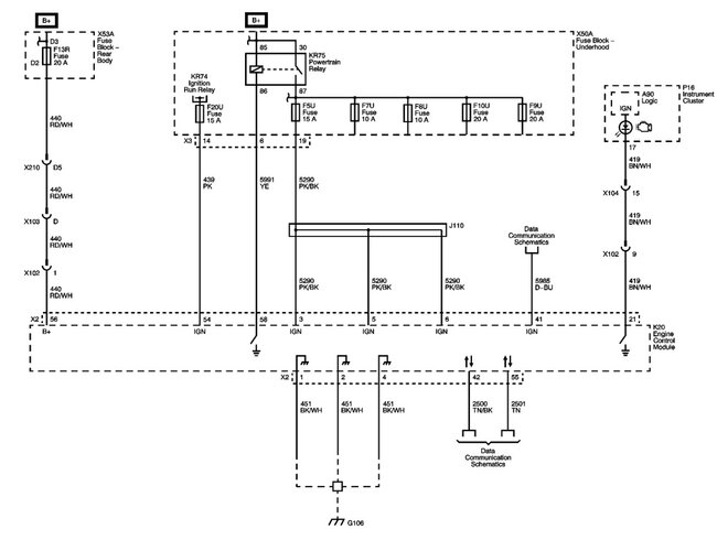
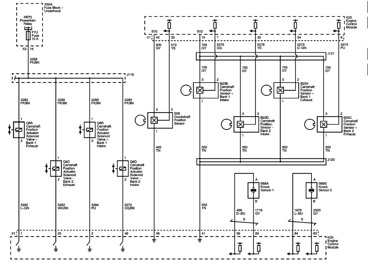
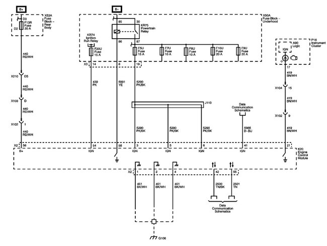
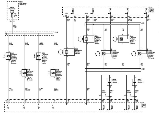
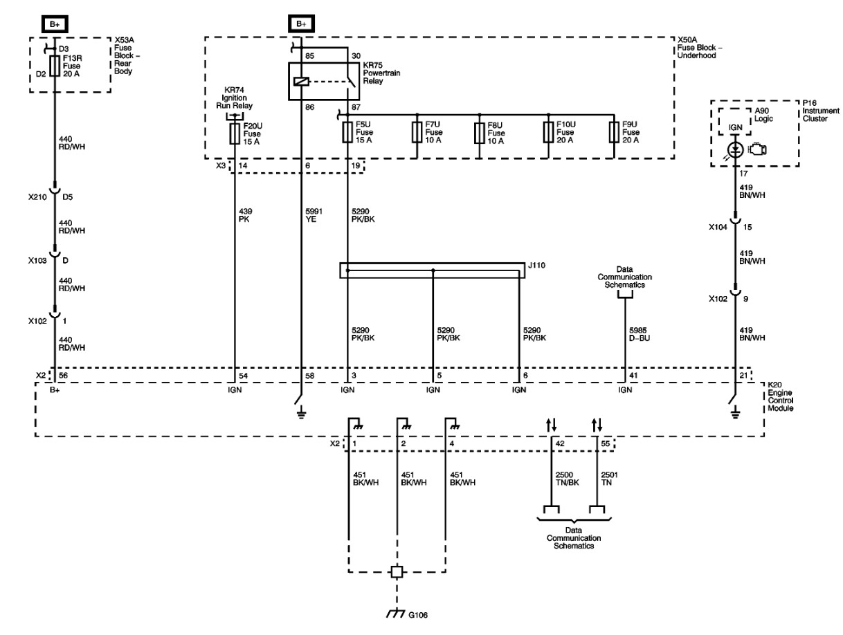
A common reason for a high voltage is if the sensors have a bad ground. To test this, you can test the gray wire for 5 volts and then the tan wire for a ground. If you don't find a good ground, then you will need to go to the PCM and test the grounds there as well. Attached are the wiring diagrams showing the various grounds and powers for the ECU and sensors.
Feb 18, 2025 at 6:42 PM
Advertisement
Avatar
BRACKD1
  • MEMBER
  • 3 POSTS
I know it's not a timing issue; it's a brand-new motor that has been driven for around 7,000 miles. Brand new timing chain, tensioners, and all. It won't stay running it stalls a second, also it has a long crank, after inspecting the timing chain it looks good and tight and i know its timed perfect. But with that being said, i have had electrical issues with the Camaro before. So I'm leaning towards something to do with the sensors wiring.
Feb 19, 2025 at 5:42 AM
Avatar
STRAILER
  • CERTIFIED EXPERT
  • 53,855 POSTS
A "Circuit High" code is the camshaft is too far advanced so I would replace the camshaft actuator control valve it may not be releasing. Has the engine had this code since the new engine, and when you say new do you mean a create engine from GM?
Feb 19, 2025 at 10:31 AM
Avatar
BRACKD1
  • MEMBER
  • 3 POSTS
It is a new motor with OEM parts, no it has not had this code since the motor was installed. The motor was installed probably over a year ago now and is just now throwing the code. All the signs are telling me something to do with the wiring.
Feb 20, 2025 at 5:41 AM
Avatar
STRAILER
  • CERTIFIED EXPERT
  • 53,855 POSTS
Sounds good, here is a guide to help you check the wiring and the wiring diagrams for the camshaft sensors and oil control valves.

https://www.2carpros.com/articles/how-to-check-wiring

Check out the images (below). Let us know what you find.
Feb 20, 2025 at 10:14 AM