Error Code: P0340?

2009 TOYOTA LANDCRUISER
105,000 MILES • 6 CYL • 4WD • AUTOMATIC
Avatar
DEEDEEDONALDS
  • MEMBER
  • 15 POSTS
I have a 1gr 2008 Toyota Landcruiser which I change the engine to a Tacoma Engine. I will really appreciate your expert advice-I have been battling with an Error Code: P0340. I just changed the Camshaft in the bank 1 but the code still came back. All wirings to the ECM is okay. I have severally changed the Camshaft Position sensor severally but all to no avail. The mileage on the car is 105,500 kilometers.
Aug 26, 2022 at 6:38 AM
Advertisement
Avatar
DEEDEEDONALDS
  • MEMBER
  • 15 POSTS
The mileage on the car is 105,500kileter
Aug 26, 2022 at 6:41 AM
Avatar
DEEDEEDONALDS
  • MEMBER
  • 15 POSTS
Kilometers
Aug 26, 2022 at 6:41 AM
Advertisement
Avatar
STRAILER
  • CERTIFIED EXPERT
  • 53,854 POSTS
The P0340 code says there is a problem with the sensor or the wiring not the camshaft timing so that good, if the sensor is good and the wiring is good then the only thing left is the engine PCM. here is the location and how to change it out to fix the problem. Check out the diagrams (below).
Aug 26, 2022 at 10:35 AM
Avatar
DEEDEEDONALDS
  • MEMBER
  • 15 POSTS
But the mechanic and electrician are of the opinion that the wire reading from the Camshaft sensor get to the PCM/ECM when it was tested severally.

Why is the car bringing just the P0340? And just on Bank 1 alone.
Aug 26, 2022 at 11:04 PM
Avatar
DEEDEEDONALDS
  • MEMBER
  • 15 POSTS
Secondly, will it be possible for me to get a fairly used and tested working PCM.

Please see my car details below:

Car Make: Toyota

Model: Land cruiser (Jeep)

Year: 2008

Chassis Number: JTMHU09J484011171

Engine Number:
1GR0023440

I am in Nigeria.
Aug 26, 2022 at 11:10 PM
Avatar
DEEDEEDONALDS
  • MEMBER
  • 15 POSTS
My Car is a V6, I gr engine.
Aug 27, 2022 at 12:41 AM
Avatar
STRAILER
  • CERTIFIED EXPERT
  • 53,854 POSTS
When they did the test did, they do a resistance to ground test? For the PCM I would check google or eBay and have the VIN number ready, let me know what happens.
Aug 27, 2022 at 12:05 PM
Avatar
DEEDEEDONALDS
  • MEMBER
  • 15 POSTS
Chassis Number: JTMHU09J484011171.
Aug 27, 2022 at 12:09 PM
Avatar
DEEDEEDONALDS
  • MEMBER
  • 15 POSTS
Hello Ken L, thanks a lot for your assistance thus far. I don't really know what you call the resistance to ground test. But I think the electrician tester on the car battery and touched the terminals of camshaft sensor socket, that's when he confirmed that the current runs to the brainbox/ECM of the car.
Aug 27, 2022 at 12:13 PM
Avatar
DEEDEEDONALDS
  • MEMBER
  • 15 POSTS
Can I call or chat with you on WhatsApp-my mobile number is +2348033137995
Aug 27, 2022 at 12:14 PM
Avatar
DEEDEEDONALDS
  • MEMBER
  • 15 POSTS
I think the electrician used a multimeter to test camshaft sensor socket, I don't if this is what is called a resistance to ground test.

What I don't really understand is why it is just a P0340 that keeps popping up.
The car moves fine irrespective of this error code.

Can the ECM/PCM be responsible for this Sir?
Aug 27, 2022 at 12:28 PM
Avatar
DEEDEEDONALDS
  • MEMBER
  • 15 POSTS
Ken L, one thing I notice is sometimes what I start the car, the check light (and 4long blinking) goes off and start off until I turn off the car and when I start the car again the check light will now come on.
The above happens once in a while. Other times the check light comes on immediately after I start the car.
Aug 27, 2022 at 12:54 PM
Avatar
DEEDEEDONALDS
  • MEMBER
  • 15 POSTS
Ken L, one thing I notice is sometimes what I start the car, the checklight(and 4long blinking) goes off and stays off until I off the car and when I start the car again the checklight will now come on.
The above happens once in a while. Other times the checklight comes on immediately I start the car
Aug 27, 2022 at 12:55 PM
Avatar
STRAILER
  • CERTIFIED EXPERT
  • 53,854 POSTS
We can only communicate over the web, a resistance to ground check is to make sure the wires are not touching ground anywhere, they can have a good connection but also be touching ground as well, this guide will help explain it better.

https://www.2carpros.com/articles/how-to-check-wiring

If all is good, I would replace the PCM.

Aug 29, 2022 at 12:23 PM
Avatar
DEEDEEDONALDS
  • MEMBER
  • 15 POSTS
Thanks a lot Ken. I also started that when I start the car sometimes the check light goes off and stays off all through the drive until I turn off the car then it comes on come on the next start of the car again. This happens once in a while.

What's your thoughts on this?
Aug 29, 2022 at 12:31 PM
Avatar
STRAILER
  • CERTIFIED EXPERT
  • 53,854 POSTS
If the PCM is bad it can be intermittent. But I had thought it could be the camshaft timing actuator valve; they can get clogged up with metal shaving and gunk. Let's remove the valve and check, also the engine oil should be clean and full. Check the images below.

Aug 30, 2022 at 12:10 PM
Avatar
DEEDEEDONALDS
  • MEMBER
  • 15 POSTS
Good day Ken L, done the above many times, in fact I even changed the two of them but the P0340 code still persists.
Sep 7, 2022 at 1:56 AM
Avatar
DEEDEEDONALDS
  • MEMBER
  • 15 POSTS
Good day Ken L, done the above many times, infact I even changed the the two of them but the P0340 code still persists
Sep 7, 2022 at 1:56 AM
Avatar
STRAILER
  • CERTIFIED EXPERT
  • 53,854 POSTS
This leads back to faulty wiring, I would recheck the wiring connections.
Sep 7, 2022 at 12:32 PM
Avatar
DEEDEEDONALDS
  • MEMBER
  • 15 POSTS
The electricians keep saying that wires on bank1 and bank2 camshaft sensors are through (working well) to PCM and the VVTI sensors wires are equally working well. This is what they have concluded from the checks done.

Remember, I told you that I have earlier changed the Bank1 Camshaft but the error code P0340 still returned.

Please can you give a detailed description of what the electricians are meant to do as regards checks on the wiring.

Please note that my car is a 1gr V6 2009 Land cruiser.

Thank you, Ken L.
Sep 7, 2022 at 11:06 PM
Avatar
STRAILER
  • CERTIFIED EXPERT
  • 53,854 POSTS
No problem, in this guide it shows the tests that need to be done:

https://www.2carpros.com/articles/how-to-check-wiring

Also did you sway out the PCM when you did the engine? If so, I can get you wiring diagrams just give me the year Tacoma the engine came from.
Sep 9, 2022 at 5:05 PM
Avatar
DEEDEEDONALDS
  • MEMBER
  • 15 POSTS
Thanks a lot Ken L for your continued response to my questions.

The PCM was not changed during the engine change to a V6 Tacoma Engine-just confirmed this from the mechanic.

I don't also know the exact year of the Tacoma Engine that was installed.

But the below is my land cruiser chassis number (I hope this helps):
Car Make: Toyota

Model: Land cruiser (Jeep)

Year: 2008

Color: Black

My Existing Toyota Land Cruiser Chassis Number: JTMHU09J484011171

Engine Number:
1GR0023440-this is the installed Tacoma V6 Engine Number. (Is it possible to trace the year from the engine number?)
Sep 10, 2022 at 2:14 AM
Avatar
STRAILER
  • CERTIFIED EXPERT
  • 53,854 POSTS
Not really from my information the dealer might be able to. here are the engine wiring diagrams I think you will need. So, this truck has a V8 normally and you put a V6 in it?

Sep 10, 2022 at 2:42 PM
Avatar
DEEDEEDONALDS
  • MEMBER
  • 15 POSTS
The Tacoma engine in my car is a V6. I can find the wire diagram you talked about.
Sep 11, 2022 at 5:57 AM
Avatar
DEEDEEDONALDS
  • MEMBER
  • 15 POSTS
I cannot find the wire diagram.
Sep 11, 2022 at 5:58 AM
Avatar
STRAILER
  • CERTIFIED EXPERT
  • 53,854 POSTS
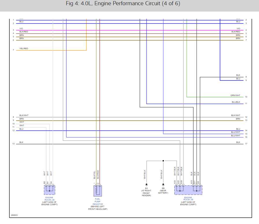
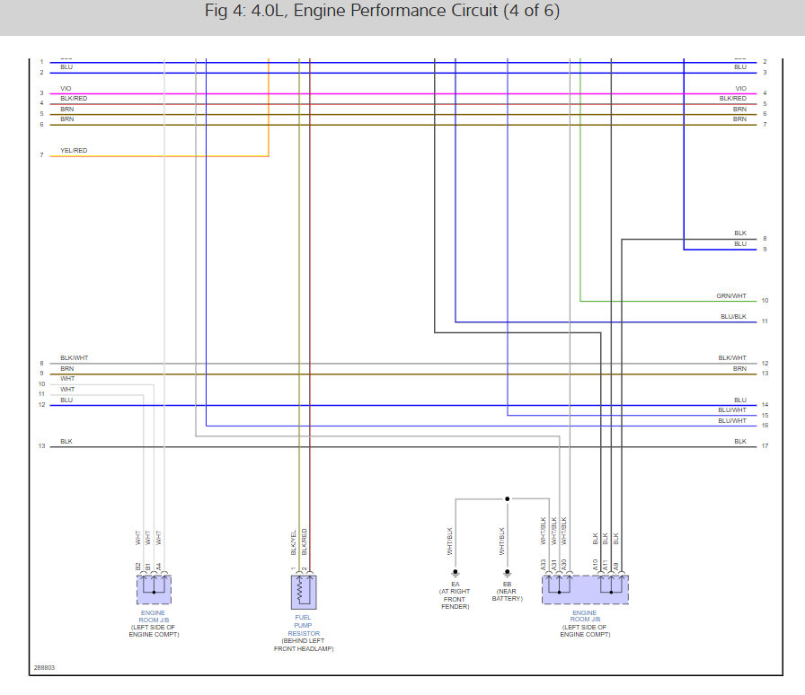
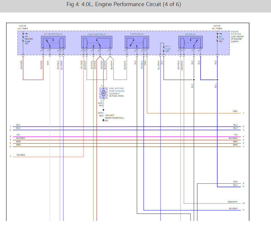
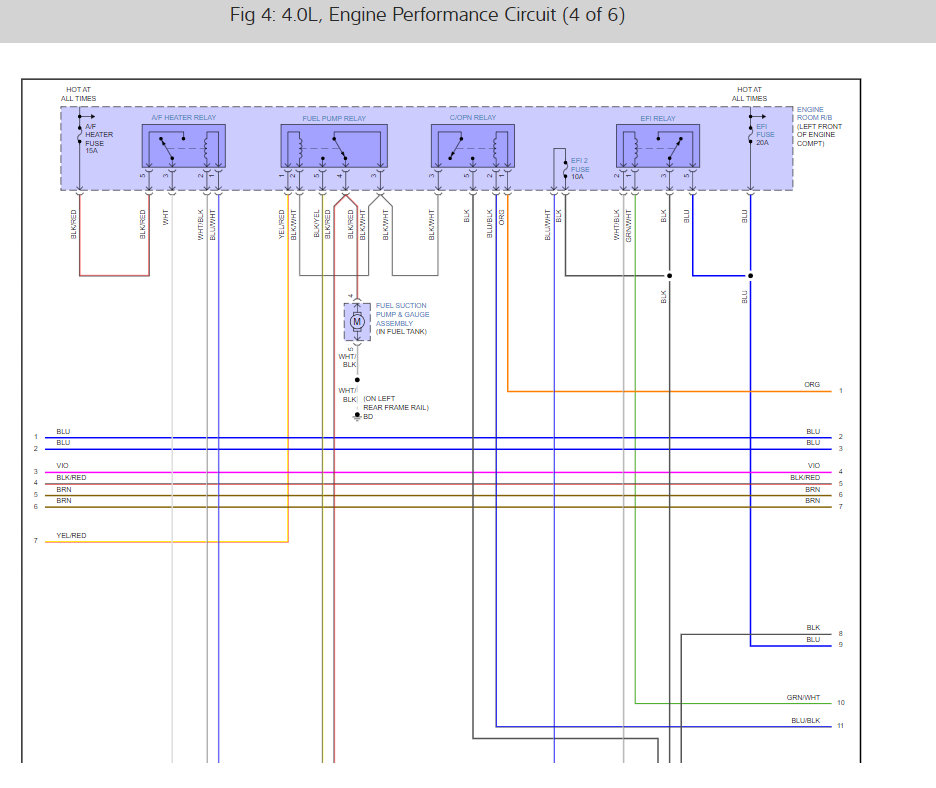
Here are the engine wiring diagrams for the Toyota Tacoma 2008 v6.
Sep 12, 2022 at 3:56 PM