P0330 code

1999 CHEVROLET CAVALIER
120,000 MILES • 4 CYL • 2WD • AUTOMATIC
Avatar
LORRAINE PMCBAC BASCIANO
  • MEMBER
  • 3 POSTS
Well, battery light comes on sometimes when I start it, as I drive it maybe ten blocks it goes out. I was going to have the car inspected but my cousin put it on his thing and got the code p0330. what can I do? what could be causing it? Please help if you can I need my car inspected.
Jan 22, 2018 at 1:11 PM
Advertisement
Avatar
CHYANNE SHERIFF
  • MEMBER
  • 85 POSTS
i do not know about the code but my car did the same thing and i thought it was the battery that was bad. However I found out my alternator was not charging. so i had to replace the alternator. the mechanic said the car was running on the battery only and i should not keep driving the car because it could leave me stranded. my car is a 1992 Chevrolet Corsica. it is easy to check the alternator at any car parts stores for free. Good luck!
Jan 22, 2018 at 3:50 PM
Avatar
STRAILER
  • CERTIFIED EXPERT
  • 53,854 POSTS
Great addition to this thread! Please feel free to help out whenever you are on the site :)

Here is guide to help you test the alternator. The code is for the knock sensor which will trigger if the engine is overheating. Just clear the codes once the engine overheating is fixed.

https://www.2carpros.com/articles/how-to-check-a-car-alternator

Please let us know what happens.

Cheers, Ken
Jan 22, 2018 at 5:58 PM
Advertisement
Avatar
LORRAINE PMCBAC BASCIANO
  • MEMBER
  • 3 POSTS
Thank you both. Ken I check with a multi meter my battery and alternator is fine.
Jan 22, 2018 at 7:43 PM
Avatar
STRAILER
  • CERTIFIED EXPERT
  • 53,854 POSTS
When you checked the voltage was the battery light on? Also, the p0330 code could be from the knock sensor going bad or internal engine noise. does the engine make noise when it is running?
Jan 23, 2018 at 9:50 AM
Avatar
LORRAINE PMCBAC BASCIANO
  • MEMBER
  • 3 POSTS
Yes battery light was on. No it does not make noise.
Jan 23, 2018 at 12:16 PM
Avatar
STRAILER
  • CERTIFIED EXPERT
  • 53,854 POSTS
It sounds like you need an alternator and an engine knock sensor. Here is a guide to show you what you are in for when changing the alternator out.

https://www.2carpros.com/articles/how-to-replace-an-alternator

You will need to jack the car up

https://www.2carpros.com/articles/jack-up-and-lift-your-car-safely

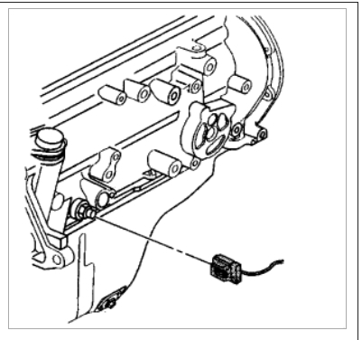
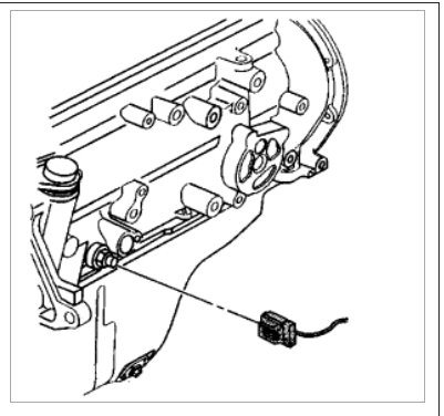
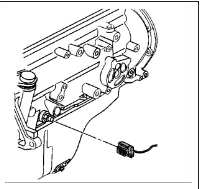
Here are diagrams to help you see what it will be like to change the alternator and knock sensor.

Check out the diagrams (Below)

Let us know what happens and please upload pictures or videos of the problem.

Cheers, Ken
Jan 24, 2018 at 10:41 AM