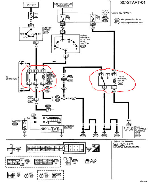
I have the truck listed above. Manufactured 08/1999. I am diagnosing it for a friend of mine. He has complained of hard starting issues at different times. I have driven it. It drives at cruise speeds okay but with 207,000 miles it seems to cruise okay at highway speeds. It does have hard starting problems intermittently. First thing I did was scan OBDII for codes and I have a P0325 code and a P0325 "pending" code. I know it is a knock sensor 1 circuit malfunction. I understand that the sensor is under the intake manifold. I have read that knock sensor is not important but me I know it is coming on for a reason. I cleared the codes and started engine back up and codes reappeared quickly. Also, there is No CEL light on instrument panel, only the codes P0325 twice on my scanner. P0325 and P0325 "pending". I want to know how the P0325 can affect my drivability or hard starting or idle issues. Thanks.
May 31, 2018 at 8:18 PM



