Code P0304, cylinder four misfire, which cylinder is number four?

2011 SCION XB
133,400 MILES • 2.4L • 4 CYL • 2WD • AUTOMATIC
Avatar
SIXTY6GTO
  • MEMBER
  • 95 POSTS
I got a P0304, #4 Cylinder Misfire. I want to know which cylinder is # 4. I plan to remove the coil and swap it with another cylinder; therefore, I need to know which cylinder is #4. A diagram with the firing order arrangement should help me.
Apr 13, 2024 at 1:37 AM
Advertisement
Avatar
STEVE W.
  • CERTIFIED EXPERT
  • 15,113 POSTS
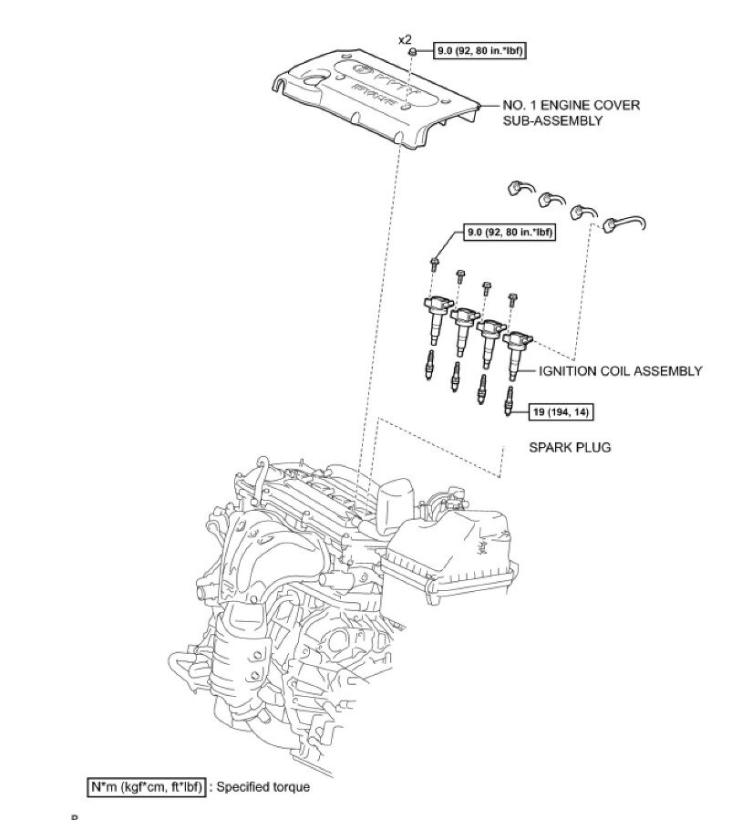
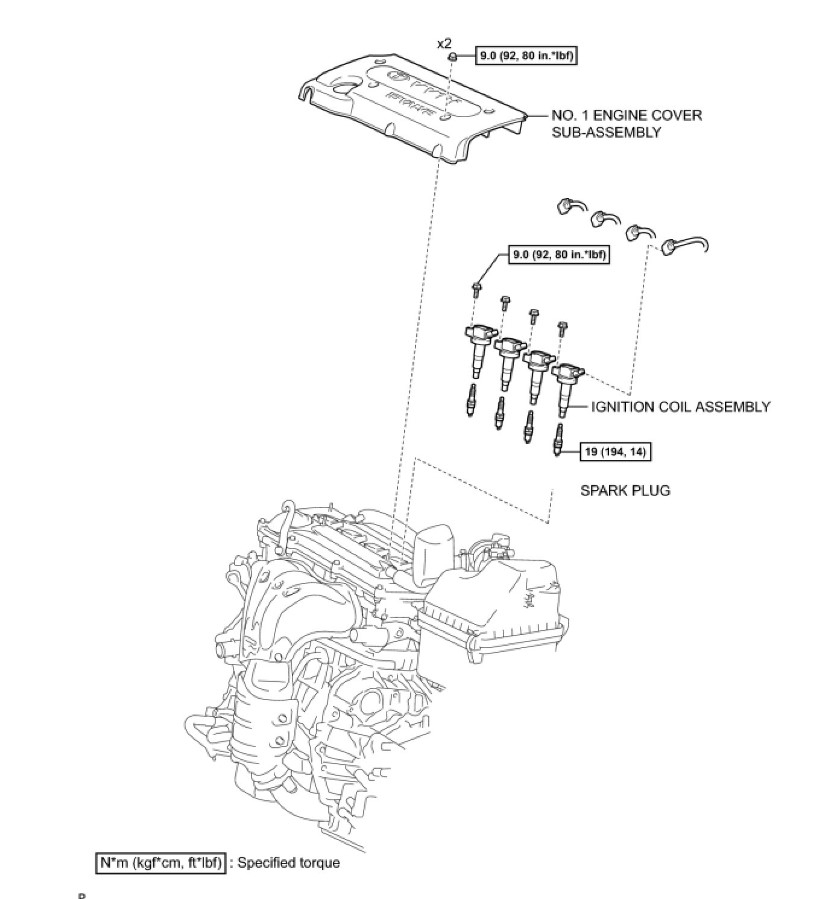
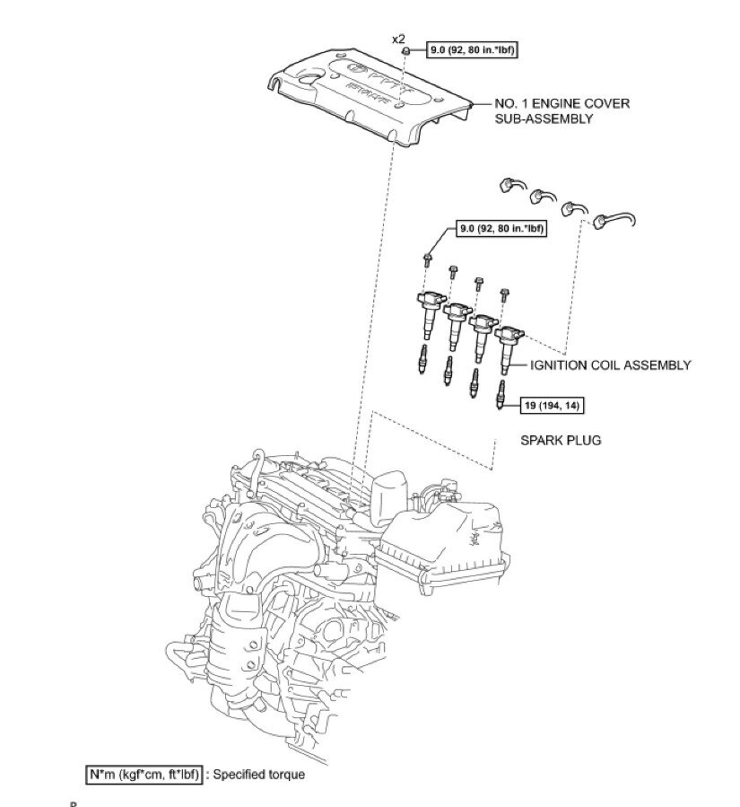
Open the hood and look for the accessory drive belt. That marks the front of the engine. You start counting from that end. So, 4 on that engine is on the transmission end. That is pretty much the same on all inline engines. My suggestion would be to swap the coils in 3 and 4 and swap the plug from cylinder 4 into cylinder 2. Now if the misfire moves to 3 you can say it's the coil, if it moves to 2 it's the plug. The torque values are shown in the second image, but the numbers are hard to read, the plugs are 14 ft lb, the coil bolts are 80 inch pounds. The engine cover is the same as the coil bolt. I generally put the plugs in tight and the coil bolts and cover simply snug. No need to strip them. Now if you don't know when the plugs were changed last you might want to replace all 4 with new as they call for them to be changed at 120,000 and then swap the coils.
The coil part number is 90919-A2006 and the spark plugs are iridium tipped Denso 4702.
Apr 13, 2024 at 5:03 AM
Avatar
SIXTY6GTO
  • MEMBER
  • 95 POSTS
Hi Steve! You are helpful! I swapped the #3 and #4 coils and cleared the codes. Then I started up and the misfire followed the bad coil pack to #3 cylinder and the #4 misfire did not trigger. I suspect a bad coil. The coil packs are all original, so I ordered 4 new Denso coil packs which cross to the Toyota part # you provided and the actual part on my coils (90919-C2002). Along with that I ordered 4 iridium tipped Denso 4702 plugs like you suggested. The coil pack part numbers I ordered are Denso 673-1308. I am attaching a few pictures. One strange item to note is that my scanner has a permanent #4 misfire which won't clear, but the stored code and pending code transferred to the #3 cylinder when I swapped the coils. Also, I did get that amber icon with the car and the skid marks last night when the initial fault happened as shown in the picture. It cleared when I cleared the OBD codes.
Apr 13, 2024 at 3:45 PM
Advertisement
Avatar
STEVE W.
  • CERTIFIED EXPERT
  • 15,113 POSTS
The permanent code won't clear until the ECU runs the tests a few times and decides that it is actually repaired. That is designed so that someone with a code reader can't clear the codes and you buy the car with the light turned off and "no known problems" as was common practice. The average person won't have a clue because the code reader they bought won't show anything until it sets a code again. So many makes added the permanent status codes that only clear after a few run cycles. Now you can see that there was a problem and ask how or if it was repaired.
Apr 13, 2024 at 5:27 PM
Avatar
SIXTY6GTO
  • MEMBER
  • 95 POSTS
Okay, thanks. I am waiting for the parts to arrive, and I will let you know how it goes.
Apr 15, 2024 at 7:19 AM
Avatar
STEVE W.
  • CERTIFIED EXPERT
  • 15,113 POSTS
We will be here when you get it back together.
Apr 15, 2024 at 4:45 PM
Avatar
SIXTY6GTO
  • MEMBER
  • 95 POSTS
I put four new coils and four new plugs in and drove the car. As of right now there are no codes stored and the permanent misfire cleared. Thank you for the recommendation on the plugs and coils. I put 4 new Denso 673-1308 coils and 4 new iridium Denso plugs #4702 which are IK20TT.
Apr 27, 2024 at 12:17 PM
Avatar
STEVE W.
  • CERTIFIED EXPERT
  • 15,113 POSTS
Sounds like you slayed the beast. You know you have it repaired when the permanent code clears as it prioritizes the tests for the set code. Good job.
Apr 27, 2024 at 2:10 PM