Hi,
As I suspect you are already aware, the p0300 is a random cylinder misfire. The P0455 is the one that is likely causing the problem. A P0455 indicates there is a large leak in the evaporative emissions system. That is likely causing a large engine vacuum leak. That will cause idle issues, hesitation, misfires, lean fuel mixture, and so on.
If you are in an area where rust is an issue, confirm the filler neck on the fuel tank isn't rusted through. Next, check the EVAP system for disconnected, damaged, dry-rotted hoses, or broken components.
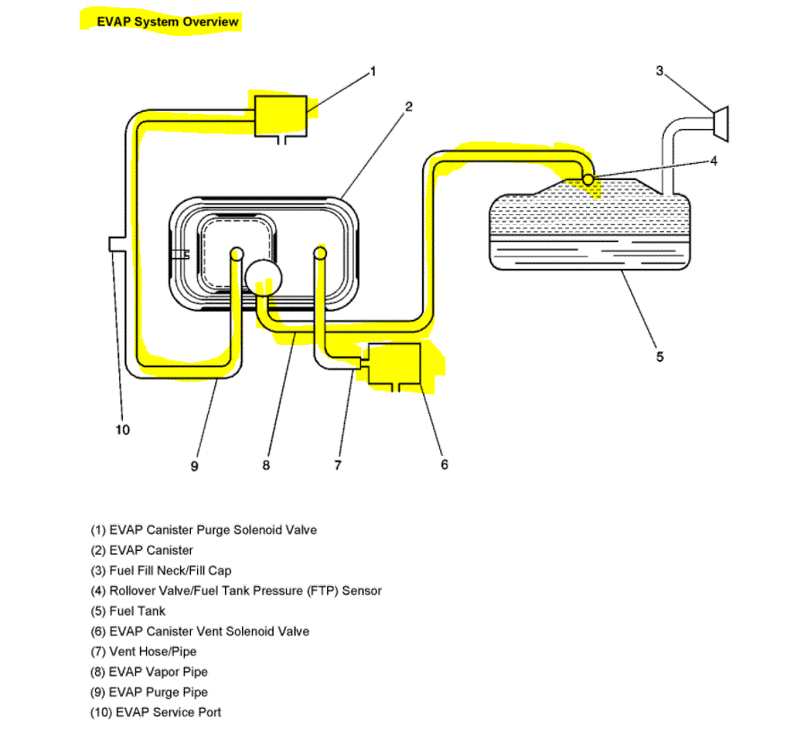
If you look at the two pics below, I highlighted the charcoal canister which is under the truck near the tank. Check all the hoses I highlighted.
As far as leaks under the hood, here is a link that explains how to locate an engine vacuum leak. The second pic shows hoses that will be seen under the hood.
If you find nothing is disconnected or damaged, we will need to get a scan tool that can communicate with the powertrain control module. This will be needed to see if there is a faulty solenoid or other electrical issue creating the leak.
I hope this helps. Let me know what you find or if you have other questions.
Take care,
Joe
See pics below.
Images (Click to enlarge)
Jun 11, 2021 at 10:40 PM