What is causing reduced engine power?

2010 CHEVROLET SILVERADO
58,000 MILES • 5.3L • V8 • 2WD • AUTOMATIC
Avatar
JUSTPLAINWAYNE
  • MEMBER
  • 12 POSTS
I originally had a P2135 error code with the Stabilitrak dash icon, service traction control dash message, and reduced engine power mode. Replacing the APP assembly fixed the P2135 error. Now I'm experiencing a P0220 error code (my OBDII scanner read codes) which also states"Throttle/Pedal Position Sensor /Switch B circuit low". I already replaced the throttle position sensor on the throttle assembly. The P0220 problem persists. Engine reduced power and the other dash icons and messages still also persist. I am now testing the throttle position sensor and assembly on the test bench for its TPS-2 (B)sensor output resistance value in the throttle closed position. I read somewhere that it is supposed to be approximately 4K ohms but I am measuring 2K ohms instead. (Movement of the throttle blade shows a smooth resistance value change through its travel from closed to fully open. The transition is from 2K ohms down to 1.2K ohms.) So is the 4K ohm value for this output resistance (throttle fully closed...at rest position) correct or incorrect?
Sep 10, 2019 at 4:17 PM
Advertisement
Avatar
KASEKENNY
  • CERTIFIED EXPERT
  • 18,907 POSTS
Hi,


First I would clean the throttle body this guide will help

https://www.2carpros.com/articles/throttle-actuator-service

Normally these sensors are not tested with resistance. The reason is, we need to see what the voltage reading is according to the PCM. So the resistance readings could be different. In fact TPS 1 and 2 are exact opposites of each other so I would not expect the resistance on each circuit to be different.

However, there is a note in this manual that you need to pay attention too. If this is your only DTC then it says to replace the ECM.

However, this DTC is saying that there is a circuit issue. So more than likely you have a wiring issue or a circuit board issue. Clearly that may be answered for us if this is the only DTC.

Let me know what you find. Thanks
Sep 10, 2019 at 8:22 PM
Avatar
JUSTPLAINWAYNE
  • MEMBER
  • 12 POSTS
Thank you for the great input! You've given me very helpful information to followup on. I'll get back to you with results based on your help and anything else I may discover.
Sep 10, 2019 at 9:37 PM
Advertisement
Avatar
JUSTPLAINWAYNE
  • MEMBER
  • 12 POSTS
Thanking you for your help and support here KASEKENNY1. What happened today is that after I had cleaned the throttle body (again), taking resistance measurements from its sensor, and actuating the throttle plate motor with a viable output power supply I re-installed the throttle body assembly on the truck. I then performed the "pedal depression/release slow then fast 3 or more times procedure. Started the truck and let it idle for 3 minutes. Shut it off for a couple minutes. Started the truck again and let it idle for 3 minutes again. Shut it off. Started it again and drove it around the block and it started acting up again with all the icons I mentioned before on the dash with the reduced engine power (limp mode). I pulled it back in the driveway and connected my scanner and it read codes P2135, P0222, and P0220. Really depressing! But now, here is the really weird part. When I restarted the truck so that my wife could park her car behind mine (in our narrow driveway) and drove it around the block for this vehicle re-positioning the truck ran fine; great as a matter fact. So, when I pulled it back into the driveway (with my wife pulling her car up behind my truck) I decide to "rev" it several times. Absolutely no problem occurred with response or even any hint of attempting to go into "limp mode". I shut it back off again and re-started it up again several times with revving the engine many times. No problem now. I re-connected my scanner to see if there were any error codes. The scanner reported that there were no error codes. All seems well now. I will keep checking this situation as this is really strange. I will still perform the checks that you mentioned. I'm wondering if I have an intermittent grounding problem or an open/flaky wire connection. It is good though to know there is help and support for people like us from you guys.
Sep 11, 2019 at 9:02 AM
Avatar
JUSTPLAINWAYNE
  • MEMBER
  • 12 POSTS
Questions on acronyms and possibly if some are the same thing. Please confirm my guess or correct me on each as follows:
1) DTC = Diagnostic Test Code?
2) TAC = Throttle Actuator Controller?
3) ECM = Engine Control Module?
4) PCM = Powertrain Control Module?

Are there even more controller modules or computers in the vehicle referenced by me (justplainwayne)?
Thanks for your expertise.
Sep 11, 2019 at 12:15 PM
Avatar
KASEKENNY
  • CERTIFIED EXPERT
  • 18,907 POSTS
Okay. That is great news that the throttle seems to be responding. A lot of times with these types of codes, they require two good trips to go stored. This means the vehicle has to act properly for two trips in a row and then they will go stored and clear out. Clearly, we don't want to attempt to fix anything if its not broken. In other words, lets just drive it and if it breaks again, we can dig further based on those DTCs.

DTC = Diagnostic Trouble Code
TAC = Throttle Air Control
ECM - Engine Control Module
PCM - Powertrain Control Module

You also have a lot more modules but just to name a few

BCM - Body Control Module
TBCM - Trailer Brake Control Module
HVAC - Heating Ventilation Air conditioning module
TCM - Transmission Control Module
ORC - Occupant restraint module
MSCM - Memory Seat Control module

And more.

Let me know if I missed any of your questions. Thanks
Sep 11, 2019 at 2:39 PM
Avatar
JUSTPLAINWAYNE
  • MEMBER
  • 12 POSTS
Great advice KASEKENNY1. Will do. Also, thank you for correcting the acronyms definitions for me. Really good stuff, really helpful. I'm trying to catch up. BTW, drove the truck a couple times more and all's good so far. It still has the check engine light in the dash display but I suppose it will go out by itself since there are no DTC codes now. Thanks again amigo.
Sep 11, 2019 at 4:08 PM
Avatar
KASEKENNY
  • CERTIFIED EXPERT
  • 18,907 POSTS
Your codes are most likely stored and no longer active. Your code reader probably only reads active codes. So the light is still on because the codes are technically still there. Yes. It should turn off if there are no codes once it passes enough good trips.

That links for the kinds words. Please keep us updated.
Sep 11, 2019 at 5:58 PM
Avatar
JUSTPLAINWAYNE
  • MEMBER
  • 12 POSTS
Good call KASEKENNY1! The check engine light went off last night on the way home from McDonald's. I still do not have high confidence in this "fixed situation" yet, but, and this is true, it is wonderful to know there are helpers that really know what they are doing, like you guys. This gives us encouragement to stay the course as DIY'rs out here. I really, really do like my GM Silverado truck and it has been good up to this point.
Sep 12, 2019 at 8:24 AM
Avatar
KASEKENNY
  • CERTIFIED EXPERT
  • 18,907 POSTS
Awesome. That’s positive news. I totally understand that you don’t have the confidence in it yet. The more you drive the more you will.

Thanks for the kind words. Please keep us updated. We are here if you need anything else.
Sep 12, 2019 at 6:52 PM
Avatar
JUSTPLAINWAYNE
  • MEMBER
  • 12 POSTS
I need to update this situation. 9-27-2019. 2010 Silverado with 5.3L engine, 58,000 mi., LT, 2 wheel drive, and Crew cab. I have been going through the problem I described coming back and going away for almost two months now. I though it was fixed. It came back at the strangest times, usually when in PARK idling. Yesterday we found the problem. (The truck must have heard I was going to get my oscilloscope out and start examining signals. Ha!) Anyway, I noted that the problem seemed to always come back only after I re- installed the "Vortec" top engine plastic cover on it. Big Clue. So, it was noted that the cover was affecting the harness routed around the top/back of the engine. That was the harness that contained the wires going to the TPS (throttle-body position sensor). The wire that was the TPS sensor 2 signal wire (scanner reported "switch B circuit low voltage DTC - P0220 error) which is a purple wire (wire "F" at the TPS) was routed on the outside level/layer of the harness right up against the transmission dip stick tube (TDST). The TDST vibrates like a "tuning fork", especially at idle in PARK. (In drive it seems to not oscillate like a "tuning fork" so much.) I got up into the engine compartment to look closely at that purple wire routed close the the TDST. It was night time so I was using a bright flashlight to look at this. Low and behold I saw the insulation had been rubbed off the purple wire right at the point where it was routed up against the TDST. I saw a "sliver" of copper strand of the conductor wire, bare and shiney". It was not much, but enough to interact with the TDST which is actually engine/body ground! I though surely this cannot be the cause of my problem, so I tested the situation multiple times in "make the problem come back and then make the problem go away" process methodology. This is unbelievable, but true. I could make the problem come back by firmly pressing against the harness (as is done by the "Vortec" cover) up against the TDST while the engine was idling in PARK. I would then pull the harness away from the TDST shut the engine down and re-start it and the problem would go away. I did this four times shutting the engine off and re-starting it noting the problem coming back (harness pressed firmly against the TDST) and going away (harness pulled slightly away from the TDST). It should be noted that the problem that showed on the dash display WAS: Engine Power Reduced - Stabilitrak error icon light - service traction control message - CEL (Check Engine Light) ....every time...with OBDII DTC scanner codes P0220 P2135 P0222. Now that this diagnostic testing has been validated, it is also theorized that high humidity environments also aggravate the situation to cause the issue intermittently, especially during wet conditions. It should be noted also that the TDST showed minor removal of its black epoxy paint covering, but there must have been enough removal to effectuate a ground to the TPS 2 switch B circuit signal output from the TPS so that the ECM/TAC caused these resultant errors and engine de-optimizations through this problem detection. Crazy!!! Yes! True. Yes! So far now after this fix (harness rerouted and wire wrapped with insulation wrapping) no problem and good idling and driving. I will update later if anything else happens, but I think we nailed this one. I sincerely hope this helps others participating in this forum. (Also thank you KASEKENNY1 for all your encouragement and help.)
Sep 27, 2019 at 2:29 PM
Avatar
KASEKENNY
  • CERTIFIED EXPERT
  • 18,907 POSTS
Great update. Thanks for the detail. Yes. Wiring issues are sometimes hard to believe but I have seen my share that this is 100% believable.

Please come back and start a new post if you have other issues because I am sure you put this one to bed. Good Job!
Sep 27, 2019 at 6:28 PM
Avatar
JUSTPLAINWAYNE
  • MEMBER
  • 12 POSTS
KASEKENNY1
Requesting your expert opinion. I too believe that we have nailed the issue. Never-the-less, I did replace the TPS on the throttle valve assembly and also the APP assembly under the dash in the truck. With this, how critical do you think it is that the ECM be reprogrammed after doing this if the truck is running fine now? I ask this because a technical bulletin(s) indicates that this is necessary when the TPS is replaced. I'm referring to GM Service Bulletin 11-06-04-007B and 11-06-04-007C. Do you know, or does someone you know, have first-hand knowledge pertaining to the new software having "real" fundamental, functionality updates relative to the proper operation (enhanced operation) of these assemblies with each other? No hurry on that reply amigo. (If I don't need to take the truck to the dealer for this reprogramming step I prefer not to (if you know what I mean.) Thanks ahead of time.
Sep 28, 2019 at 11:09 PM
Avatar
KASEKENNY
  • CERTIFIED EXPERT
  • 18,907 POSTS
Good question. I read the TSBs and this is not having you replace the throttle body assembly only the TP cover. This means the sensor is working just fine but what the OEM does is figure out a better way to operate the throttle body and they alter the control modules software so that it operates it in the new fashion. Basically, this is to prevent issues that they have found.

Look at it like "bug fixes" for your cell phone or APPs. Whenever Apple puts out a new software version, we all perform the update for best performance or bug fixes, not necessarily because we had an issue with the phone. The phone worked just fine before but after the update we may notice it doesn't lock up as much or doesn't have some other issue that they corrected with that software. Same exact situation here. This is not a procedure that must be done in order to have the truck operate. However, it is a good idea to have it done so you don't have the issue that they corrected in this flash.

I would suggest just having a dealer or any other shop that is capable of performing these updates do your next oil change and tell them to perform all updates available while they are there. This way it is not a special trip to the dealer and it is less inconvenient. Yes it will cost a little bit more money but if you haven't had things updated in a while, it is a good idea because it can prevent some parts from failing.

In short, you will be fine without it but it is a good idea.

Hopefully this answers your question.
Sep 29, 2019 at 7:14 AM
Avatar
JUSTPLAINWAYNE
  • MEMBER
  • 12 POSTS
Thank you KASEKENNY1. I'll be back if the issue resurfaces somehow, but I think we got it this time. As I mentioned before, it is a blessing to know that "we out here" have help from experts like you guys.
Wayne
Sep 29, 2019 at 10:15 AM
Avatar
JUSTPLAINWAYNE
  • MEMBER
  • 12 POSTS
Just as an update, the truck has been running fine ever since the problem was identified and corrected as communicated in this JUSTPLAINWAYNE / KASEKENNY1 information string. I will try to give at least one more update in a month or so to this site.
Oct 9, 2019 at 4:34 PM
Avatar
KASEKENNY
  • CERTIFIED EXPERT
  • 18,907 POSTS
Thank you for the update. This site is only as good as the info provided and if they lead to solutions. Too often we don't know if the info provided helped so thank you for helping to make this site better.
Oct 9, 2019 at 6:00 PM
Avatar
JUSTPLAINWAYNE
  • MEMBER
  • 12 POSTS
First thing that I would do is to read the error code(s) with a OBDII scanner/reader and report the error code(s) on this web site forum. Normally, the error code(s) will help in identifying the source of the problem. The OBDII port is usually at the bottom of the dash. (When your vehicle is safety inspected they connect to it for the emissions test.) Just as an example, I saw an Autel scanner at Walmart for for just $19.99, so they're reasonably priced and they come with instructions on how to use them.
Oct 18, 2019 at 9:21 PM
Avatar
STRAILER
  • CERTIFIED EXPERT
  • 53,854 POSTS
Excellent addition to this thread! :)
Oct 19, 2019 at 10:55 AM
Avatar
JUSTPLAINWAYNE
  • MEMBER
  • 12 POSTS
Thank you Ken.
Oct 19, 2019 at 2:40 PM
Avatar
JUSTPLAINWAYNE
  • MEMBER
  • 12 POSTS
Well, I mentioned that I would "close the loop" on this forum pertaining to the problem and solution that I have reported with my 2010 Chevy Silverado. (check the JUSTPLAINWAYNE info. string). I'm happy to say all is still fine with my truck and the identified problem was corrected and enough time has now passed to support the fix / solution. No more reports will be provided on this situation, unless, hopefully not, a re-occurrence happens. Thank to to this forum and its participants.
Nov 8, 2019 at 1:15 PM
Avatar
STRAILER
  • CERTIFIED EXPERT
  • 53,854 POSTS
Good to hear, please use 2CarPros anytime we are here to help.
Nov 8, 2019 at 4:45 PM
Avatar
STEVIEKAYE11
  • MEMBER
  • 1 POST
Now my truck says service stabiliktak and reduced engine power. I had the stabiliktak services about six months ago and they replaced a sensor as well.
Sep 10, 2020 at 12:55 PM (Merged)
Avatar
JACOBANDNICKOLAS
  • CERTIFIED EXPERT
  • 110,175 POSTS
Welcome to 2CarPros.

First, you really should have the computer scanned to identify diagnostic trouble codes. Here is a quick video showing how it is done:

https://youtu.be/YV3TRZwer8k

I realize most people don't own one, but often times parts stores will do it for you free of charge or rent / lend you the tool.

Next, most often, the light is triggered by a bad wheel speed sensor or even low brake fluid.

Here is a link that shows how to check wheel speed sensors:

https://www.2carpros.com/articles/abs-wheel-speed-sensor-test

I don't know if you need them, but here are a couple links that you may find helpful when checking the sensors:

https://www.2carpros.com/articles/how-to-use-a-voltmeter

https://www.2carpros.com/articles/how-to-check-wiring

__________________________________

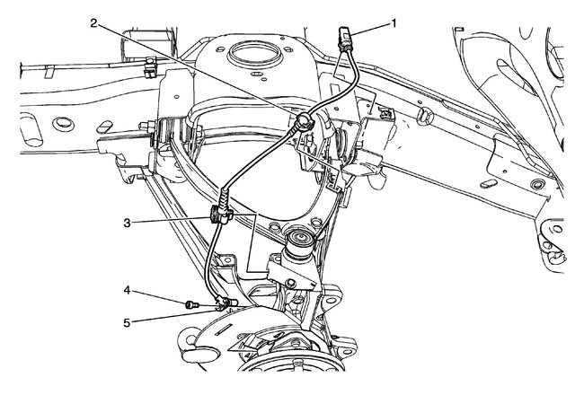
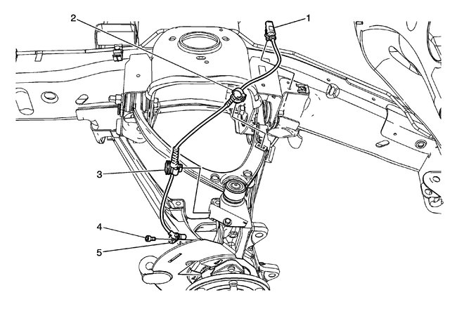
If you find one of the sensors is bad, directions for front sensor replacement are listed in pictures 1 and 2

Pictures 3 and 4 are related to rear sensor replacement.

__________________________________

Let me know what you find. Also, and don't laugh, make sure the brake fluid is full.

I will watch for your reply.

Joe
Sep 10, 2020 at 12:55 PM (Merged)
Avatar
2CP-ARCHIVES
  • MEMBER
  • 4,540 POSTS
my guage says "engine power is reduced" what does this mean
Sep 10, 2020 at 12:55 PM (Merged)
Avatar
ASEMASTER6371
  • CERTIFIED EXPERT
  • 52,796 POSTS
the fly by wire system has a failure. it could be the throttle body or the pedal sensor. it needs to be checked by a shop to confirm the failure

Roy
Sep 10, 2020 at 12:55 PM (Merged)
Avatar
ELASCALA
  • MEMBER
  • 1 POST
this morning a warning light saying "engine power reduced" appeared on my 69000 miles Silverado. Temp and oil gauges appear fine, could this be a stuck thermostat. I could not accelerate over 50MPH
Sep 10, 2020 at 12:56 PM (Merged)
Avatar
WRENCHTECH
  • CERTIFIED EXPERT
  • 20,761 POSTS
No, that's a lot more technical than that. Your truck is equipped with a "drive by wire" throttle system that uses redundant sensors to read throttle position and if the computer detects a problem in any one of them, it limits the truck to half throttle. You need a shop that is well versed in diagnostics and has an updated professional scan tool that can interface with these controls.
Sep 10, 2020 at 12:56 PM (Merged)
Avatar
STAPLERS
  • MEMBER
  • 2 POSTS
Referencing JUSTPLAINWAYNE:

I have a similar story that supports JUSTPLAINWAYNE’s description.

A quick description, then details following if you want to read them.

1. Reduced engine power, OBD Code P2135 and P2176, no date or mileage
2. Throttle Body replaced by Dealer, OBD Code P2135 and P2176, no date or mileage
3. Throttle Body replaced under warranty by Dealer, OBD Code P2135 and P2176, no date or mileage
4. 05/12/2021, 207824 miles, Throttle Body replaced by local repair shop
5. OBD Code P2135 and P2176, no date or mileage, local repair shop offered to replace Throttle Body under warranty
That’s 4 Throttle Bodies including the original, and a fifth one offered.
6. 10/12/2022, 230760 miles, repaired Throttle Body wiring
7. 09/01/2025, 265500 miles – no low power events in last 3 years and last 35,000 miles

That’s the summary of my low power events and the final solution. In my case, finding a wiring fault and fixing it resolved my problems. Seems simple but it took a couple of years and dozens of hours to find the fault. Read on if you’re interested in the details.

Symptoms:

During heavy downpours while driving, my 2011 Suburban 5.3L vehicle would randomly go into low power mode. This included messages about Check Engine Light, StabilTrack warnings, and Service Traction Control. Stopping beside the road and using my cheap code reader, I found mostly error codes about DTC P2135, “Throttle Position Sensor/Switch A/B Voltage Correlation”, and sometimes P2176 “Throttle Control System – Idle Position Not Learned” (DTC descriptions according to my code reader). My problems, as opposed to some other complaints, only occurred during wet road conditions, or occasionally when running through a car wash. I could delete the codes and resume driving, although sometimes the P2135 code would be “permanent” and not delete-able.

Investigative Efforts

Over the course of several months, I tried several “fixes”, such as re-grounding all accessible ground points, adding ground straps when engine ground straps were not accessible, isolating many wire bundles from rub points, etc. Nothing worked. I had previously read about the specific wire bundle from the Throttle Body Control Valve possibly rubbing the transmission dipstick tube, due to displacement by the Vortex engine cover, and causing insulation issues, and had zip tied the old brittle wire bundle covering (wire loom) and positioned the wire bundle out of contact with the dip tube. My dip tube had foam insulation around it so I did not think that this was an issue, but I isolated it anyway. I revisited all these issues multiple times, using a garden hose to spray water underneath the engine, through the hood crack, onto connections and wiring between the Throttle Body Control valve and the under-hood computer, all to no avail. My failures still randomly occurred during driving in wet road conditions. Every attempt to recreate water infiltration under the hood, using a water hose, simulating as best as possible driving in heavy rain, were fruitless.

Reading this trail of emails caused me to again concentrate on the zone of wiring where the engine cover displaces the Throttle Body Control valve wiring bundle. I inspected the wiring in this area as best as a fat old guy could, but could not see any missing insulation. I then sprayed tap water from a spray bottle onto the individual wires in the bundles in this area (starting at the Throttle Body and following around the back of the engine and then forward to the computer) that were exposed by the crumbling protective wire loom. I did this repeatedly (three or four times), and my engine suddenly went into low power mode while spraying a particular zone. I repeated this several times and I could cause the engine to go into low power mode – AT WILL. Once I caused low power mode the first time, I only had to wet the zone again with the spray bottle and it would quickly go into low power mode. The last time it threw 6 codes, three for P2135 and three for P2176. One P2135 and one P2176 were “permanent” and I could not clear them but the engine cranked and ran O.K.

I thought that flooding the suspected areas with water from a garden hose would be the ultimate insulation test, but prolonged spraying from a bottle of tap water turned out to be a better test. I can only speculate that - at least in my case - the water had to have time to soak through the wire loom and insulation and thoroughly wet the area, so that any additional water quickly penetrated the wiring bundles and contacted the exposed conductors. I would advise anyone trying to reproduce failures by using water spray to be patient. Spray the selected conductors or components, let it soak, spray it, let it soak. Repeat. Repeat. Repeat. Spraying an alcohol solution might also be a good option since alcohol wets surfaces quickly. Just tap water only worked for me. I would not use any saline solution.

My events of low power were caused by damaged insulation on conductors “connected to the wiring harness circuit”, but not directly connected to the Throttle Body Control valve. This failure zone was “in the vicinity of” the transmission dip tube, DESPITE the dip tube being insulated with a foam rubber sleeve. I did not spray “conductive”/salt water onto the wire bundle – just mildly conductive tap water. The lengthy, torturous wiring assembly is pressed against other solid components in this zone, so the dip tube may not in fact have been at fault for the damaged conductor insulation on my vehicle.

Another wire bundle, connected to the Throttle Body Control valve wiring bundle through a shared “Y” in the wiring harness (on the top back of the engine), was in front of and interfered with spraying only the target wire bundle directly connected to the Throttle Body Control, and lots of the water spray hit the front (interference) wire bundle as well. I was never able to completely separate these two wire bundles so that I could wet only one at a time, when I was causing low power mode. Wetting both wire bundles at the same time definitely caused low power mode every time, and I assumed that there was unobservable damage to the “back” wire bundle, the one connected directly to the Throttle Body Control valve, that was causing the failures. Surprisingly, there was no damage found by the repair shop to the back wire bundle connected directly to the Throttle Body Control, the damage was to the “front” bundle, which was connected through a “Y” connection to the Throttle Body Control valve wire bundle. There were “slits” in two wires in this bundle that when wetted caused the low power mode. Although neither conductor was contacting ground, they were close enough to each other to conduct between them I suppose.

As JUSTPLAINWAYNE surmised, missing (or damaged) insulation could make the circuit susceptible to humid conditions/water spray from wet roads causing low power mode problems. I will go further, and as supported by JUSTPLAINWAYNE’s description, 1. damaged insulation allowing intermittent signal grounding would cause the low power mode with or without moisture/water just due to intermittent physical signal grounding to metal, and 2. Damaged insulation could allow intermittent signal grounding during wet conditions without physical grounding/touching metal. These two different failure modes could lead to searching for different problems when in fact they are caused by the same thing – damaged insulation and not necessarily grounded conductors. Such a scenario could account for multiple low power failures during a single drive in dry weather, or sudden power loss when encountering a rainstorm, etc.

After finally being able to force failures – repeatedly - I had the wiring repaired and tested by a local shop. I am in week 155 and 35,000 miles into my fix, having driven through multiple monsoons since with no failures, and I am confident that this is my answer.

I made the repair shop remove the electricians tape initially used to "insulate" the wiring damage, cut the conductors, slide heat shrink tubing over the wires, make an in-line solder repair, and then shrink the tubing over the repair. Electricians tape will not survive the under hood temperatures.

As a side note, very similar low power episodes happened to me with a 2003 Tahoe – wet or dry. Multiple trips to a dealership and two Throttle Bodies later (three total), damaged wiring was discovered and repaired and this solved that issue. Damaged wiring seems to be a recurring theme in these failures.

Thanks JUSTPLAINWAYNE for causing me to refocus on the Throttle Body Control valve wiring where it is displaced by the engine cover.
Aug 31, 2025 at 6:57 PM
Avatar
STRAILER
  • CERTIFIED EXPERT
  • 53,854 POSTS
Excellent addition to this thread! Please feel free to use 2CarPros anytime!
Aug 31, 2025 at 7:02 PM
Avatar
STAPLERS
  • MEMBER
  • 2 POSTS
Referencing JUSTPLAINWAYNE:

I have a similar story that supports JUSTPLAINWAYNE’s description.

A quick description, then details following if you want to read them.

1. Reduced engine power, OBD Code P2135 and P2176, no date or mileage
2. Throttle Body replaced by Dealer, OBD Code P2135 and P2176, no date or mileage
3. Throttle Body replaced under warranty by Dealer, OBD Code P2135 and P2176, no date or mileage
4. 05/12/2021, 207824 miles, Throttle Body replaced by local repair shop
5. OBD Code P2135 and P2176, no date or mileage, local repair shop offered to replace Throttle Body under warranty
That’s 4 Throttle Bodies including the original, and a fifth one offered.
6. 10/12/2022, 230760 miles, repaired Throttle Body wiring
7. 09/01/2025, 265500 miles – no low power events in last 3 years and last 35,000 miles

That’s the summary of my low power events and the final solution. In my case, finding a wiring fault and fixing it resolved my problems. Seems simple but it took a couple of years and dozens of hours to find the fault. Read on if you’re interested in the details.

Symptoms:

During heavy downpours while driving, my 2011 Suburban 5.3L vehicle would randomly go into low power mode. This included messages about Check Engine Light, StabilTrack warnings, and Service Traction Control. Stopping beside the road and using my cheap code reader, I found mostly error codes about DTC P2135, “Throttle Position Sensor/Switch A/B Voltage Correlation”, and sometimes P2176 “Throttle Control System – Idle Position Not Learned” (DTC descriptions according to my code reader). My problems, as opposed to some other complaints, only occurred during wet road conditions, or occasionally when running through a car wash. I could delete the codes and resume driving, although sometimes the P2135 code would be “permanent” and not delete-able.

Investigative Efforts

Over the course of several months, I tried several “fixes”, such as re-grounding all accessible ground points, adding ground straps when engine ground straps were not accessible, isolating many wire bundles from rub points, etc. Nothing worked. I had previously read about the specific wire bundle from the Throttle Body Control Valve possibly rubbing the transmission dipstick tube, due to displacement by the Vortex engine cover, and causing insulation issues, and had zip tied the old brittle wire bundle covering (wire loom) and positioned the wire bundle out of contact with the dip tube. My dip tube had foam insulation around it so I did not think that this was an issue, but I isolated it anyway. I revisited all these issues multiple times, using a garden hose to spray water underneath the engine, through the hood crack, onto connections and wiring between the Throttle Body Control valve and the under-hood computer, all to no avail. My failures still randomly occurred during driving in wet road conditions. Every attempt to recreate water infiltration under the hood, using a water hose, simulating as best as possible driving in heavy rain, were fruitless.

Reading this trail of emails caused me to again concentrate on the zone of wiring where the engine cover displaces the Throttle Body Control valve wiring bundle. I inspected the wiring in this area as best as a fat old guy could, but could not see any missing insulation. I then sprayed tap water from a spray bottle onto the individual wires in the bundles in this area (starting at the Throttle Body and following around the back of the engine and then forward to the computer) that were exposed by the crumbling protective wire loom. I did this repeatedly (three or four times), and my engine suddenly went into low power mode while spraying a particular zone. I repeated this several times and I could cause the engine to go into low power mode – AT WILL. Once I caused low power mode the first time, I only had to wet the zone again with the spray bottle and it would quickly go into low power mode. The last time it threw 6 codes, three for P2135 and three for P2176. One P2135 and one P2176 were “permanent” and I could not clear them but the engine cranked and ran O.K.

I thought that flooding the suspected areas with water from a garden hose would be the ultimate insulation test, but prolonged spraying from a bottle of tap water turned out to be a better test. I can only speculate that - at least in my case - the water had to have time to soak through the wire loom and insulation and thoroughly wet the area, so that any additional water quickly penetrated the wiring bundles and contacted the exposed conductors. I would advise anyone trying to reproduce failures by using water spray to be patient. Spray the selected conductors or components, let it soak, spray it, let it soak. Repeat. Repeat. Repeat. Spraying an alcohol solution might also be a good option since alcohol wets surfaces quickly. Just tap water only worked for me. I would not use any saline solution.

My events of low power were caused by damaged insulation on conductors “connected to the wiring harness circuit”, but not directly connected to the Throttle Body Control valve. This failure zone was “in the vicinity of” the transmission dip tube, DESPITE the dip tube being insulated with a foam rubber sleeve. I did not spray “conductive”/salt water onto the wire bundle – just mildly conductive tap water. The lengthy, torturous wiring assembly is pressed against other solid components in this zone, so the dip tube may not in fact have been at fault for the damaged conductor insulation on my vehicle.

Another wire bundle, connected to the Throttle Body Control valve wiring bundle through a shared “Y” in the wiring harness (on the top back of the engine), was in front of and interfered with spraying only the target wire bundle directly connected to the Throttle Body Control, and lots of the water spray hit the front (interference) wire bundle as well. I was never able to completely separate these two wire bundles so that I could wet only one at a time, when I was causing low power mode. Wetting both wire bundles at the same time definitely caused low power mode every time, and I assumed that there was unobservable damage to the “back” wire bundle, the one connected directly to the Throttle Body Control valve, that was causing the failures. Surprisingly, there was no damage found by the repair shop to the back wire bundle connected directly to the Throttle Body Control, the damage was to the “front” bundle, which was connected through a “Y” connection to the Throttle Body Control valve wire bundle. There were “slits” in two wires in this bundle that when wetted caused the low power mode. Although neither conductor was contacting ground, they were close enough to each other to conduct between them I suppose.

As JUSTPLAINWAYNE surmised, missing (or damaged) insulation could make the circuit susceptible to humid conditions/water spray from wet roads causing low power mode problems. I will go further, and as supported by JUSTPLAINWAYNE’s description, 1. damaged insulation allowing intermittent signal grounding would cause the low power mode with or without moisture/water just due to intermittent physical signal grounding to metal, and 2. Damaged insulation could allow intermittent signal grounding during wet conditions without physical grounding/touching metal. These two different failure modes could lead to searching for different problems when in fact they are caused by the same thing – damaged insulation and not necessarily grounded conductors. Such a scenario could account for multiple low power failures during a single drive in dry weather, or sudden power loss when encountering a rainstorm, etc.

After finally being able to force failures – repeatedly - I had the wiring repaired and tested by a local shop. I am in week 155 and 35,000 miles into my fix, having driven through multiple monsoons since with no failures, and I am confident that this is my answer.

I made the repair shop remove the electricians tape initially used to "insulate" the wiring damage, cut the conductors, slide heat shrink tubing over the wires, make an in-line solder repair, and then shrink the tubing over the repair. Electricians tape will not survive the under hood temperatures.

As a side note, very similar low power episodes happened to me with a 2003 Tahoe – wet or dry. Multiple trips to a dealership and two Throttle Bodies later (three total), damaged wiring was discovered and repaired and this solved that issue. Damaged wiring seems to be a recurring theme in these failures.

Thanks JUSTPLAINWAYNE for causing me to refocus on the Throttle Body Control valve wiring where it is displaced by the engine cover.

(I tried to post this previously but not sure if it was successful. If you find two of these, delete one.)
Aug 31, 2025 at 7:03 PM