code P0183

2004 FORD EXPLORER
152,000 MILES • 4.0L • 6 CYL • 4WD • AUTOMATIC
Avatar
04EXPLORER
  • MEMBER
  • 4 POSTS
Need assistance not just locating the issue but fixing it as well.
Mar 17, 2019 at 7:41 PM
Advertisement
Avatar
JOETECHPRO
  • CERTIFIED EXPERT
  • 705 POSTS
Hey 04EXPLORER,

The P0183 code relates to the Fuel Temperature Sensor A - Circuit High Input.

This can be potentially due to a faulty sensor or shorted/broken wiring.

The first stage would be to check the current temperature the sensor is reading.

Do you have access to a scan tool with live data?

Regards, Joe
Mar 17, 2019 at 11:02 PM
Avatar
04EXPLORER
  • MEMBER
  • 4 POSTS
No I don’t. The app I had doesn’t work with iPhone unfortunately.
Mar 18, 2019 at 6:14 AM
Advertisement
Avatar
JOETECHPRO
  • CERTIFIED EXPERT
  • 705 POSTS
Hey 04EXPLORER,

The first step is to work out whether or not you currently have a currently present fault or if it an intermittent fault. To do this you will need to access a scanner that can has this function. You can try deleting the code and seeing how long it takes it to return, that will give you a good idea of it is constant or sporadic.

The fuel temperature sensor on this vehicle looks like it is integrated into the fuel pressure sensor (on the fuel rail) I can get you the location and wiring diagrams for testing, but before doing this you will need to confirm you have an incorrect reading from the sensor.

Regards, Joe
Mar 18, 2019 at 9:20 AM
Avatar
04EXPLORER
  • MEMBER
  • 4 POSTS
It’s definitely constant. I turned the code off last week just before leaving home. Before I drove to the corner which is less than a mile it was back on.
Mar 18, 2019 at 9:25 AM
Avatar
JOETECHPRO
  • CERTIFIED EXPERT
  • 705 POSTS
Hey 04EXPLORER,

If you can find a way to get a read out from the fuel temperature sensor and give me the current value please. This would be very quick for someone with a scanner with live data.

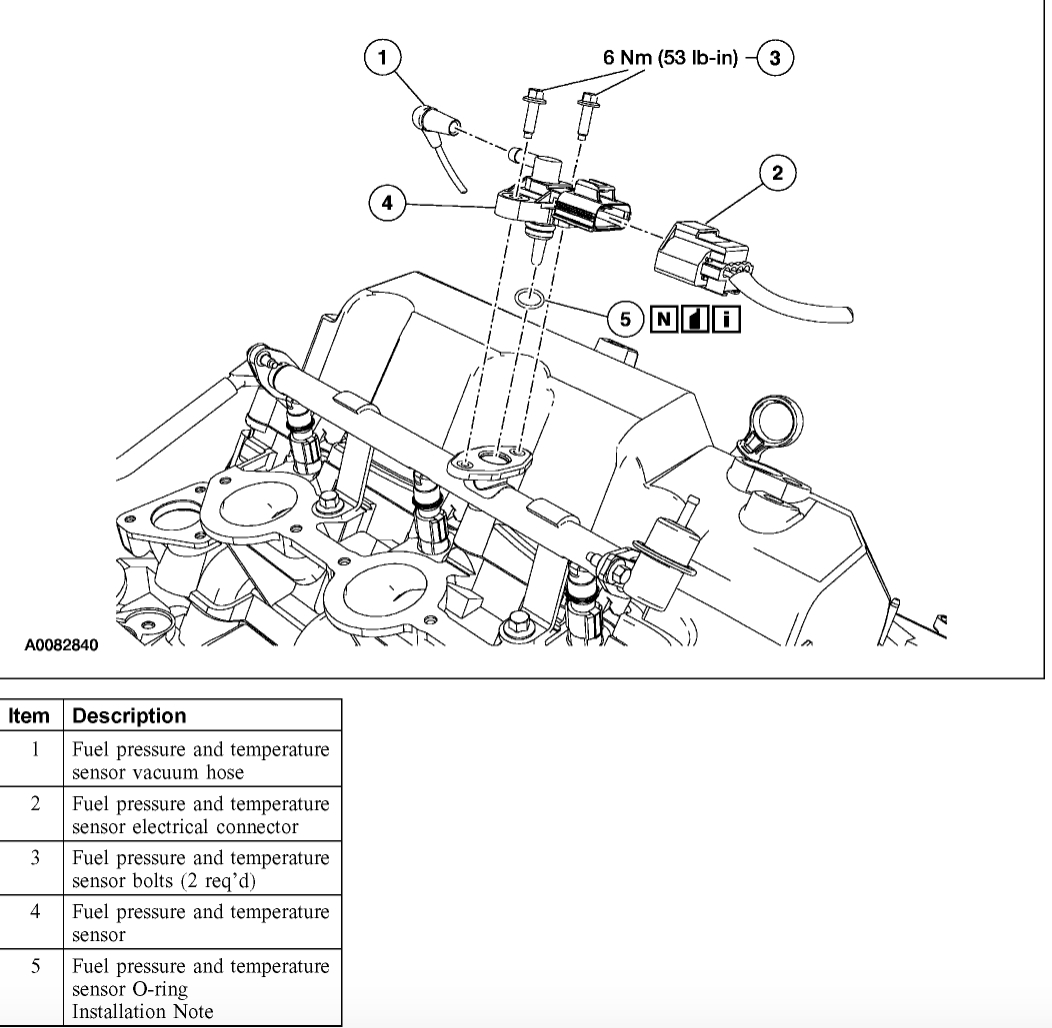
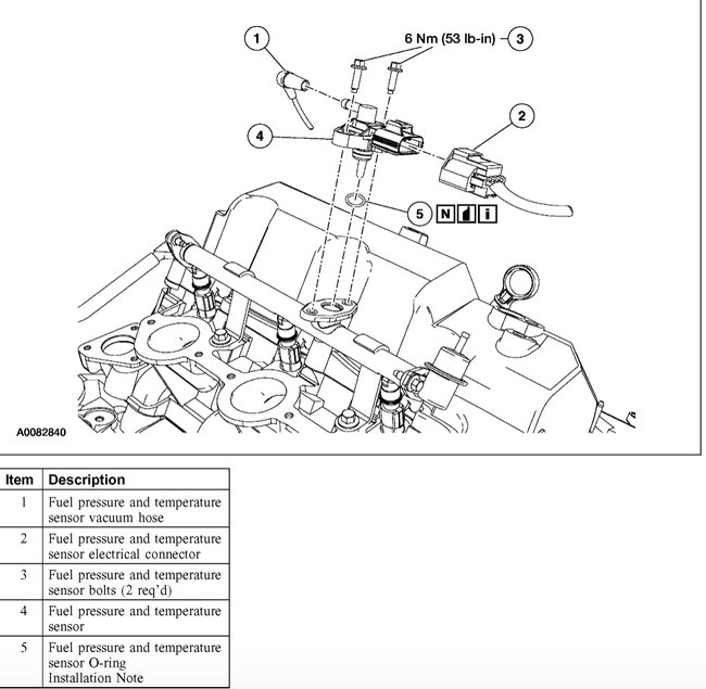
The sensor in question is shown in the attached picture.

It states you need to remove part of the intake to replace the sensor but you may be able to unplug it without intake removal for testing.

If you can inspect and find the sensor, trace the wiring to see if there is any obvious damage. Areas where is can rub through or be pinched.

Let me know how you go locating the sensor and i can provide further diagrams if required.

Are you comfortable with wire testing?

Regards, Joe

Mar 18, 2019 at 12:05 PM
Avatar
04EXPLORER
  • MEMBER
  • 4 POSTS
Thanks, I decided to just replace the sensor. Yet I did notice that some of the bolts weren’t very snug either. After a couple more drive cycles I’ll keep you posted if that was the solution.
Mar 18, 2019 at 12:07 PM
Avatar
JOETECHPRO
  • CERTIFIED EXPERT
  • 705 POSTS
Hey 04EXPLORER,

Awesome, please do let us know if this solves your issue.

Look forward to your response.

Regards, Joe
Mar 18, 2019 at 12:48 PM