Code P0174, Lean Bank 2?

2004 NISSAN XTERRA
126,000 MILES • 3.3L • V6 • 4WD • AUTOMATIC
Avatar
BLAZ85
  • MEMBER
  • 54 POSTS
The above vehicle is the non-supercharged model.
We have a P0174 code, Lean Bank 2. We also have a P0158, downstream O2 sensor, bank 2, remaining a high voltage too long.
My question is, can this incorrect operating O2 sensor cause or at least contribute to the P0174, both are found on bank 2?

Another related question. It is my understanding that the downstream O2 sensor only monitors and reports to ECM the efficiency of the catalytic converter and the upstream O2 sensor reports fuel/air ratio to ECM for adjustment/correction. Is this correct or in our case is the defective downstream sensor affecting our fuel/air ratio?

Thank you in advance for your reply. You have always been most helpful in the past.
Aug 4, 2023 at 10:03 AM
Advertisement
Avatar
JACOBANDNICKOLAS
  • CERTIFIED EXPERT
  • 110,175 POSTS
Hi,

Interestingly, I would think a lean mixture would cause the downstream sensor to stay high. By any chance, is there an exhaust leak before the catalytic converter?

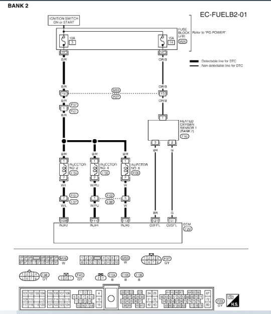
Next, the code, P0174 is a fuel injection code. in this case on bank 2. The high voltage is because it is telling the PCM to add fuel to that bank due to a lean mixture. I will tell you that the most common repair for this code is the actual oxygen sensor itself. See pic 1 below.

There are several things that can cause this. As I mentioned above, it could be an exhaust leak on that side of the engine before the converter. Additionally, it could be a vacuum leak at the intake, low fuel pressure, a failed fuel injector, and so on.

So, first off, have you checked to make sure there are no engine vacuum leaks? Also, have you checked the fuel pressure to make sure it is within the manufacturer's pressure specifications? If not, here are two links that explain how to do them. Try this first:

https://www.2carpros.com/articles/how-to-use-an-engine-vacuum-gauge

https://www.2carpros.com/articles/how-to-check-fuel-system-pressure-and-regulator

Pic 2 below provides the manufacturer's fuel pressure specifications.

The remaining pics are the diagnostics for both a lean mixture for code P0174 and P0171. You can ignore the P0171 information because it is for a lean mixture on bank 1.

Take a look through the diagnostics and let me know if this is something you are comfortable performing.

Take care,

Joe

See pics below.
Aug 4, 2023 at 9:30 PM