codes P0135 and p0154, upstream o2 sensors?

2000 GMC SIERRA
160,000 MILES • 5.3L • V8 • 2WD • AUTOMATIC
Avatar
DAYSTEVE40
  • MEMBER
  • 1 POST
I need to know what pins on the connectors and the pins on the ECM. I need to check and test for wiring problems with the upstream o2 sensors.
Dec 18, 2022 at 1:00 AM
Advertisement
Avatar
JACOBANDNICKOLAS
  • CERTIFIED EXPERT
  • 110,175 POSTS
Hi,

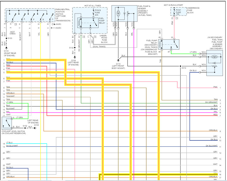
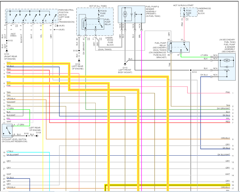
I attached the entire wiring schematic for the powertrain management circuits. I highlighted all wiring related to the oxygen sensors.

Take a look through the schematic and let me know if this helps or if you have other questions.

Take care,

Joe

See pics below. Note: The schematics were 5 pages long. I cut each page in half to make them readable for you. I also overlapped them so you can follow from one to the next.
Dec 18, 2022 at 1:41 PM