Check engine light turned on, code P0107

1997 CHEVROLET CAMARO
156,000 MILES • 3.4L • V6 • 2WD • MANUAL
Avatar
IGENIUS92
  • MEMBER
  • 205 POSTS
Hello, i am trying to get my car to pass smog. i was driving and the check engine light came on and gave me a p0107 code. can anyone help on how to fix this?
Jan 19, 2019 at 6:49 PM
Advertisement
Avatar
JACOBANDNICKOLAS
  • CERTIFIED EXPERT
  • 110,175 POSTS
Hi and thanks for using 2CarPros.

That code indicates low voltage to the manifold absolute pressure sensor (MAP). The first thing I would recommend is to check the plug to the sensor to make sure there isn't corrosion or a weak connection. Note: If you find the connection is the problem, it will take 40 warm up cycles for it to reset itself or you can use a scanner, clear the code, and see if it comes back.


Here is a description of the circuit and how to check it. It will require a scanner that can read live data

Next, on your vehicle, the manifold absolute pressure (MAP) sensor is mounted to the intake manifold vacuum source. See picture 4

NOTE: Pictures 1-3 are a flow chart for diagnostic trouble shooting.

CIRCUIT DESCRIPTION

The Manifold Absolute Pressure (MAP) sensor responds to changes in intake manifold pressure (vacuum). The MAP sensor signal voltage to the PCM varies from below 2 volts at idle (high vacuum) to above 4 volts with the key ON, engine not running or at wide-open throttle (low vacuum). The MAP sensor is used to determine manifold pressure changes while the EGR flow test diagnostic is being run (refer to DTC P0401), to determine engine vacuum level for some other diagnostics and to determine barometric pressure (BARO). See: A L L Diagnostic Trouble Codes ( DTC ) > P Code Charts > P0401

The PCM monitors the MAP signals for voltages outside the normal range of the MAP sensor. If the PCM detects a MAP signal voltage that is excessively low, DTC P0107 will be set.

CONDITIONS FOR SETTING THE DTC

- No Throttle Position (TP) sensor DTCs present.

- The engine is running.

- Throttle angle above 0%, if engine speed is less than 1000 RPM.

- Throttle angle above 6%, if engine speed is greater than 1000 RPM.

- The MAP sensor signal voltage is less than 0.1 volt.

- Above conditions present for longer than 200 3X reference periods (67 crankshaft revolutions).


ACTION TAKEN WHEN THE DTC SETS

- The PCM will illuminate the Malfunction Indicator Lamp (MIL) during the second consecutive trip in which the diagnostic test has been run and failed.

- The PCM will store conditions which were present when the DTC set as Freeze Frame and Fail Records data.


CONDITIONS FOR CLEARING THE MIL/DTC

- The PCM will turn the MIL OFF during the third consecutive trip in which the diagnostic has been run and passed.

- The history DTC will clear after 40 consecutive warm-up cycles have occurred without a fault.

- The DTC can be cleared by using the scan tool Clear Info function or by disconnecting the PCM battery feed.


DIAGNOSTIC AIDS

Check for the following conditions:

- Poor connection at the PCM. Inspect harness connectors for backed out terminals, improper mating, broken locks, improperly formed or damaged terminals, and poor terminal to wire connection.

- Damaged harness. Inspect the wiring harness for damage. If the harness appears to be OK, observe the MAP display on the scan tool while moving connectors and wiring harnesses related to the sensor. A change in the dIsplay will indicate the location of the fault.

If DTC P0107 cannot be duplicated, the information included in the Fail Records data ban be useful in determining since the DTC was last set. If it is determined that the DTC occurs intermittently, performing the DTC P1107 Diagnostic Chart may isolate the cause of the fault.


TEST DESCRIPTION

Number(s) below refer to the step number(s) on the Diagnostic Table:

11. This vehicle is equipped with a PCM which utilizes an Electrically Erasable Programmable Read Only Memory (EEPROM). When the PCM is being replaced, the new PCM must be programmed.


_______________________________________

Here are a few links that show how to test wiring and use the tooling needed.

https://www.2carpros.com/articles/how-to-use-a-test-light-circuit-tester

https://www.2carpros.com/articles/how-to-use-a-voltmeter

https://www.2carpros.com/articles/how-to-check-wiring

______________________________________

Let me know if this helps or if you have other questions

Take care,
Joe
Jan 19, 2019 at 7:27 PM
Avatar
IGENIUS92
  • MEMBER
  • 205 POSTS
It has been raining a lot while i drive lately so i think some water may have came up into the engine compartment, but if i just replace the MAP sensor with one from a junk yard in good condition would it take 40 warm up cycles to reset? What exactly is a warm up cycle?
Jan 19, 2019 at 7:35 PM
Advertisement
Avatar
JACOBANDNICKOLAS
  • CERTIFIED EXPERT
  • 110,175 POSTS
Hi:
That is what it takes for the system to realize there is no longer a problem. A warm up cycle is nothing more than driving the vehicle until it reaches operating temperature. I don't know where you are located, but you may find a parts store that will lend or rent a scanner to you.

Let me know.

Joe
Jan 19, 2019 at 8:18 PM
Avatar
IGENIUS92
  • MEMBER
  • 205 POSTS
Well, i have a scanner that does live data reading.
Jan 19, 2019 at 8:21 PM
Avatar
JACOBANDNICKOLAS
  • CERTIFIED EXPERT
  • 110,175 POSTS
Take a look at the pictures I attached above. They include a diagnostic flow chart related to the code you have.

Let me know if that helps.

Take care,
Joe
Jan 20, 2019 at 7:27 PM
Avatar
IGENIUS92
  • MEMBER
  • 205 POSTS
Great. also, do you have any pictures of its location? It is a 3800 series engine.
Jan 20, 2019 at 7:28 PM
Avatar
JACOBANDNICKOLAS
  • CERTIFIED EXPERT
  • 110,175 POSTS
Hi:
Picture 4 listed above is its location. It is mounted to the intake manifold.

Let me know if this helps. I reattached the picture for you below.

Take care,
Joe
Jan 20, 2019 at 7:39 PM
Avatar
IGENIUS92
  • MEMBER
  • 205 POSTS
Helps a little. sorry to ask if there is a better picture?
Jan 20, 2019 at 7:52 PM
Avatar
JACOBANDNICKOLAS
  • CERTIFIED EXPERT
  • 110,175 POSTS
Not a problem. That's the only one I have. If you look on the inside portion of the valve cover, you should see it.

Let me know.
JOe
Jan 20, 2019 at 8:50 PM
Avatar
IGENIUS92
  • MEMBER
  • 205 POSTS
Okay, thanks.
Jan 20, 2019 at 10:14 PM
Avatar
JACOBANDNICKOLAS
  • CERTIFIED EXPERT
  • 110,175 POSTS
Happy to help. Let me know if you find it.

Take care,
Joe
Jan 22, 2019 at 4:59 PM
Avatar
IGENIUS92
  • MEMBER
  • 205 POSTS
So i found the map sensor on the catalytic converter and replaced it with a good one from the pick n pull yard and i even cleaned it with MAF sensor cleaner and now i am getting a code p0108 telling me it is too high of voltage? Before it gave me a p0107 code on the original MAP sensor on my car. i have not done the drive cycle yet i just put the MAP sensor in and reconnected my battery and used the code reader.
Jan 30, 2019 at 8:39 AM
Avatar
JACOBANDNICKOLAS
  • CERTIFIED EXPERT
  • 110,175 POSTS
Hi and welcome back:

Clear the code and drive it. See if the light comes back on and if the code is the same.

Let me know.

Joe
Jan 30, 2019 at 9:11 AM
Avatar
IGENIUS92
  • MEMBER
  • 205 POSTS
Okay, great. will do, thanks.
Jan 30, 2019 at 9:16 AM
Avatar
JACOBANDNICKOLAS
  • CERTIFIED EXPERT
  • 110,175 POSTS
Let me know what you find.

Take care,
Joe
Jan 30, 2019 at 5:54 PM
Avatar
IGENIUS92
  • MEMBER
  • 205 POSTS
So here's the update: i cleared the code and ran the cycle no check engine light on during the cycle and no codes came up after i plugged the ob2 in. checked the ready test and my ob2 all have a check mark except the EGR ready light has an X mark not a green check mark like the other's. Is it ready for smog?
Jan 30, 2019 at 7:40 PM
Avatar
JACOBANDNICKOLAS
  • CERTIFIED EXPERT
  • 110,175 POSTS
That is all based on where you are located. I am in PA and we are permitted to inspect them with one system pending. If you were here, yes.

The fact that only one isn't reset, it may take a few more trips for it to ready. Hopefully, the problem is fixed and nothing will turn back on.

What to do is call the place you take it for emissions inspection. Ask if it will pass if all but one of the emissions systems has passed / is complete and one is still pending. See what they say.

If you are in PA, I know those rules. And yes, it is ready.

Let me know how it works out for you.

Joe
Jan 30, 2019 at 8:04 PM
Avatar
IGENIUS92
  • MEMBER
  • 205 POSTS
I am in CA. I will call someone tomorrow about the smog rules and try and do another cycle.
Jan 30, 2019 at 8:08 PM
Avatar
DANNY L
  • CERTIFIED EXPERT
  • 5,648 POSTS
Hello, I'm Danny.

No, the vehicle is not ready for testing.Nothing can be pending.You need to do normal daily driving (engine on and off, stop and go traffic) for about twenty to thirty miles.If car is ready after that go ahead and have tested.If a problem arises during that time check on light will come back on. California is a tough state for smog, I know I live in CA. Hope this helps and thanks for using 2CarPros.
Danny-
Jan 30, 2019 at 11:37 PM
Avatar
IGENIUS92
  • MEMBER
  • 205 POSTS
Okay, great. thanks for the information. i will drive another cycle, stop and go etc., and let you know the results.
Jan 30, 2019 at 11:39 PM
Avatar
JACOBANDNICKOLAS
  • CERTIFIED EXPERT
  • 110,175 POSTS
Sounds like a plan.

Take care,
Joe
Jan 31, 2019 at 6:19 PM
Avatar
IGENIUS92
  • MEMBER
  • 205 POSTS
So i drove it for over seventy five miles today and the EGR light still has an x mark on it.
Feb 1, 2019 at 5:12 AM
Avatar
JACOBANDNICKOLAS
  • CERTIFIED EXPERT
  • 110,175 POSTS
Can you upload the picture of what you are seeing on the scanner? I need to try to determine if it is pending or failed.

Thanks, Danny. Things are different here.

Let me know,

Joe
Feb 1, 2019 at 12:56 PM
Avatar
IGENIUS92
  • MEMBER
  • 205 POSTS
Sure, here's a picture of the ready test on my obd2.
Feb 1, 2019 at 1:20 PM
Avatar
JACOBANDNICKOLAS
  • CERTIFIED EXPERT
  • 110,175 POSTS
I was hoping I could identify if it was complete or incomplete. I see your confusion.

Do me a favor, if you still have the manual for this scanner, see if it indicates what the X stands for on this scanner.

Joe
Feb 1, 2019 at 3:37 PM
Avatar
IGENIUS92
  • MEMBER
  • 205 POSTS
The X states that it's not ready it says basically.
Feb 1, 2019 at 8:25 PM
Avatar
IGENIUS92
  • MEMBER
  • 205 POSTS
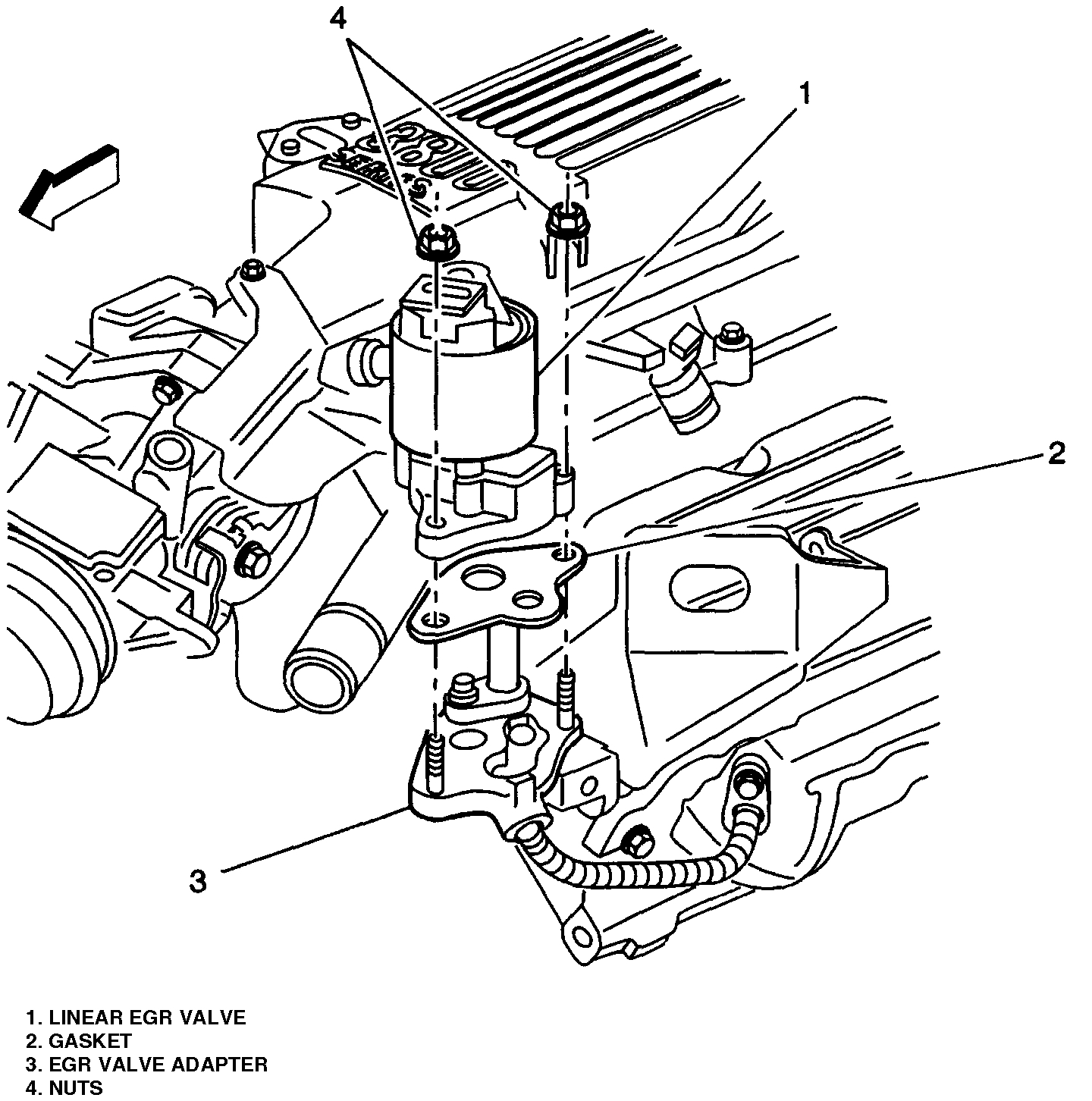
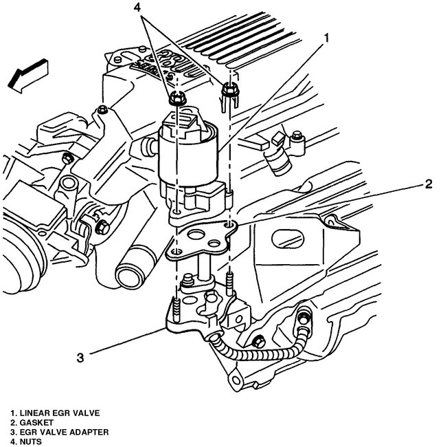
What should i do now? Replace the EGR? Is there a picture or diagram of where the EGR sensor is? Maybe i can just clean it.
It is a 1997 Camaro v6 3800 series engine 5 speed.
Feb 1, 2019 at 8:27 PM
Avatar
JACOBANDNICKOLAS
  • CERTIFIED EXPERT
  • 110,175 POSTS
Okay, if it isn't ready, that means the vehicle needs to be driven more (incomplete). The cycle hasn't completed. As far as the EGR, it's on the intake. I attached a picture of it.
Feb 1, 2019 at 9:13 PM
Avatar
IGENIUS92
  • MEMBER
  • 205 POSTS
Okay thanks. i will drive it longer and let you know the results.
Feb 2, 2019 at 6:17 PM
Avatar
JACOBANDNICKOLAS
  • CERTIFIED EXPERT
  • 110,175 POSTS
Okay. Let me know what happens.

Take care,
Joe
Feb 2, 2019 at 9:01 PM