Battery keeps draining

1988 CHEVROLET MASTER DELUXE
91,648 MILES • V8
Avatar
CHRISTYSHUMWAY
  • MEMBER
  • 1 POST
Just replaced the battery and it starts, when i turn it off the battery is drained.
2-day old battery had it checked and charged, did the same thing. completely drained. Can't find the draw. But it drains immediately. Help, I am 53-year-old woman by myself and i live in it, im in parking lot and can't leave.
Any chance you can give me some advice on what to do?
Thank you,
Christine

P-30 deluxe Motorhome Allagro by tiffin with a 454 engine.
Nov 7, 2021 at 11:40 AM
Advertisement
Avatar
KASEKENNY
  • CERTIFIED EXPERT
  • 18,907 POSTS
For the battery to drain in minutes on this specific vehicle means you most likely have no charging system at all, and you are trying to run a lot of stuff on just the battery.

You may not have an abnormal drain but just no way of keeping it charged because the alternator has failed. We need to start with having the alternator tested which a lot of parts stores can do free of charge, if this is an option in your specific situation.

Here is a guide that will help with this type of testing:

https://www.2carpros.com/articles/how-to-check-a-car-alternator

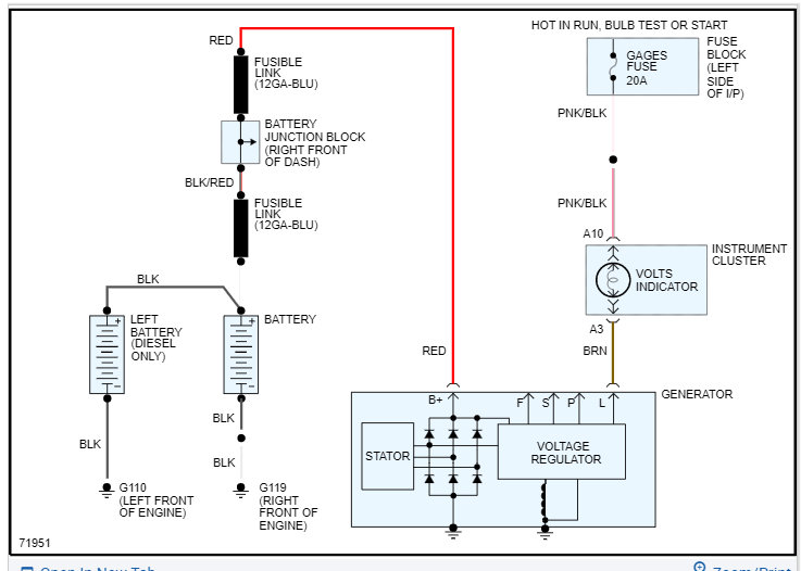
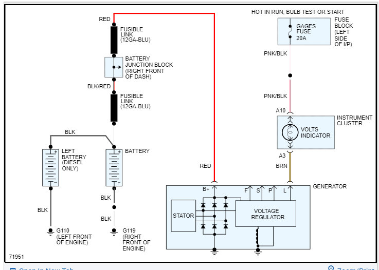
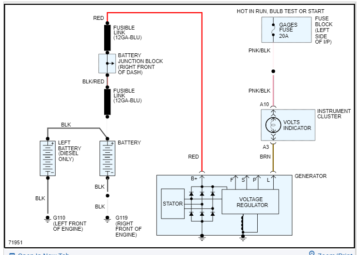
I am also attaching a wiring diagram that we can check voltage on the B+ and then each of the F, S, P, and L terminals.

https://www.2carpros.com/articles/how-to-check-wiring

Also, do you have a single or auxiliary battery set up with your motorhome?

If you have a second battery, then we need to check that as well because if you have only one battery charging then the other will drag them both down.

However, this is normally diesel only so you may only have the single battery.

Let's run through this and go from there. Thanks
Nov 7, 2021 at 12:30 PM