Oxygen sensor wiring harness connector?

1996 FORD MUSTANG
130,000 MILES • 3.8L • V6 • 2WD • MANUAL
Avatar
FRAZIER88
  • MEMBER
  • 43 POSTS
Okay, my wife was driving our car listed above 5 speed manual and bottomed out here in the desert and tore up some wires underneath so now I'm replacing the engine wiring harness connector that connects to the oxygen sensor. Believe it's the one after the catalytic converter the female connector on the harness side was smashed and wires pulled out so need to know colors and location on plug also any other wires in this harness their color and destination because I have other exposed wires there as well and any association between these wires and fuel pump because also had a 20 amp maxi fuse for the fuel pump to blow as well.
Jul 27, 2025 at 11:18 AM
Advertisement
Avatar
AL514
  • CERTIFIED EXPERT
  • 5,464 POSTS
Hello the wiring diagrams are showing 2 rear oxygen sensors, one for each bank of the engine, not sure how much of the harness is left or if wire colors can be identified at all, but I would assume the Oxygen sensor heater circuits may have also blown a fuse. They have a fused wire to each oxygen sensor(02) and then are ground side controlled by the ECM. The fuse that feeds the 02 heaters also looks to feed other components as well. But we can start with the 02 sensors and get those figured out for you and then move on to the fuel pump and such, Im sure something will set a code as well once things are back up and running. But with the 02 sensors, 2 of the 4 wires will be for the Heater circuit, and the other 2 wires are for the sensor signal and low reference(ground). Service info looks to only show one connector diagram for the 02 sensors, Im not sure they are all wired exactly the same, hopefully the oem diagrams can show a little more regarding that. But Ill get the 02 wiring diagrams for you ready first.
Jul 28, 2025 at 7:52 AM
Avatar
AL514
  • CERTIFIED EXPERT
  • 5,464 POSTS
These are the OEM Ford wiring diagrams, it looks like the aftermarket ones may be incorrect which is common on older service info. Hopefully there isn'tt too much going on in diagram 1 below, but it's actually very basic, each rear 02 will have 2 wires the same color at the sensor and those will be the heater circuit, but I would do all wire repairs before turning the key on, so no fuses pop. You can check the wiring at each 02 connector for any shorts to ground or continuity to the PCM connector using a multimeter set to read resistance (Ohms), you may know this stuff already, if so just let me know and I won't post so much information.
If the wiring is really bad, you may want to run new wire as far forward as you can, until you reach some wiring that has insulation left on it to identify wire colors. At least that way you'll know which wire should go to the correct 02 connector.
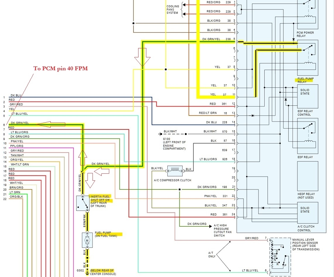
The transmission diagram shows where the 02's harness runs to, along with the vehicle speed sensor. I'm not sure how much around the transmission was damaged but just let us know what you need next. I see the fuel pump power comes from the fuel pump relay to the fuel shut off switch (Inertia switch), it branches off to the PCM from that point as well, so if the fuel pump relay does not activate, the PCM will see power missing on that circuit and can set a code for the fuel pump relay. I will post that next.

https://www.2carpros.com/articles/how-to-use-a-voltmeter

https://www.2carpros.com/articles/how-to-use-a-test-light-circuit-tester

https://www.2carpros.com/articles/how-to-check-a-car-fuse
Jul 28, 2025 at 9:02 AM
Advertisement
Avatar
AL514
  • CERTIFIED EXPERT
  • 5,464 POSTS
Here are the wire colors for the Fuel pump, it sounds like the brown/pink wire is probably the short to ground, since the Inertia switches are usually in the cab on the passenger side lower dash or right kick panel.
Jul 28, 2025 at 9:44 AM