If okay, it sounds like the thermostat is stuck closed or the cooling fan is not working. This guide should help us see what's going on. Then we can fix it.
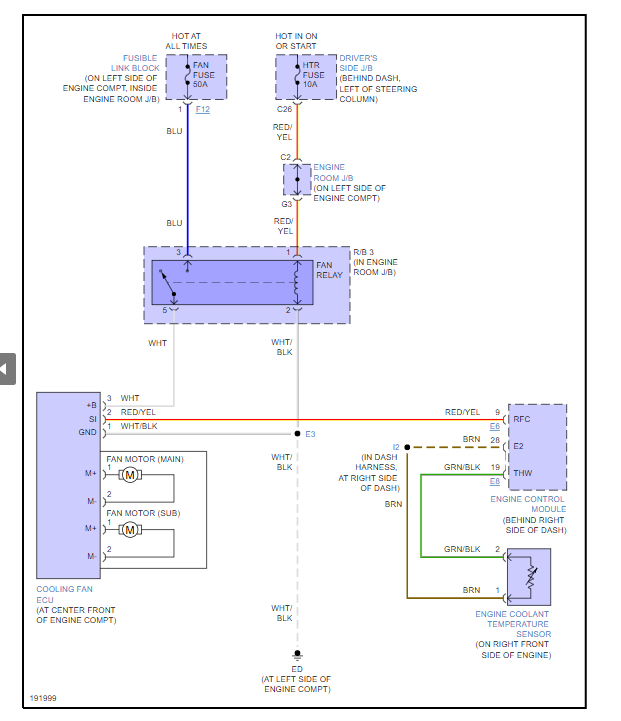
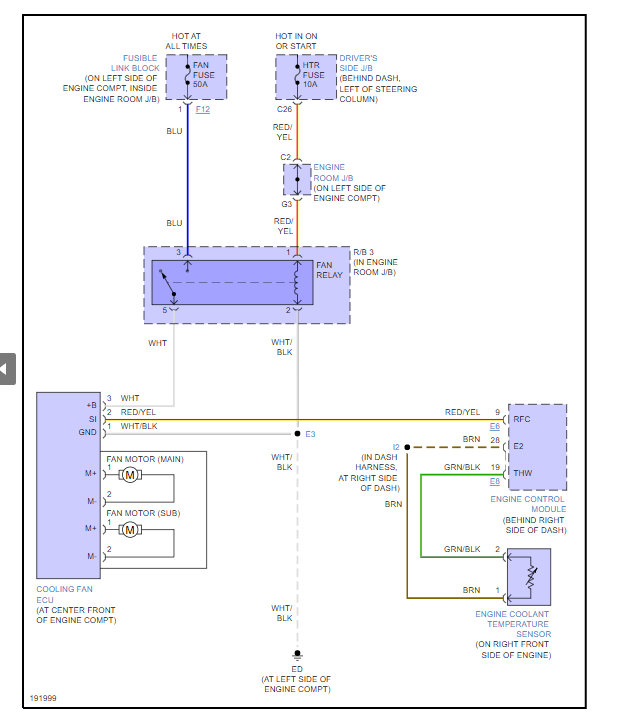
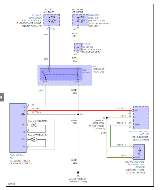
I have also included the wiring diagrams for the cooling fans so you can see how the system works and which fuses to test. Check out the diagrams (below). Let us know what happens and please upload pictures or videos of the problem.
Images (Click to enlarge)
Jun 20, 2022 at 12:04 PM
RUBEN541X13
MEMBER
24 POSTS
The cooling fans work. I replaced the thermostat, and it still overheats on idle only.
Jun 20, 2022 at 2:54 PM
Advertisement
STRAILER
CERTIFIED EXPERT
53,854 POSTS
Does the engine boil over at idle? I have seen where the water pump impeller becomes loose or is broken which doesn't allow the coolant to flow when idling. To be sure the water pump needs to be removed here are the instructions to do so in the diagrams below. Check out the diagrams (below). Please let us know what happens.