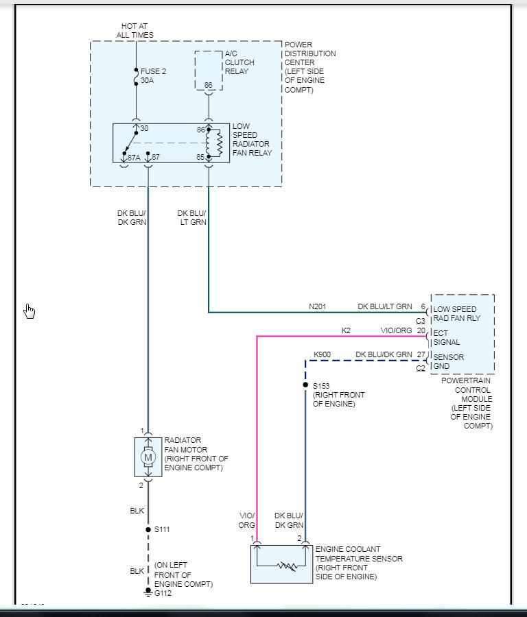
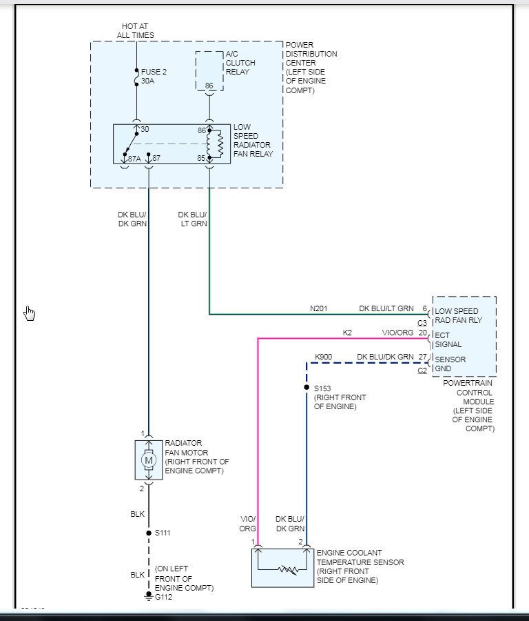
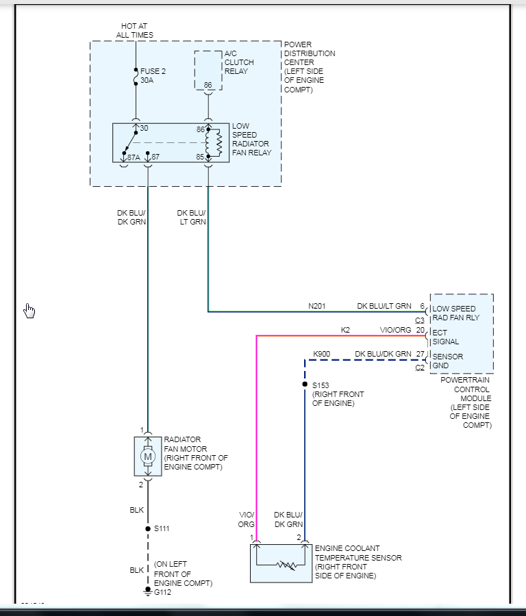
Alright, it started overheating on me Saturday. I had an oil change last Wednesday 9/30/20. i have changed the water pump yesterday 10/06/20 and the thermostat today and it is still overheating. I just need to know what else I can try to fix it.
Oct 7, 2020 at 11:02 AM
