Hi,
You listed this as a 4 cylinder, but the only engine offered in the Quest this year was a 3.0L V6. I am going to provide the directions specific to replacement on the 3.0L which I believe you have.
The directions also explain how to check your old thermostat after it's removed.
_____________________________________________
1996 Nissan-Datsun Truck Quest Minivan V6-2960cc 3.0L SOHC MFI (VG30E)
Procedures
Vehicle Engine, Cooling and Exhaust Cooling System Thermostat Service and Repair Procedures
PROCEDURES
CAUTION: Be careful not to spill coolant over engine compartment. Use a rag to absorb coolant.
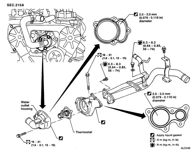
REMOVAL
1. Drain engine coolant.
pic 1
2. Remove water hose from water outlet housing.
3. Remove water outlet housing, then take out thermostat.
INSPECTION
1. Check for valve seating condition at normal room temperature. It should seat tightly.
pic 2
pic 3
2. Check valve opening temperature and valve lift.
3. Then check if valve closes at 5°C (9°F) below valve opening temperature.
INSTALLATION
pic 4
1. Use a scraper to remove old liquid gasket from water outlet housing.
2. Apply a continuous bead of liquid gasket to mating surface of water outlet housing.
- Use Genuine Liquid Gasket or equivalent.
pic 5
3. Install thermostat with jiggle valve or air bleeder at upper side.
4. Install water outlet housing.
5. Install water hose to water outlet housing.
6. Refill engine coolant.
- After installation, run engine for a few minutes, and check for leaks.
__________________________
Note: Make sure the jiggle valve is in the 12 o'clock position (pic 5). Otherwise, it will be very difficult to get the air out of the system.
Let me know if this helps.
Take care,
Joe
Images (Click to enlarge)
Jul 18, 2020 at 5:11 PM