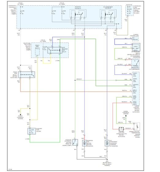
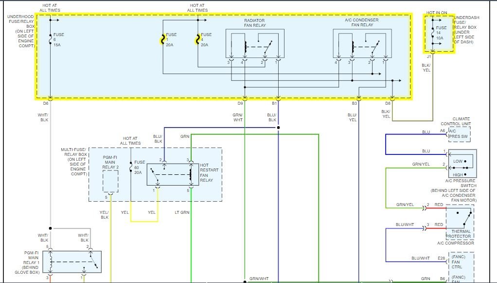
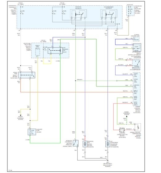
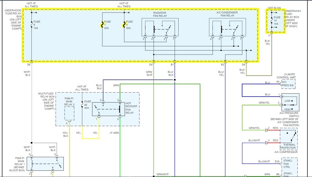
I changed the thermostat, the radiator cap and flushed the radiator . i don't hear fans come on. my heat comes out cool when it comes on. Sometimes it does not blow out.
Apr 25, 2020 at 4:59 AM


