Radiator fan only works when AC is on. Gauge then goes back to normal.
Jul 11, 2017 at 7:44 AM
Advertisement
HMAC300
CERTIFIED EXPERT
48,601 POSTS
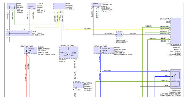
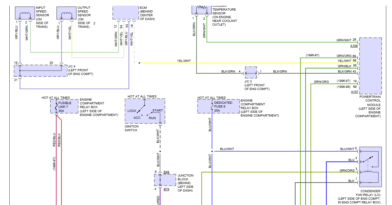
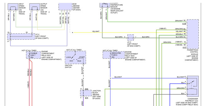
check the fuse and relay for cooling fan. Also, may be the coolant temperature sensor. See picture for how to check that and wiring diagram for cooling fans. Diagram for non turbo.
Images (Click to enlarge)
Jul 11, 2017 at 9:47 AM
MICHAEL WILSON2
MEMBER
9 POSTS
All of the relays were the same so by swapping them around I determined they were all good. The fusible link was good. The fan would not run at all when it was out but it did when I put it back. I have an OBD 11 adapter and it is not coming up with any fault codes. I replaced the thermostat this morning no change. No leaks of any kind. When I turn my blower switch to high the needle will come back to almost normal.
Jul 11, 2017 at 9:58 AM
Advertisement
HMAC300
CERTIFIED EXPERT
48,601 POSTS
what is resistance on temperature sender and is it getting/sending power? Also, check connections as it may be a wiring issue as well.
Jul 11, 2017 at 12:23 PM
MICHAEL WILSON2
MEMBER
9 POSTS
I have a meter but I do not think I am smart enough to answer what you are asking. I have been looking for a video that would show me how to check that. I am not good at diagnosing electrical problems if that is what this is.
I will check that link. I took the radiator cap off and the thermostat did open. It appeared water was flowing through the opening, but I am rechecking that right now. I am hoping it is just about anything except the pump.
Jul 11, 2017 at 12:42 PM
MICHAEL WILSON2
MEMBER
9 POSTS
If you can read this it is the test I just did. My first reading was 1.53 and the second reading was 1.43.
Jul 11, 2017 at 2:29 PM
MICHAEL WILSON2
MEMBER
9 POSTS
It did not show the photo sent so I am sending it again.
Image (Click to enlarge)
Jul 11, 2017 at 2:36 PM
HMAC300
CERTIFIED EXPERT
48,601 POSTS
Okay, what was the voltmeter set to begin with? Then did you correspond with the chart I sent in first reply? One side is temperature other is what reading should be around ohm wise.
Jul 11, 2017 at 2:59 PM
MICHAEL WILSON2
MEMBER
9 POSTS
Meter was set on 20 K.
Jul 11, 2017 at 3:07 PM
HMAC300
CERTIFIED EXPERT
48,601 POSTS
Okay, depending on temperature of engine it looks okay.