☰
Login
Join
×
Home
Answered Questions
Repair Topics
Repair & Service Guides
Popular Questions
Warning Lights
Trouble Codes
How It Works
Testing / Diagnostics
Symptoms
Videos
Login
Become a Member
Home
GMC
Yukon
Engine
Symptoms
Overheat
Overheating
2007 GMC YUKON
214,419 MILES
POPPA DUNNIGAN
MEMBER
4 POSTS
FOLLOW
My SUV is an XL. Overheating when parked and running but not when I drive for hours?
Apr 8, 2019 at 10:16 AM
Advertisement
ASEMASTER6371
CERTIFIED EXPERT
52,796 POSTS
Good afternoon,
Are the cooling fans working when it is at idle? If they are not, it will overheat at idle and not at higher speeds.
https://www.2carpros.com/articles/how-an-electric-cooling-fan-works
Roy
Apr 8, 2019 at 11:20 AM
POPPA DUNNIGAN
MEMBER
4 POSTS
I just brought a brand new fan and it still does it.
Apr 8, 2019 at 11:27 AM
Advertisement
ASEMASTER6371
CERTIFIED EXPERT
52,796 POSTS
Does the fan turn on?
Roy
Apr 8, 2019 at 11:41 AM
POPPA DUNNIGAN
MEMBER
4 POSTS
I don't think so.
Apr 8, 2019 at 1:48 PM
ASEMASTER6371
CERTIFIED EXPERT
52,796 POSTS
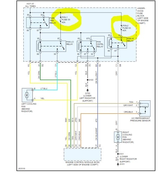
Okay, do you have a voltmeter or test light to do some testing?
I attached a diagram of the system. Check the two fuses listed for power on both sides with the key on.
Roy
Image (Click to enlarge)
Apr 8, 2019 at 1:57 PM
POPPA DUNNIGAN
MEMBER
4 POSTS
Sometime it says Stabilizer off, then overheats when parked.
Apr 8, 2019 at 6:39 PM
ASEMASTER6371
CERTIFIED EXPERT
52,796 POSTS
Can you do some checking?
Roy
Apr 8, 2019 at 7:26 PM