Truck does not have overdrive shifts fine in all other gears?

2005 FORD F-150
175,000 MILES • 5.4L • V8 • 4WD
Avatar
TCOCKRUM
  • MEMBER
  • 2 POSTS
Will overheat because torque converter is not locking up when trying to go into overdrive. When pushing button to take off overdrive the light comes on dash and truck does not overheat. Overdrive does not come on when I push the button. What I have done so far. Replaced high mount brake light housing because was burnt and socket was melted. All other lights work fine. Replaced brake switch. Replaced cruise disengage switch by brake switch. Cleaned throttle body. Cleaned MAF. Replaced TPS. No codes on dash and everything looks good on OBD2 scanner in live data that I can tell.
Jun 9, 2024 at 11:28 AM
Advertisement
Avatar
STRAILER
  • CERTIFIED EXPERT
  • 53,854 POSTS
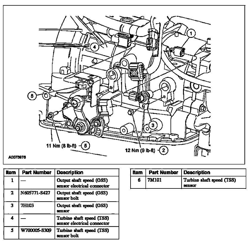
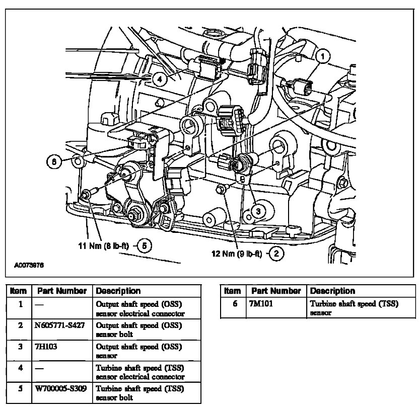
Does the engine temperature gauge stay on cold? I have seen a cooling system thermostat sticks open and cause the PCM no to go into closed loop which will hinder the overdrive operation and leave no codes. Also, how is the shift time of the other gears, are they late or early? This transmission has an turbine shaft and intermediate shaft sensor they may cause it not to go into overdrive as well. It does seem strange that it has no codes. One more thing is the catalytic converter could be partially clogged which will cause the engine vacuum to be lower which can keep the overdrive gear from engaging. Does the engine seem to have good power? Here are the locations of the shaft speed sensors so you can check it out. You will need to remove the transmission crossmember to get at it. Check out the images (below). Please let us know what happens.
Jun 10, 2024 at 11:19 AM
Avatar
TCOCKRUM
  • MEMBER
  • 2 POSTS
Temperature on gauge and scanner are at 208 when up to temp. The rest of the gears shift as they should. I did look at the O2 sensors and bank one sensor 2 is mirroring sensor 1. The sensor is going up and down. I also took temp at pipe in and out of cat and the temp coming out is cooler. I am going to run some cata clean through it to see if it will help. I will check out the sensor, but the pic is for a f250. Looked at diagram on f150 to check for turbine speed sensor.
Jun 12, 2024 at 4:27 AM
Advertisement
Avatar
STRAILER
  • CERTIFIED EXPERT
  • 53,854 POSTS
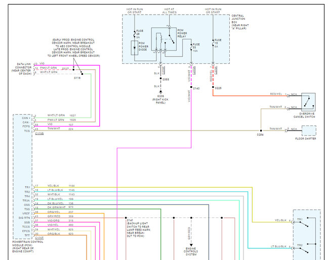
How does the engine power seem? Here is the turbine shaft speed sensor location of the f150 but I think you may have a shift solenoid "B" that is not working correctly. Here is the location so you can test it by putting 12 volts to it, you should hear a "click" drop the pan and remove the filter, it will be the solenoid with the VIO/ORG wire going to it. Here are the transmission wiring diagrams as well so you can see how the system works. Check out the images (below). Let us know what you find.
Jun 12, 2024 at 11:36 AM