Overheating after installing a new water pump and thermostat?

2006 PONTIAC GRAND PRIX
160,000 MILES • 3.8L • V6 • 2WD • AUTOMATIC
Avatar
BRIAN BLANTON
  • MEMBER
  • 3 POSTS
I've put in a new water pump and thermostat, and it still wants to run hot. How can I check my fans to see if my 30amp fuse is good? What else is the problem?
Jul 21, 2022 at 2:09 PM
Advertisement
Avatar
JACOBANDNICKOLAS
  • CERTIFIED EXPERT
  • 110,175 POSTS
Hi,

Does the vehicle overheat if you are driving at highway speeds or is it limited to in-town stop-and-go traffic?

If it happens regardless of speed, chances are either the radiator is partially clogged or there is an engine issue. If it only happens with in-town driving, then it is likely related to the cooling fans.

When you notice the temperature moving toward hot, pay attention to see if the cooling fan turns on. Also, when you turn the A/C on, the condenser fan should turn on as well. Check if that is happening.

Keep in mind, a faulty head gasket can be the cause as well. Take a look through this link and let me know if anything mirrors what you see/experience. Note: There are tests in the link. I'm not suggesting them at this point. However, there are visual things to check.

https://www.2carpros.com/articles/head-gasket-blown-test

Let me know as much as you can. Also, let me know how long it takes to overheat, the driving conditions when it happens, and if this started all at once or resulted after a different repair.


Take care,

Joe
Jul 21, 2022 at 7:10 PM
Avatar
BRIAN BLANTON
  • MEMBER
  • 3 POSTS
Mainly when I'm in town not so much when I'm in the highway and I've checked my oil dipstick to see if water is in the oil and it's not milky looking at all, but I feel strongly that it's my cooling fans is there a way of straight wire them to see if the fan motors are gone out?
Jul 21, 2022 at 10:25 PM
Advertisement
Avatar
JACOBANDNICKOLAS
  • CERTIFIED EXPERT
  • 110,175 POSTS
Hi,

If it happens mostly in stop-and-go traffic, you are likely correct. The fans aren't turning on. Have you noticed they don't turn on?

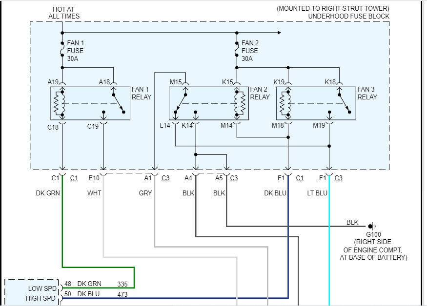
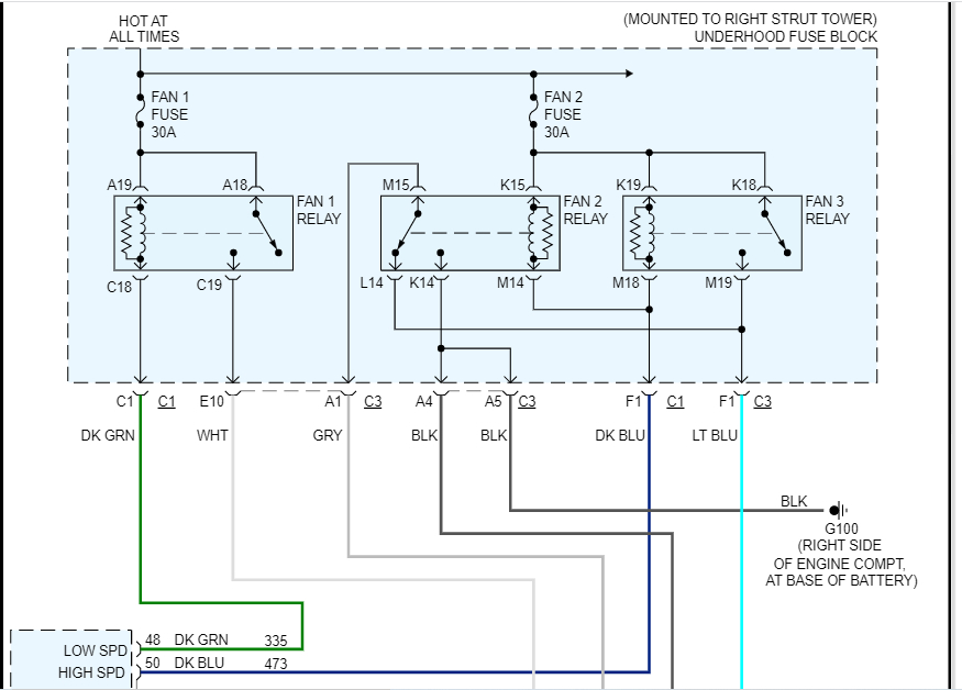
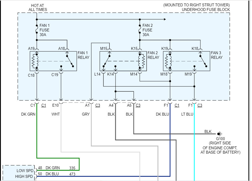
As far as testing the fan motors, yes you can power them to check if the motors work. You will do this one at a time. However, I want you to check something before we do that. The ground for both fans is located under the hood at the base of the battery. It will be a black wire. Locate it and check to make sure it isn't damaged, corroded, or broken. If that is good, then we need to check the motors.

If you look below, I attached the wiring schematic for the circuit. You mentioned checking the 30-amp fuse for the fans. Note there are two 30amp fuses and three relays. If you haven't checked both fuses and the relays, let me know. Also, in addition to checking the fuses, make sure there is power to them.

Here is a link you may find helpful:

https://www.2carpros.com/articles/how-to-check-a-car-fuse

If they are good, it's unlikely that all three relays failed at the same time. However, here is a link that explains how to test them:

https://www.2carpros.com/articles/how-to-check-an-electrical-relay-and-wiring-control-circuit

If the fuses and relays are good, then take a look at the schematic below. Disconnect both fan motors. Note that both have two wires going to them. The left has a white and a gray wire and the right has a black and light blue wire going to them.

On the fan motor side of the wiring (connector is disconnected) you will provide a ground and power. On the left fan, the gray wire should be grounded, and the white wire will have 12v run to it from the battery. On the right fan, the light blue wire is the power side, and the black will be the ground. You will need two jumper wires that are long enough to run from the battery to the fan motors. Keep in mind that when both of the test wires are connected to the battery, you don't want to short them together. So, it would be a good idea to first connect the jumper wires to the fan motor connector and ensure the bare wires are not touching each other. Then simply place the other ends on the battery positive and then negative. When they are attached, the motor should spin.

Let me know if this helps. if you have other questions, and the results.

Take care,

Joe

See pics below. Note: The schematic was one page. I had to cut it in half to make it readable for you. That's why there are two pics below. I did overlap them so you can follow from one to the next.
Jul 22, 2022 at 7:16 PM