outside parking lights not turning off

2000 FORD F-150
195,500 MILES • 4.2L • V6 • 2WD • MANUAL
Avatar
CLAUDIO ARCE
  • MEMBER
  • 1 POST
For the first time yesterday my parking lights will not turn off without disconnecting the battery pulled the switch out and lights stay on. It does have trailer hook up factory installed. please help
May 29, 2017 at 9:02 AM
Advertisement
Avatar
STRAILER
  • CERTIFIED EXPERT
  • 53,854 POSTS
Hello,

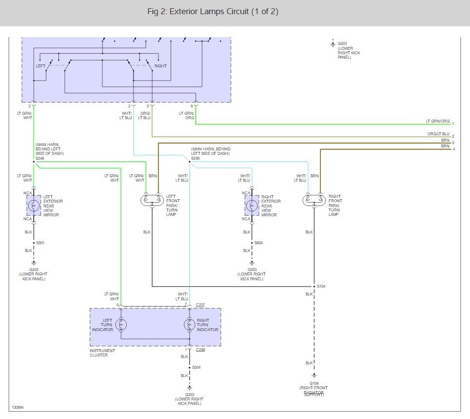
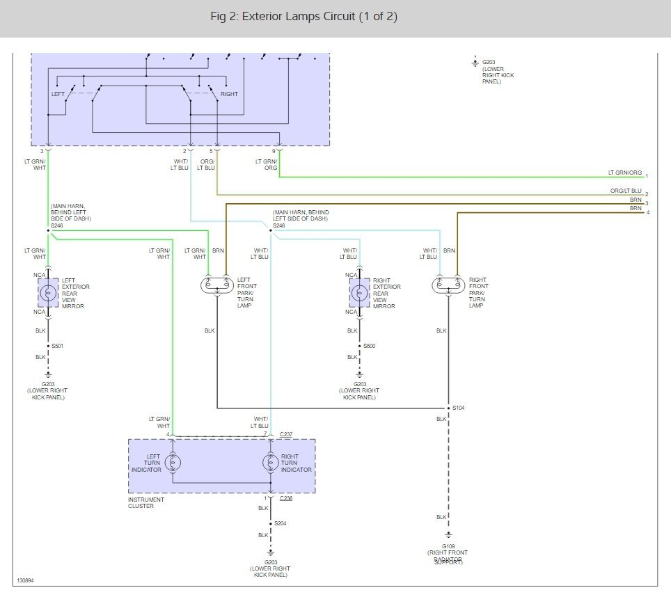
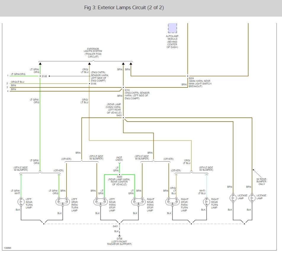
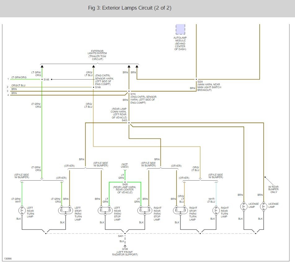
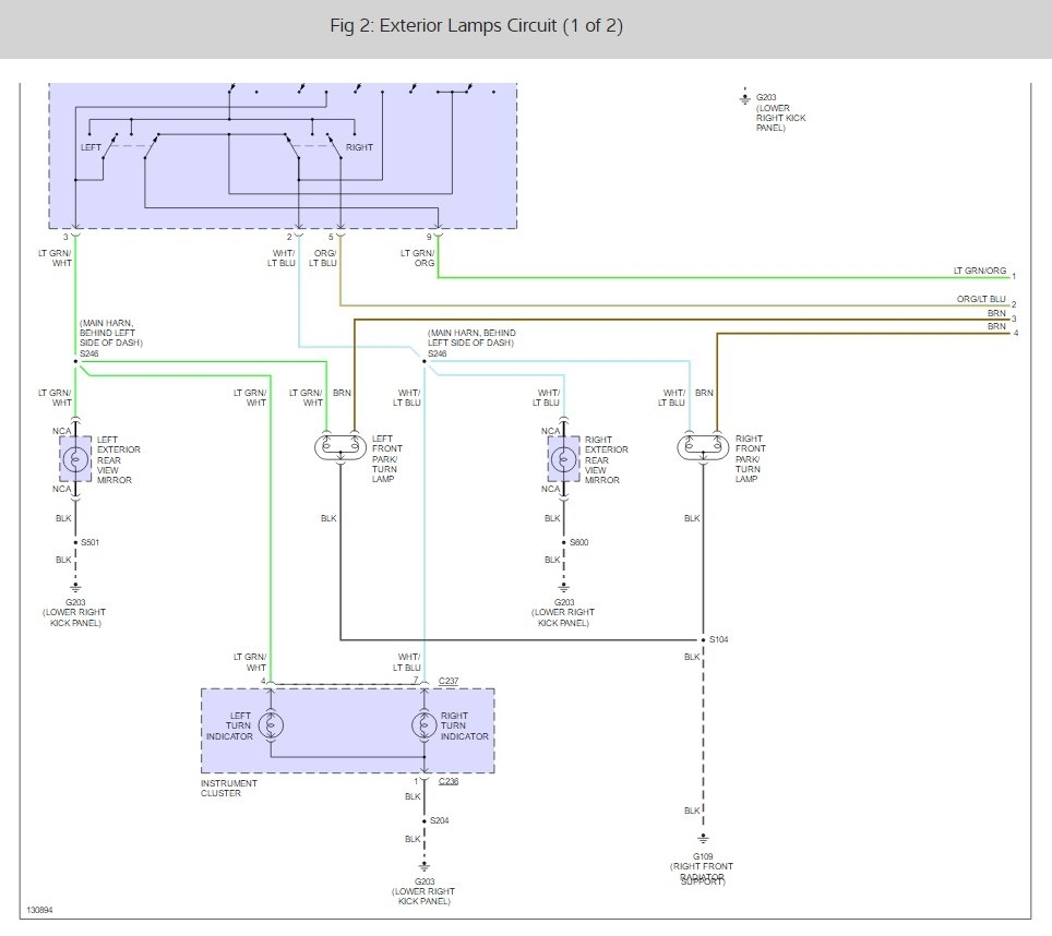
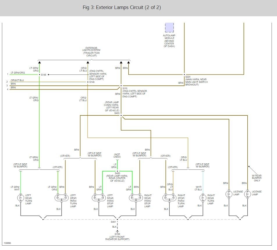
Yep there is a parking light control relay that is stuck on and it needs to be replaced, here is a parking light wiring diagram (BELOW) and a guide to help you do some testing to be sure.

https://www.2carpros.com/articles/how-to-check-an-electrical-relay-and-wiring-control-circuit

and

https://www.2carpros.com/articles/how-to-use-a-test-light-circuit-tester

Here are all the fuse and relay diagrams as well.

Please run some tests and get back to us so we can continue helping you.

Cheers, Ken

May 31, 2017 at 3:44 PM
Avatar
  • MEMBER
  • 0 POST
tail lights stay on when truck is turn off
May 31, 2017 at 3:46 PM (Merged)
Advertisement
Avatar
WRENCHTECH
  • CERTIFIED EXPERT
  • 20,761 POSTS
Are you sure it's the tail lights or could it be the brake lights?
May 31, 2017 at 3:46 PM (Merged)
Avatar
  • MEMBER
  • 0 POST
headlights stay on after shuting off and running lights not working
May 31, 2017 at 3:46 PM (Merged)
Avatar
HMAC300
  • CERTIFIED EXPERT
  • 48,601 POSTS
your headlamps should stay on for about 30 seconds after shutting engine off, but check ground for auto headlamp module it's in the right kick panel.see if running lights are gettin g power an d bulbs are good.
May 31, 2017 at 3:46 PM (Merged)
Avatar
CARDUDE13
  • MEMBER
  • 2 POSTS
Electrical problem
1999 Ford F-150 6 cyl Two Wheel Drive Manual 173000 miles

My 1999 f-150 xl base model, no power windows, locks etc. Every time I turn my lights on and off, my parking lights will stay on till I disconnect the battery. Then they will be off. Till next time I turn them on again. I do not have Auto Headlights or alarm system.
What could be the problem? where do I start looking?
May 31, 2017 at 3:46 PM (Merged)
Avatar
JDL
  • CERTIFIED EXPERT
  • 16,098 POSTS
My info shows two ways for those lamps to get voltage, lamp relay or headlamp switch. You could pull the lamp relay, see if the problem goes away, just for testing. It is the lamp module that grounds the relay.


https://www.2carpros.com/forum/automotive_pictures/170934_ford_f150_lamps_1.jpg

May 31, 2017 at 3:46 PM (Merged)
Avatar
CARDUDE13
  • MEMBER
  • 2 POSTS
I TOOK OUT RELAY 201 AND IT FIXED THE PROBLEM. I SWAPPED THE RELAYS AROUND WITH NO IMPROVEMENT. BUT WHEN I DO NOT HAVE A RELAY IN SLOT 201 THE LIGHTS WORK PERFECTLY. I HOPE THIS HELPS OTHERS.
May 31, 2017 at 3:46 PM (Merged)