Outside fuses

1996 FORD RANGER
2,000,000 MILES • 2.3L • 4 CYL • 2WD • MANUAL
Avatar
SHANNON SELLERS
  • MEMBER
  • 4 POSTS
Where are all the fuse wires connected to the truck?
Dec 14, 2017 at 7:42 PM
Advertisement
Avatar
STEVE W.
  • CERTIFIED EXPERT
  • 15,113 POSTS
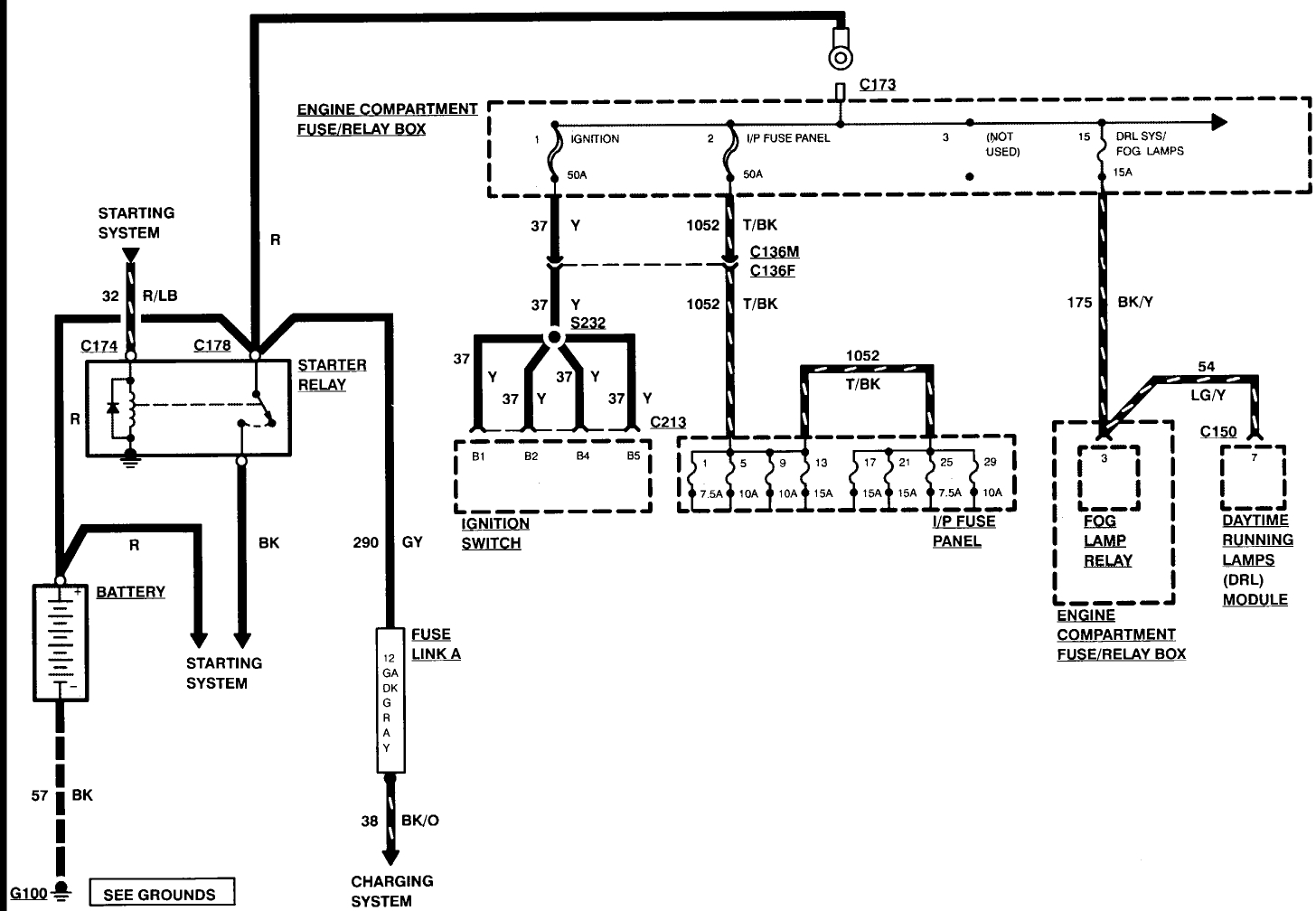
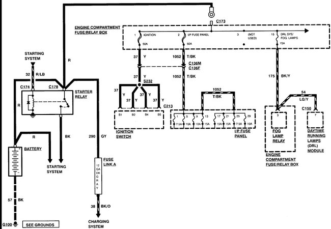
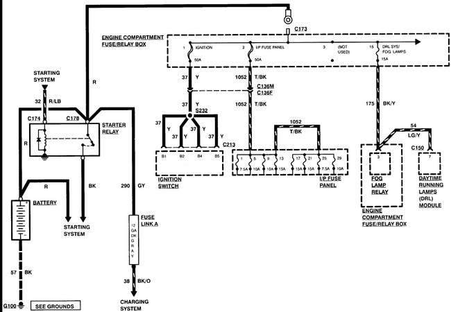
If you mean the fusible link, it is in the cable that runs from the starter to the back of the alternator.
Then you have the engine compartment fuse and relay box. That box feeds some items directly as well as feeding power to the fuse panel inside at the instrument panel.

What is the issue you are having?
Dec 15, 2017 at 6:48 PM