outer mirror not working?

2023 LEXUS LX 570
1,500 MILES • 3.4L • V6 • 4WD • AUTOMATIC
Avatar
SUHAILKADER
  • MEMBER
  • 14 POSTS
Hi everyone,

I'm having an issue with my Lexus LX600 — after a recent car wash, the outer side mirror has stopped working. It’s not folding or adjusting anymore. I suspect it might be a wiring or electrical issue, possibly due to water exposure.

I'd really appreciate any guidance on how to troubleshoot this. If anyone has access to the wiring diagram for the side mirrors (or can point me in the right direction), that would be a huge help as well.

Thanks in advance!
Apr 10, 2025 at 12:40 PM
Advertisement
Avatar
STRAILER
  • CERTIFIED EXPERT
  • 53,854 POSTS
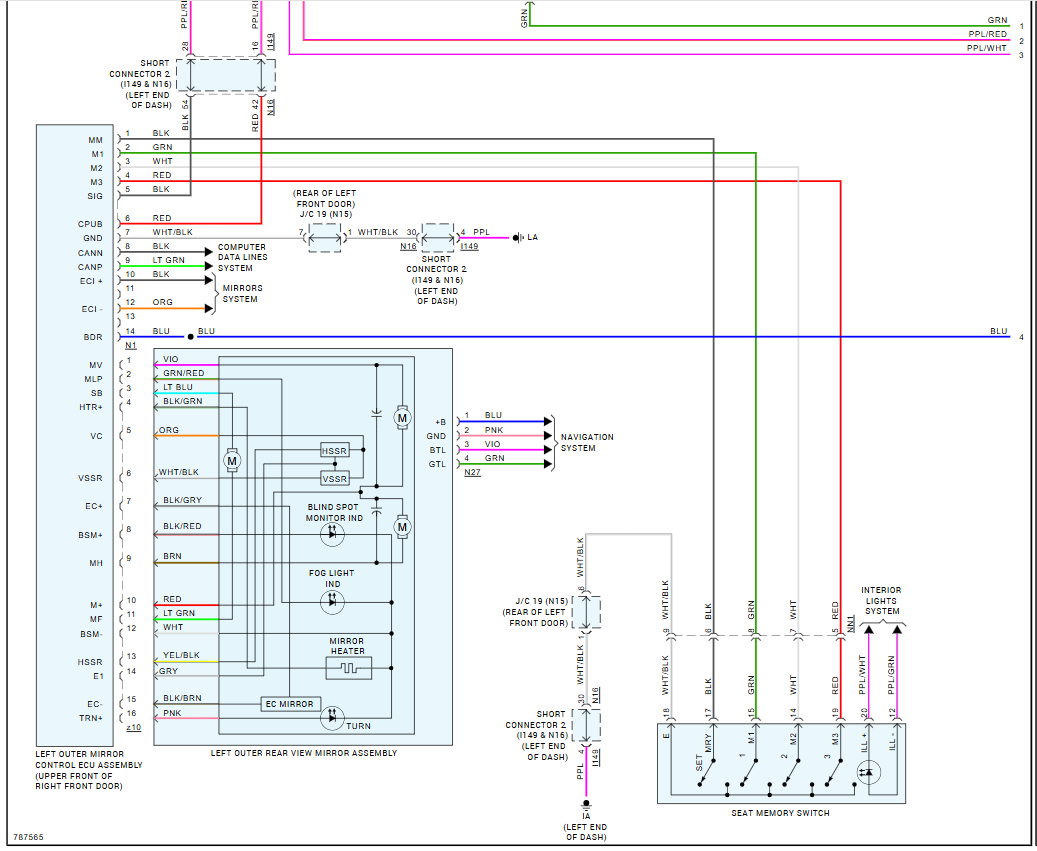
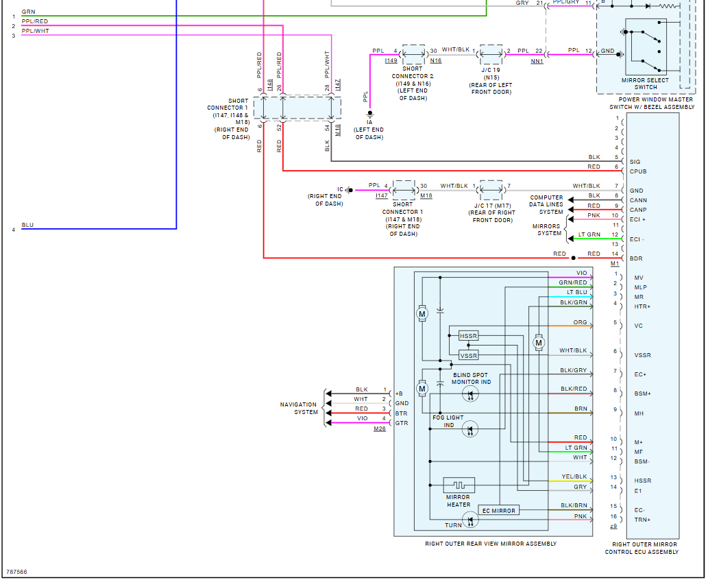
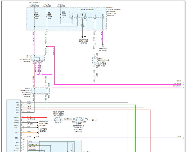
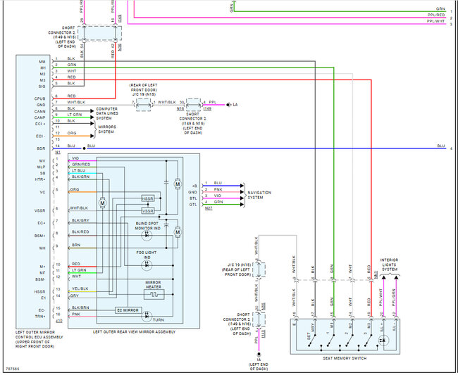
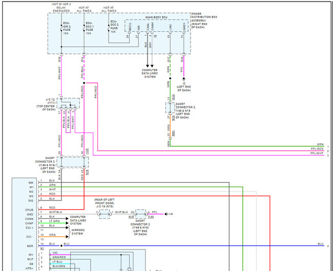
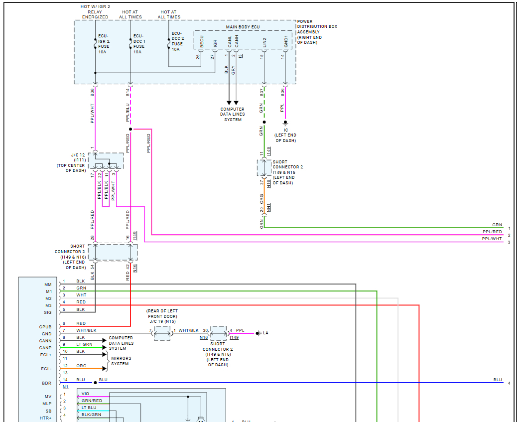
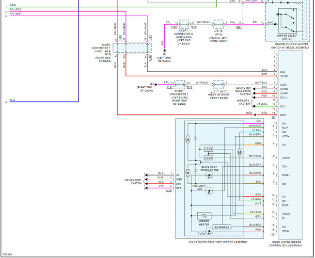
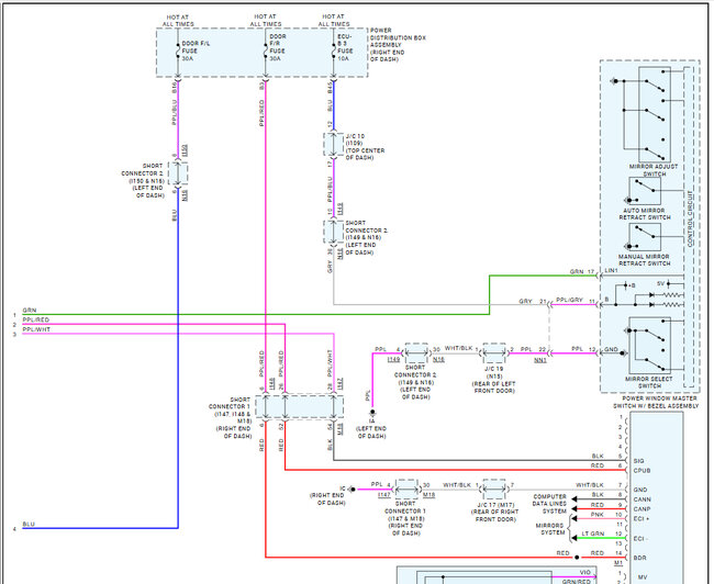
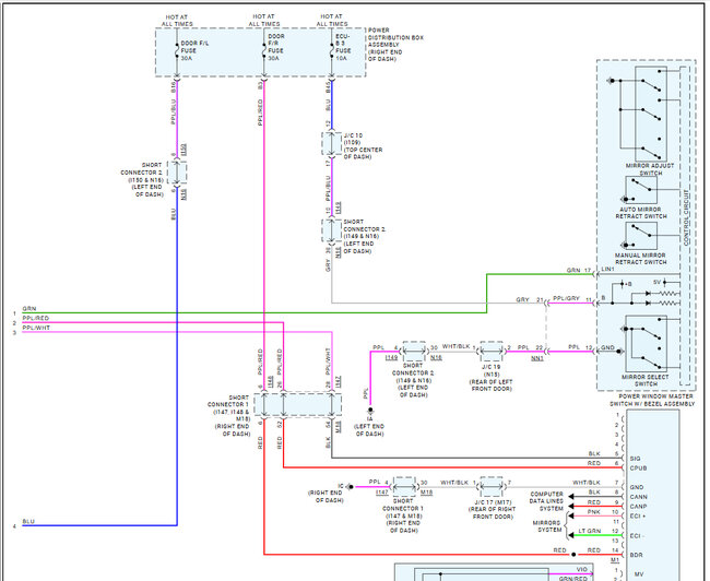
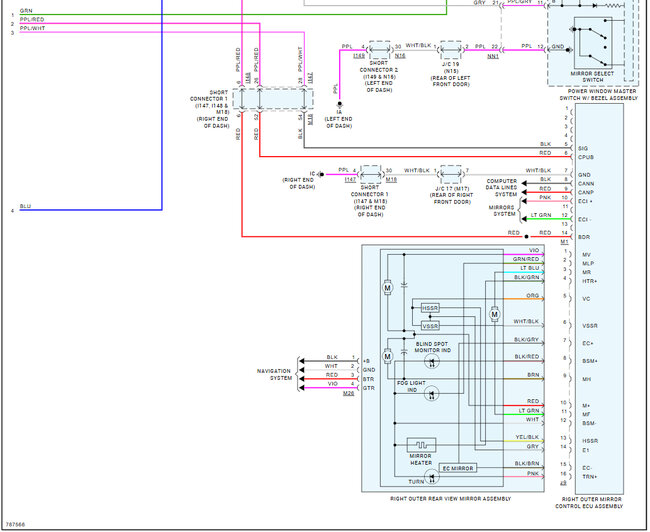
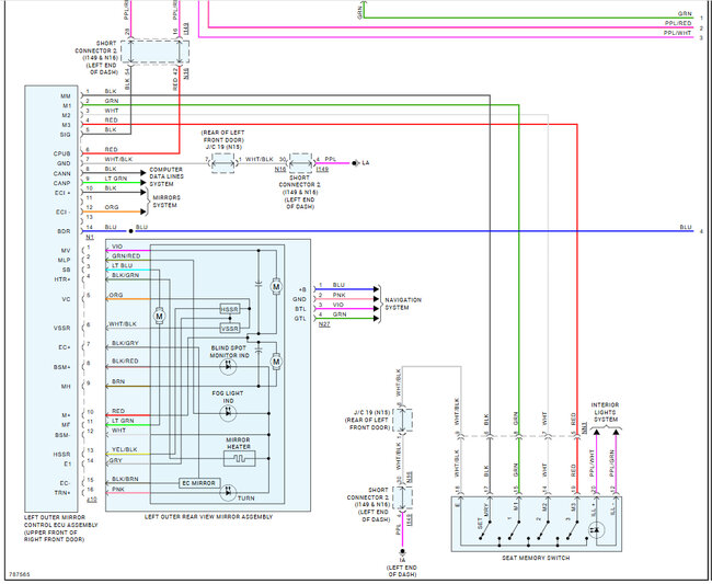
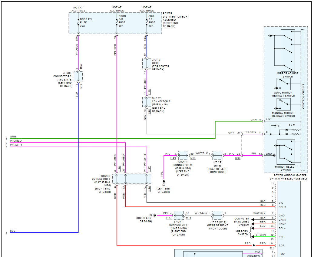
Yes, there are two main fuses that run the system, ECU Fuse: IGR2, DCC1 and DCC2. Also, check the DOOR F/L fuse in the fuse panel on the right side of the dash. Here is a guide to help you with the testing and the mirror wiring and then fuse locations as well.

https://www.2carpros.com/articles/how-to-check-a-car-fuse

Check the fuse with the systems on. You could have a left side outer mirror ECU that went out. Check out the images (below). Please let us know what happens.
Apr 11, 2025 at 11:47 AM
Avatar
JIS001
  • CERTIFIED EXPERT
  • 3,412 POSTS
Hi, did you check the button on the master switch to make sure the auto is on. I have seen it turned off accidentally? Let me us know please
Jul 17, 2025 at 12:50 AM
Advertisement
Avatar
STRAILER
  • CERTIFIED EXPERT
  • 53,854 POSTS
Good to see you again JIS001! I hope all is well :)
Jul 17, 2025 at 9:41 AM