Timing issue

1999 CHEVROLET BLAZER
90,000 MILES • 4.3L • V6 • 4WD • AUTOMATIC
Avatar
LOGAN.EVANS100
  • MEMBER
  • 2 POSTS
I have been trying to put my 4.3 vortec back in time and just cannot seem to get it back in time. i need help.
Jul 20, 2019 at 11:33 AM
Advertisement
Avatar
ASEMASTER6371
  • CERTIFIED EXPERT
  • 52,796 POSTS
Good afternoon,

What have you done so far?

Roy
Jul 20, 2019 at 12:04 PM
Avatar
LOGAN.EVANS100
  • MEMBER
  • 2 POSTS
Well, i pulled the motor since it was knocking. my dad did all the putting it in time on the timing chain deal, but i have tried and tried to put the distributor in and it never works on and are the valves supposed to be open or closed when it is at TDC?
Jul 20, 2019 at 12:33 PM
Advertisement
Avatar
ASEMASTER6371
  • CERTIFIED EXPERT
  • 52,796 POSTS
Okay, the valves should be closed for top dead center. Once you line up the mark on the crank, the rotor should point to number 1 plug when you drop in the distributor.

Roy

Procedure.

INSTALLATION PROCEDURE 1


imageOpen In New TabZoom/Print



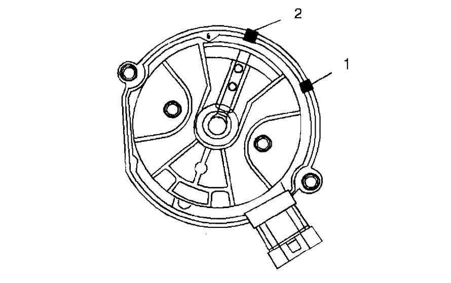
1. If installing a new distributor assembly, place two marks on the new distributor housing in the same location as the two marks on the original housing.
2. Remove the new distributor cap, it necessary.
3. Align the rotor with mark made at location (2).


imageOpen In New TabZoom/Print



4. Guide the distributor into the engine.
5. Align the hole in the distributor hold-down base over the mounting hole in the intake manifold.


imageOpen In New TabZoom/Print



6. As the distributor is being installed, observe the rotor moving in a clockwise direction about 42 degrees.
7. Once the distributor is completely seated, the rotor segment should be aligned with the mark on the distributor base in location number (1).
- If the rotor segment is not aligned with the number (1) mark, the driven gear teeth and the camshaft have meshed one or more teeth out of alignment.
- In order to correct this condition, remove the distributor and reinstall it.

NOTE: Refer to Fastener Notice in Service Precautions.


imageOpen In New TabZoom/Print



8. Install the distributor mounting clamp bolt.

Tighten
Tighten the distributor clamp bolt to 25 N.m (18 lb ft).


imageOpen In New TabZoom/Print



9. Install the distributor cap.
10. Install two NEW distributor cap screws.

Tighten
Tighten the screws to 2.4 N.m (21 lb in).

11. Install the electrical connector to the distributor.
12. Install the spark plug wires to the distributor cap.
Jul 20, 2019 at 12:43 PM