Only have heat on driver side

2007 DODGE CALIBER
200,000 MILES • 2.0L • 4 CYL • 2WD • AUTOMATIC
Avatar
GERALDINE1
  • MEMBER
  • 8 POSTS
I only have heat on driver side. i have replaced the actuator, no change. i was able to move the flapper door by hand, it is not stuck or broken. i checked the cable hookups they okay, not bent. i noticed that the actuator only tuns one way no matter which setting i have the heat control on,cold or hot. is this normal?
Dec 19, 2017 at 7:11 AM
Advertisement
Avatar
STRAILER
  • CERTIFIED EXPERT
  • 53,854 POSTS
Hello,

This sounds like you have a temperature sensor that has gone out which continuously tell the system that it is hot which makes the actuator only go toward cold. Here are the wiring diagrams.

Please let us know what you find. We are interested to see what it is

Cheers, Ken
Dec 20, 2017 at 2:15 PM
Avatar
GERALDINE1
  • MEMBER
  • 8 POSTS
hi sorry it took long to get back to you. i inspected the sensor, did a test on it with heating water while connected to a multi meter, its working. Could you tell me how to properly check the sensor and the connections I also checked the plug in and wires, no dirt, corrosion or broken wires. thanks.
Jan 10, 2018 at 6:36 PM
Advertisement
Avatar
STRAILER
  • CERTIFIED EXPERT
  • 53,854 POSTS
Hello,

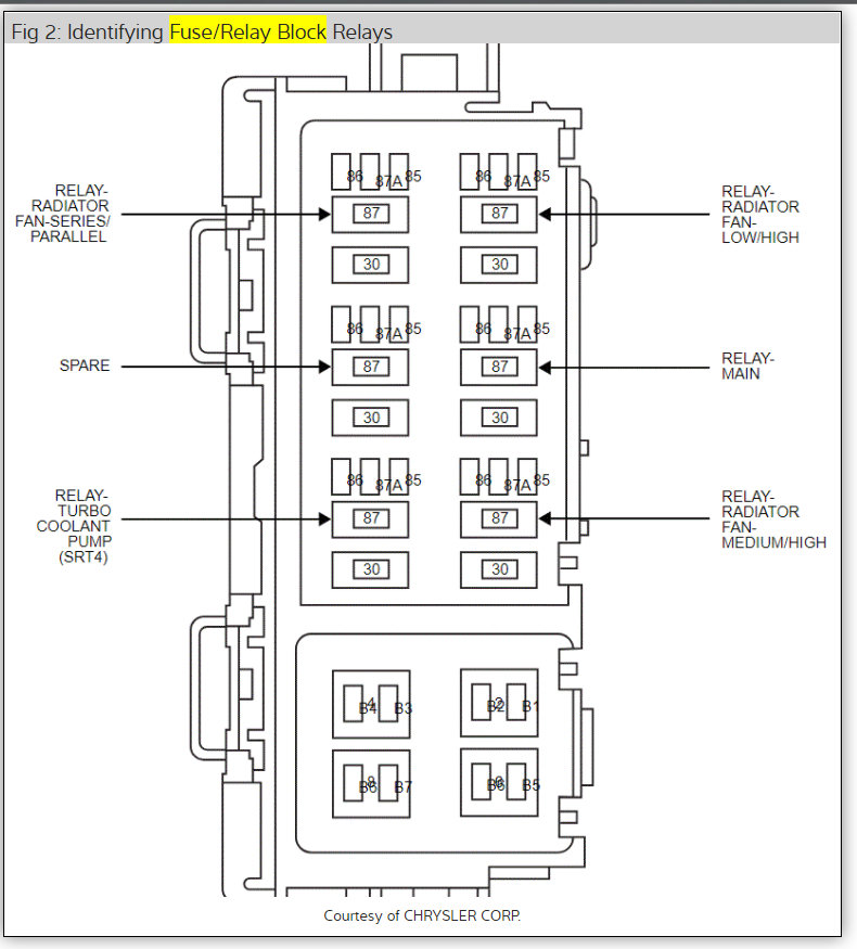
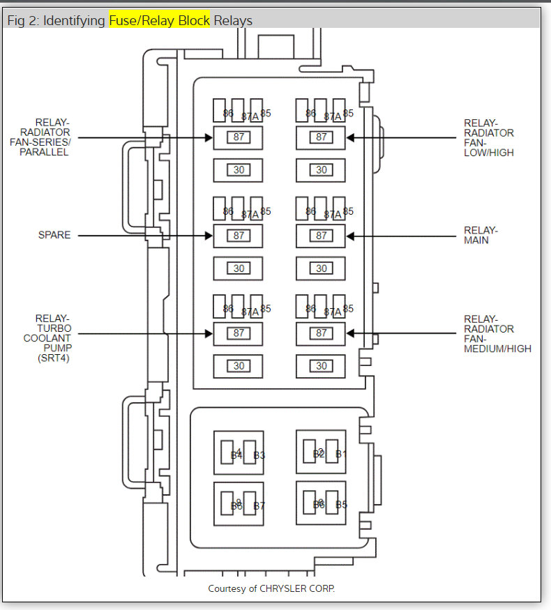
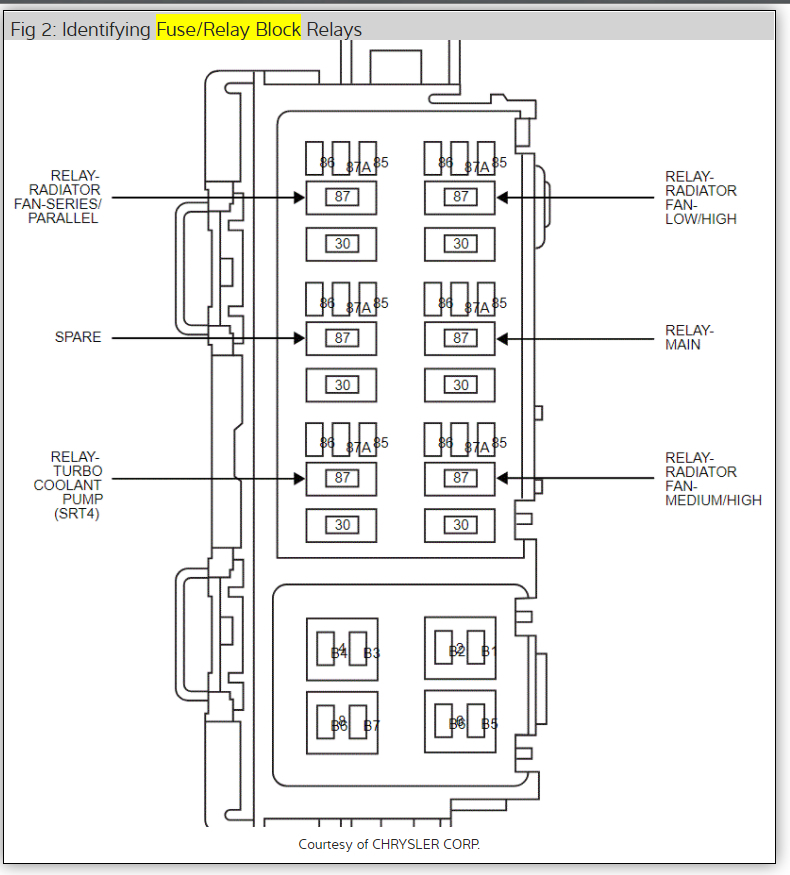
I am sorry I noticed the system is manual (not auto correct?) I would calibrate the system by turning the key on (engine off) and removing the HVAC power for 5 minutes and then turning the key off and replacing the fuse. Here is its location (below). #15 and #18

Jan 11, 2018 at 12:05 PM
Avatar
GERALDINE1
  • MEMBER
  • 8 POSTS
hi i performed the procedure as outlined above, no change.i did notice however that the actuator only turns one way no matter what setting it at, until i turn the blower off, then the actuator would reverse?
Jan 12, 2018 at 7:06 AM
Avatar
STRAILER
  • CERTIFIED EXPERT
  • 53,854 POSTS
This sounds like you have a defective blend door actuator. Is it an OEM replacement?
Jan 12, 2018 at 11:02 AM
Avatar
GERALDINE1
  • MEMBER
  • 8 POSTS
I replaced the original actuator with a new one and it’s doing the same thing,I also replaced the sensor!
Jan 12, 2018 at 11:27 AM
Avatar
STRAILER
  • CERTIFIED EXPERT
  • 53,854 POSTS
I would use this test to check the wiring by diagrams above.

https://www.2carpros.com/articles/how-to-check-wiring

To see if there is a short somewhere or an open circuit. If everything checks out then the controller must be bad. (control head)

Check out the diagrams (above)

Please let us know what you find. We are interested to see what it is.

Cheers, Ken
Jan 12, 2018 at 5:02 PM
Avatar
GERALDINE1
  • MEMBER
  • 8 POSTS
hi guys,sorry it took so long to get back to you. lets go back a little. the actuator that i found in car was air door actuator,not a blend door actuator,my car doesn't have one.the heat and direction are controlled by cable. so the problem is not in that area. i noticed that with fan of or at the lowest setting without being of,when i turn fan up their would some heat on the passenger side,this would last for about a minute or so and then warm and cold.still lots of heat on the driver side. so i figured maybe air trapped in the system. i bled it twice,got some air out,but still have the same problem?!
Jan 24, 2018 at 5:35 AM
Avatar
STRAILER
  • CERTIFIED EXPERT
  • 53,854 POSTS
It sounds more like you have a partially clogged heater core. I would take the heater hoses off and run a garden hose through it.
Jan 24, 2018 at 11:07 AM