one headlight turning on when car is off and loud clicking in the engine

2007 JEEP GRAND CHEROKEE LAREDO
215,000 MILES
Avatar
TASHA MICHAUD
  • MEMBER
  • 1 POST
I just changed the fuel injectors and put in new spark plugs yesterday. Today, the drivers side headlight keeps turning on and off when the car is off and there is a loud clicking in the engine area.. anyone know if maybe I crossed something?
Mar 1, 2021 at 8:49 AM
Advertisement
Avatar
JACOBANDNICKOLAS
  • CERTIFIED EXPERT
  • 110,175 POSTS
Hi,

We need to determine where the sound is coming from. This vehicle has an integrated power control module. (TIPM). Something could have a bad connection there.

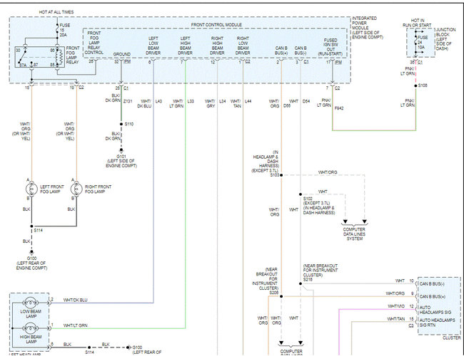
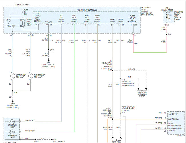
I attached the entire wiring schematic below for the headlamps. Take a look through it. I don't see how it is related to the other work you've done, but anything is possible. I had to cut the pic in half to make it readable, but I did overlap them so you could follow them.

See if you can tell if the sound is coming from the TIPM, which is under the hood on the left side of the engine compartment.

Let me know what you find or if you have other questions.

Take care and God Bless,

Joe
Mar 1, 2021 at 6:34 PM