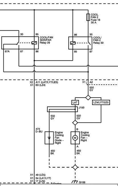
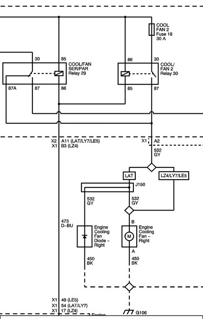
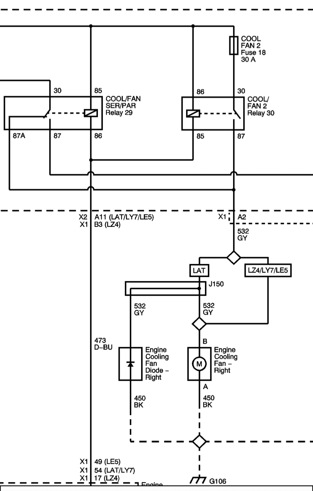
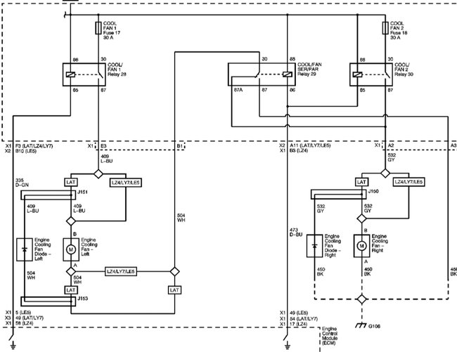
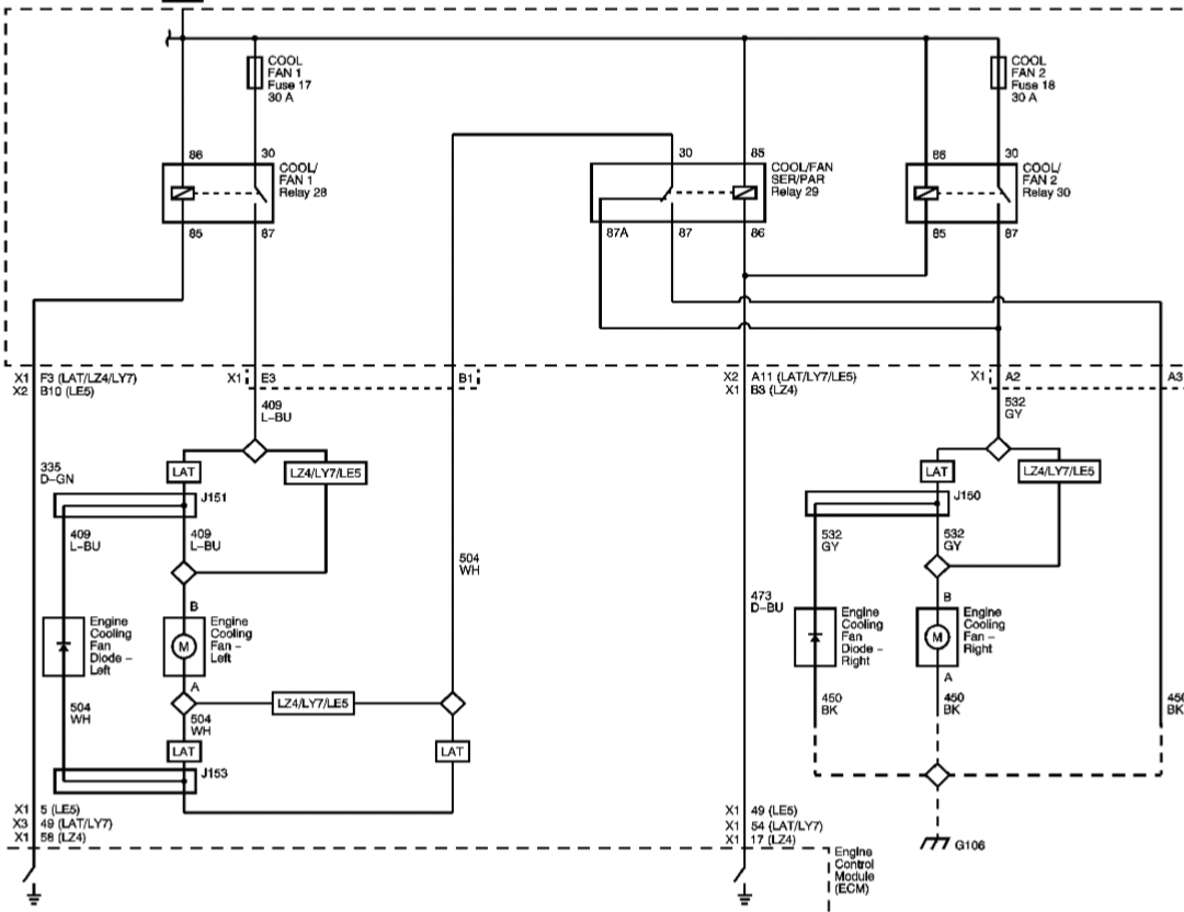
Been chasing a "creeping" gauge overheat issue. Just noticed that the passenger side fan runs fine at low speed but when the system goes into high speed mode, it shuts down and I'm left with just the driver side fan running properly. I swapped the relays around and that did nothing. Why is this fan cutting off when told to go to high speed? Thanks.
Jul 30, 2020 at 10:39 AM

