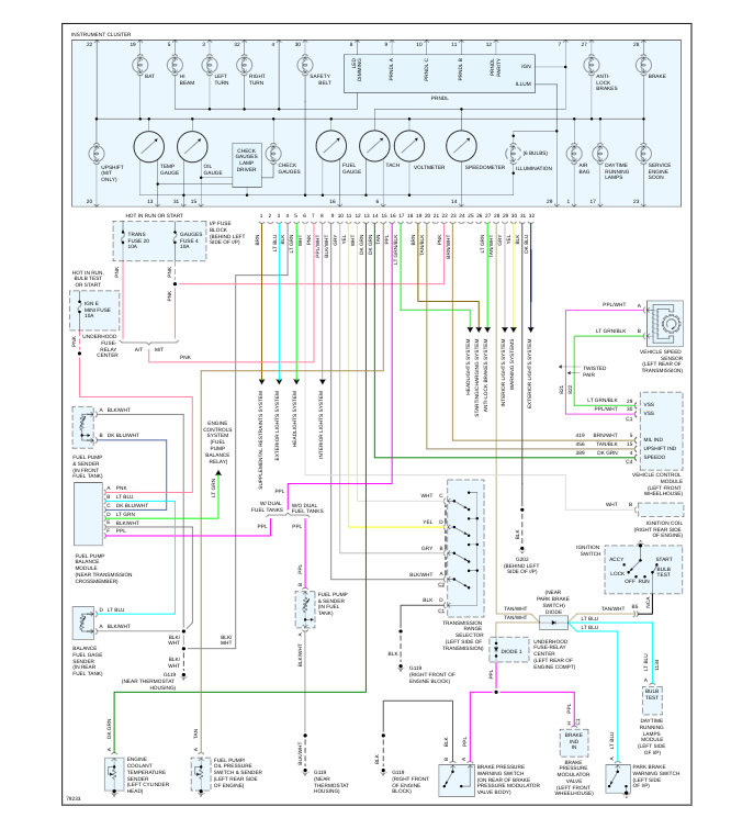
I may seem like a lost cause, I get rpm signal crazy and sometimes I don't get nothing.. noticed oil pressure gauge goes crazy too then back to normal..my test light lit up pointing to my feed for the ignition coil and ignition module and doesn't flicker while cranking. also the control wire (white) is lit with test light (key off) when turning the key on the light goes off from coil n module.. I checked the ground from module even while cranking the test light doesn't get dim.. i have no spark ..test light is lit while pointing to the 20a fuse on the ECM1.. with key on but when key off there's no light. I do not know what to do next.
Dec 31, 2019 at 8:12 PM






