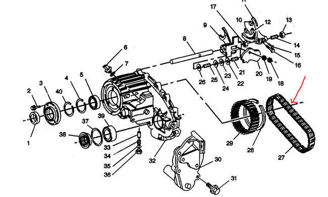
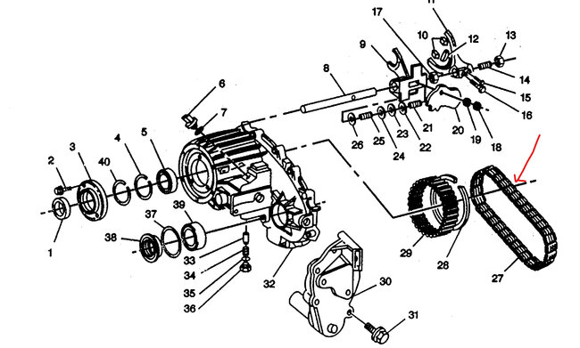
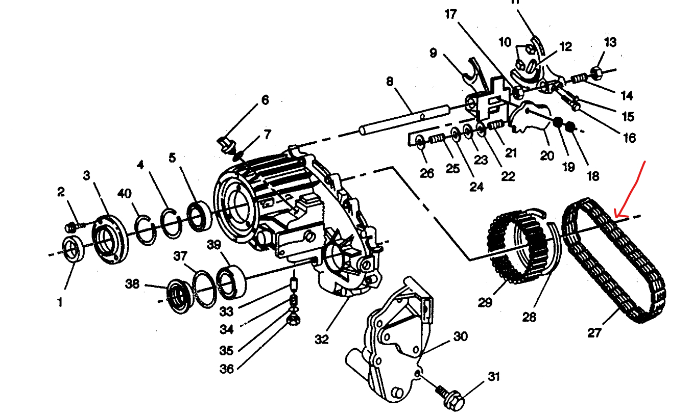
I have a 1997 Bravada,4.3,allwheel drive with 180,000 miles. I have done a lot of front end work. Replaced both hub and bearings,both cv shafts,ball joints,and rebuilt differential in the past year. Now I have a loud popping in the drivetrain. It always happens when under a load or turning right real sharp.I kinda checked u-joints. Seem tight. Feels to be a lot of slop in transfer case. Sound also seems to come from mid-vehicle,like gears slipping. Any ideas? I would also like to add that if you try to power brake it and get to about 2000 rpms it will pop. Thanks very much.
Nov 30, 2007 at 2:48 PM



