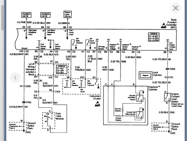
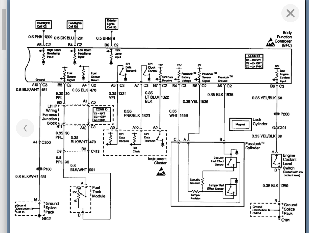
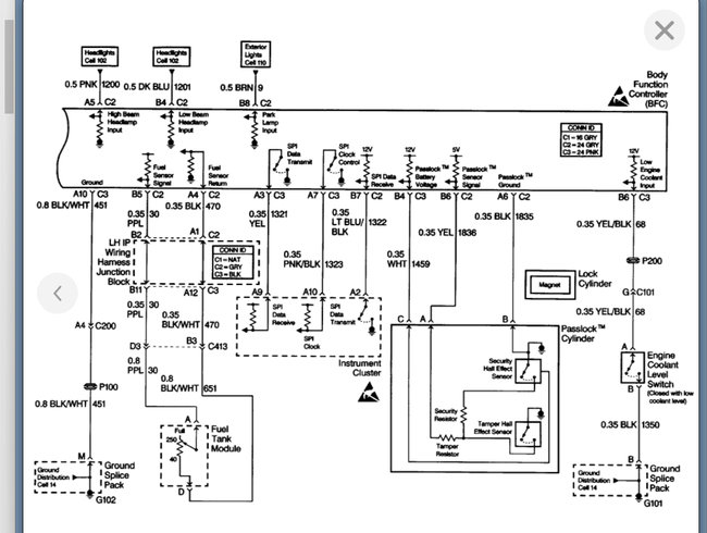
i had my car battery replaced and when i left the garage i noticed that my gas gauge was at Empty. I had 3/4 tank when i pulled in to the shop. We confirmed that the tank is now full, but the needle does not move and it even went in reverse - below Empty. Is this repairable?? Or should I just try to keep track of the gas usage?? Thanks very much!!
Jan 17, 2008 at 4:36 PM

