Electrical problem 6 cyl All Wheel Drive Automatic 146k miles
My wife said it would not crank. I pushed it to the curb and came back to it later. It cranked right up the first time. I replaced the fuel filter. then nothing happened so I bit the big one, dropped the tank and changed the pump.
I have replaced the fuel pump on this thing ($300 down the drain), and the fuel pump motor will still not run. I can hear the relay click. Swapped some around to rule out bad relay. I get 12 vdc at the pump when the key is forward for 5--6 seconds and again when the key is turned off. I put a battery straight to the pump on the gray and black wire and it runs. I did this with the old pump and got the same disgusting answer.
I have also put a new ground strap tied to the frame and get continuity when checked. I am at a loss fo anything else to try. Its like something is telling this pump to not run.
Please give me the answer or sell me a hand grenade.
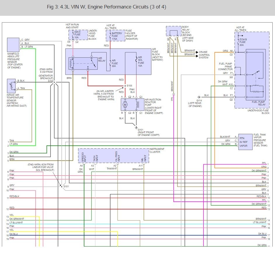
the picture is my fuse block. Looking underneath this it has 3 big blocks with 7mm bolts holding it on. If I need to undo this to look, it sounds like another problem more than it does a solution. Is there another way to check? maybe a power check to ground or something? Am I even looking at this the right way?
[img:4d54759d8c]http://www.2carpros.com/forum/automotive_pictures/408044_IMG00055_1.jpg[/img:4d54759d8c]
That is a diagram of the picture I took. My question was how do I determine where the orange and grey wire are in the socket. Reading some other forum answers I read that the orange wire is constant hot and the gray is relay leg. I just don't know which pin is which in the socket. Can I test to ground from each socket to determine hot without blowing something?
Thank You
Len Adams
My wife said it would not crank. I pushed it to the curb and came back to it later. It cranked right up the first time. I replaced the fuel filter. then nothing happened so I bit the big one, dropped the tank and changed the pump.
I have replaced the fuel pump on this thing ($300 down the drain), and the fuel pump motor will still not run. I can hear the relay click. Swapped some around to rule out bad relay. I get 12 vdc at the pump when the key is forward for 5--6 seconds and again when the key is turned off. I put a battery straight to the pump on the gray and black wire and it runs. I did this with the old pump and got the same disgusting answer.
I have also put a new ground strap tied to the frame and get continuity when checked. I am at a loss fo anything else to try. Its like something is telling this pump to not run.
Please give me the answer or sell me a hand grenade.
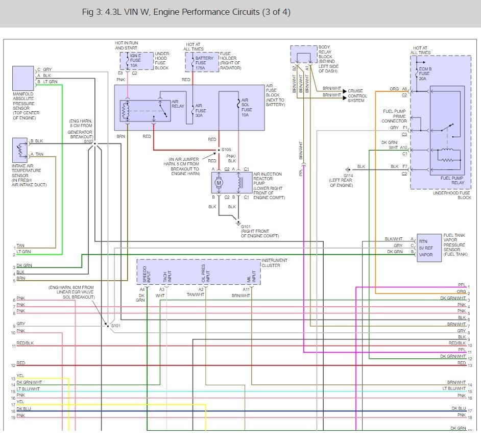
the picture is my fuse block. Looking underneath this it has 3 big blocks with 7mm bolts holding it on. If I need to undo this to look, it sounds like another problem more than it does a solution. Is there another way to check? maybe a power check to ground or something? Am I even looking at this the right way?
[img:4d54759d8c]http://www.2carpros.com/forum/automotive_pictures/408044_IMG00055_1.jpg[/img:4d54759d8c]
That is a diagram of the picture I took. My question was how do I determine where the orange and grey wire are in the socket. Reading some other forum answers I read that the orange wire is constant hot and the gray is relay leg. I just don't know which pin is which in the socket. Can I test to ground from each socket to determine hot without blowing something?
Thank You
Len Adams
Sep 11, 2009 at 6:03 PM







