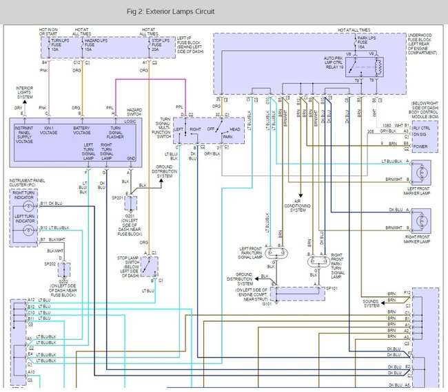
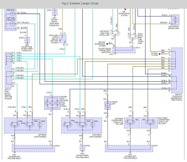
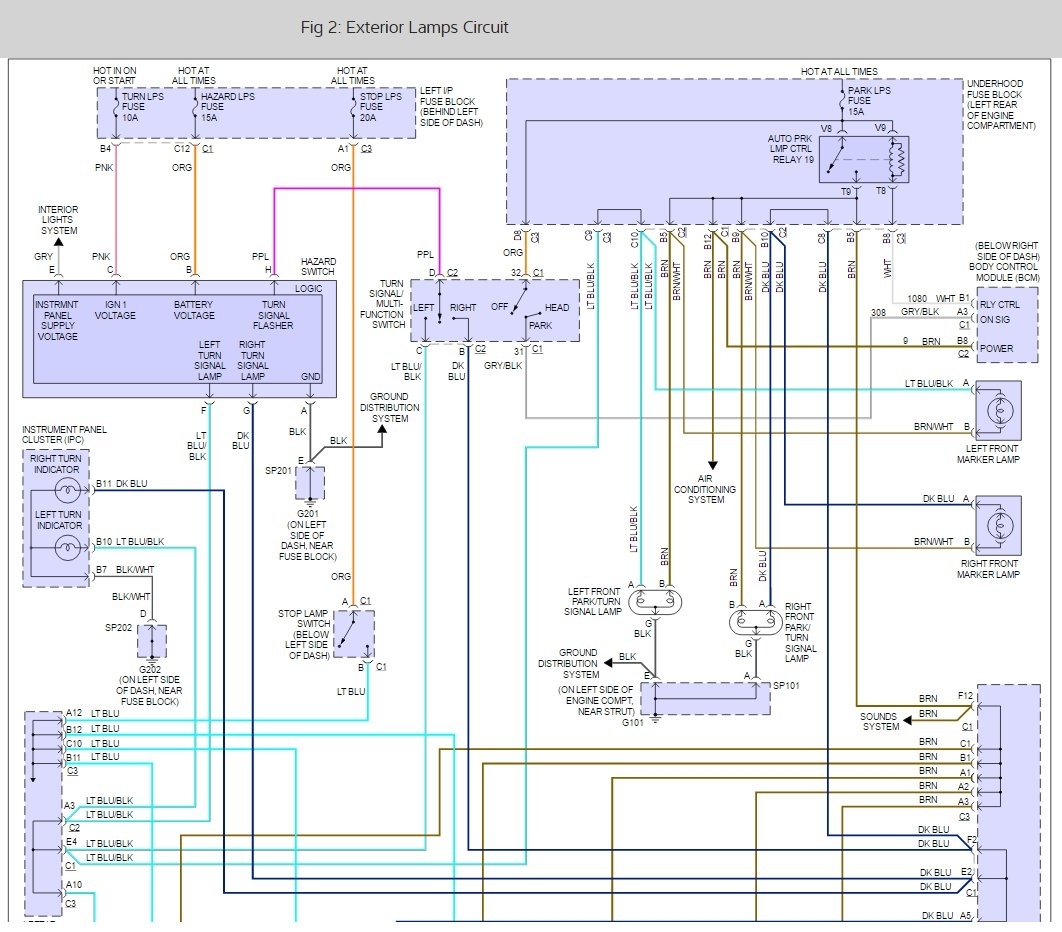
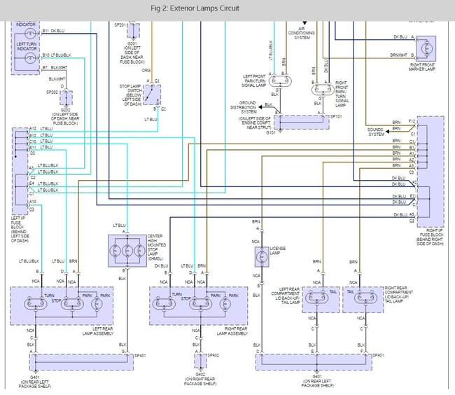
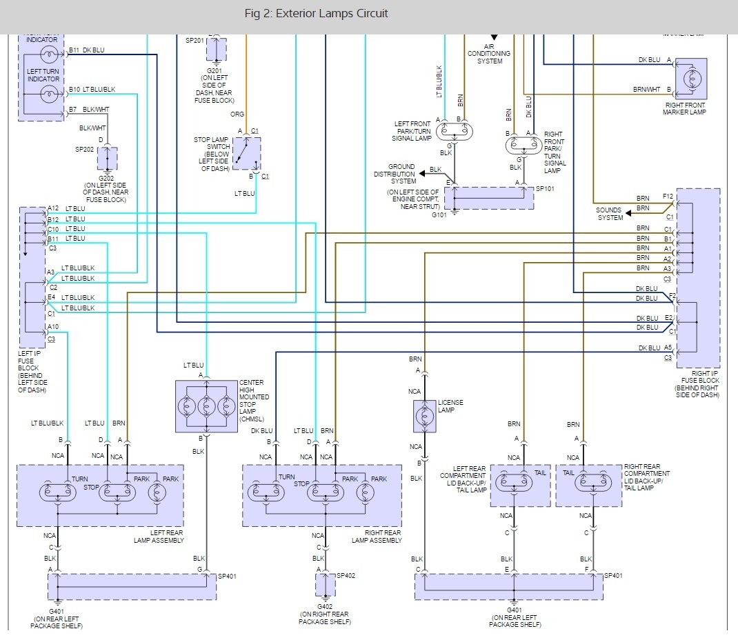
When I flick the turn signal switch sometimes the light on the dashboard comes on and sometimes it comes on for a bit then cuts off. Other times it doesn't come on at all. Is this a bulb problem or something else?
Dec 10, 2009 at 1:24 PM

